Curiosii for ever!
: Car repair manuals for everyone.
Home
>>
Lincoln
>>
2000
>>
Town Car V8-4.6L VIN W
>>
Repair and Diagnosis
>>
Diagrams
>>
Exploded Views
>>
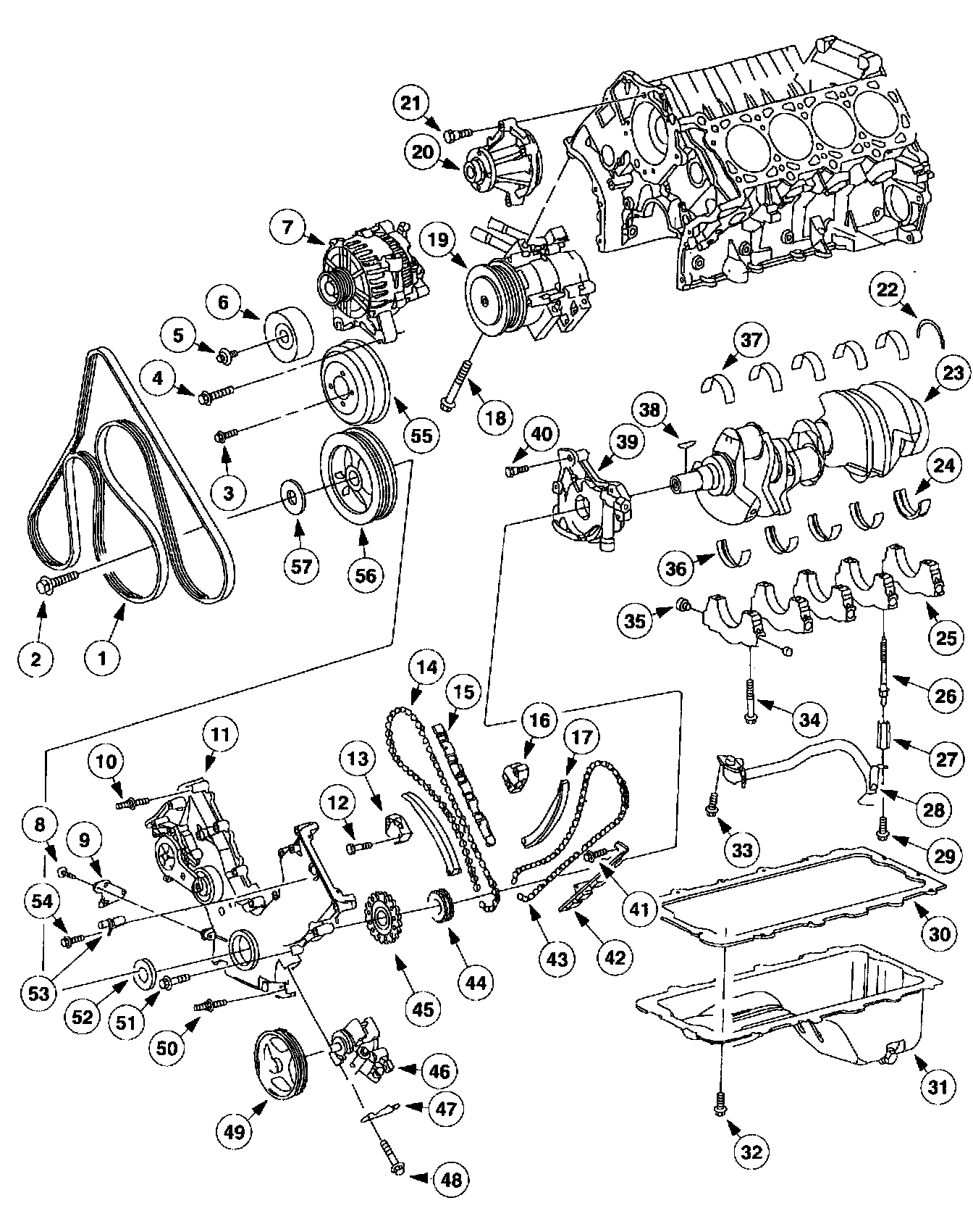
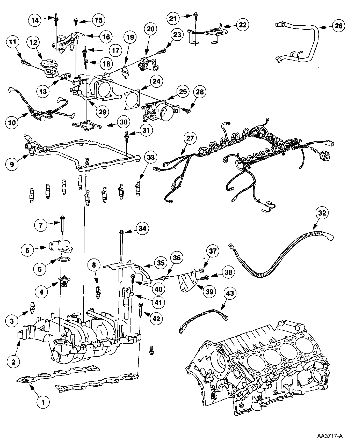
Engine
Engine
Engine Component View