Curiosii for ever!
: Car repair manuals for everyone.
Home
>>
Lincoln
>>
2000
>>
Town Car V8-4.6L VIN W
>>
Repair and Diagnosis
>>
Diagrams
>>
Exploded Views
>>
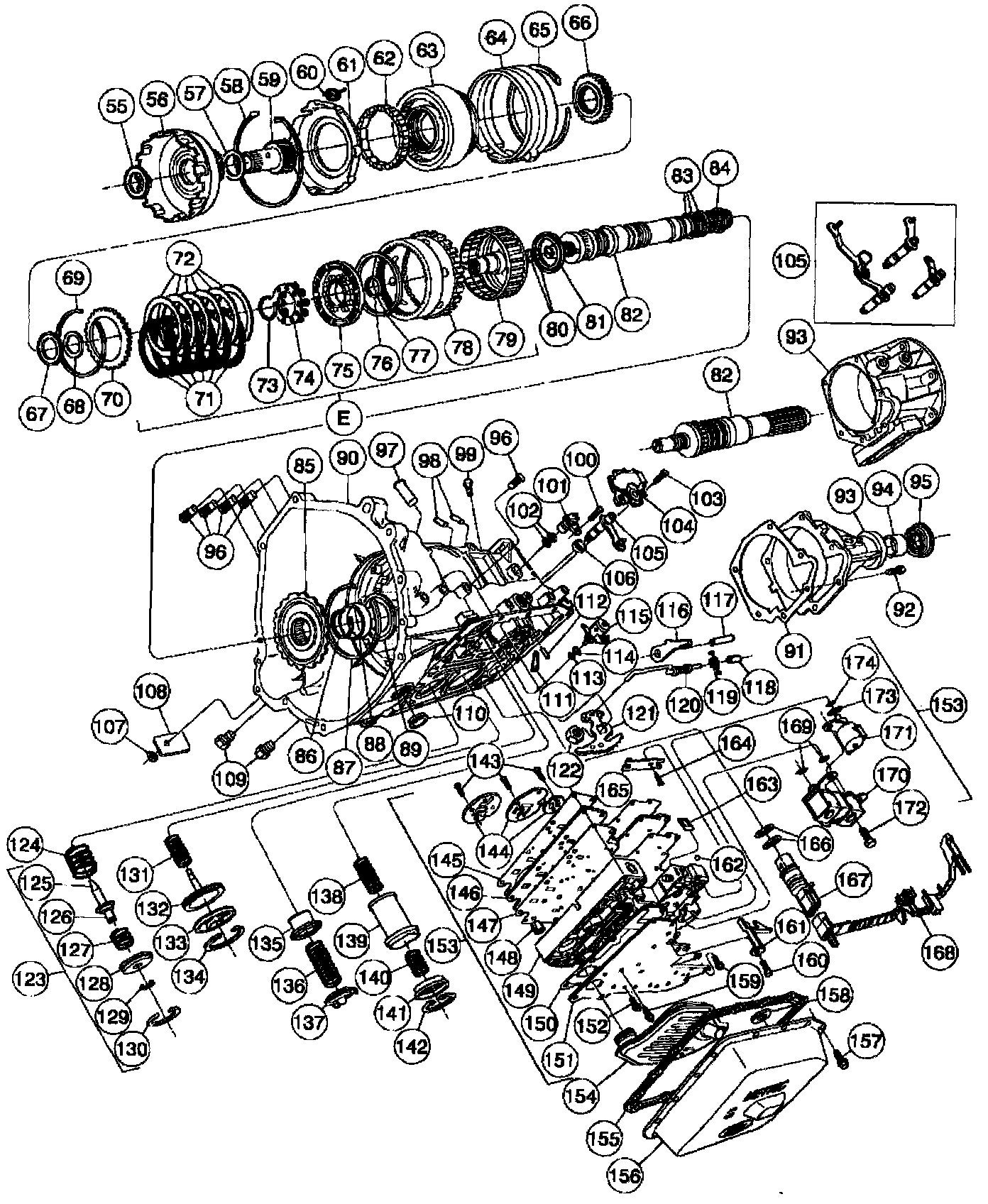
Automatic Transmission/Transaxle
Automatic Transmission/Transaxle
1 of 6
2 of 6
3 of 6
4 of 6
5 of 6
6 of 6