Curiosii for ever!: Car repair manuals for everyone.

Passive Anti-Theft System (PATS)

REMOVAL
1. Disconnect the battery ground cable. Refer to Battery.

CAUTION: Electronic modules are sensitive to electrical charges. If exposed to these charges, damage may result.

2. Remove the instrument panel cluster finish panel. Refer to Dash Board.







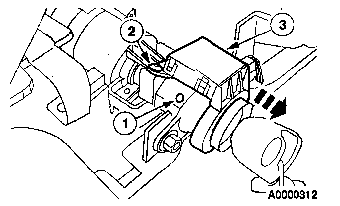
3. Position the Passive Anti-theft System (PATS) transceiver module aside.
1 Push the tab and remove the ignition lock cylinder.
2 Remove the screw.
3 Position the PATS transceiver module aside.

NOTE: The ignition must be turned to the RUN position to remove ignition lock cylinder.







4. Remove the PATS transceiver module.
1 Disconnect the electrical connector.
2 Remove the PATS transceiver module.

INSTALLATION
1. To install, reverse the removal procedure.