Curiosii for ever!
: Car repair manuals for everyone.
Home
>>
Lincoln
>>
1998
>>
Town Car V8-4.6L VIN W
>>
Repair and Diagnosis
>>
Diagrams
>>
Exploded Views
>>
Engine
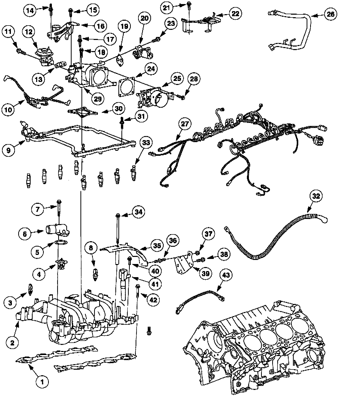
Engine
Part 1 Of 3:
Part 2 Of 3:
Part 3 Of 3:
Part 1 Of 3:
Part 2 Of 3:
Part 3 Of 3:
Part 1 Of 5:
Part 2 Of 5:
Part 3 Of 5:
Part 4 Of 5:
Part 5 Of 5:
Part 1 Of 3:
Part 2 Of 3:
Part 3 Of 3: