Curiosii for ever!
: Car repair manuals for everyone.
Home
>>
Lincoln
>>
1996
>>
Town Car V8-281 4.6L SOHC
>>
Repair and Diagnosis
>>
Powertrain Management
>>
Computers and Control Systems
>>
Throttle Position Sensor
>>
Locations
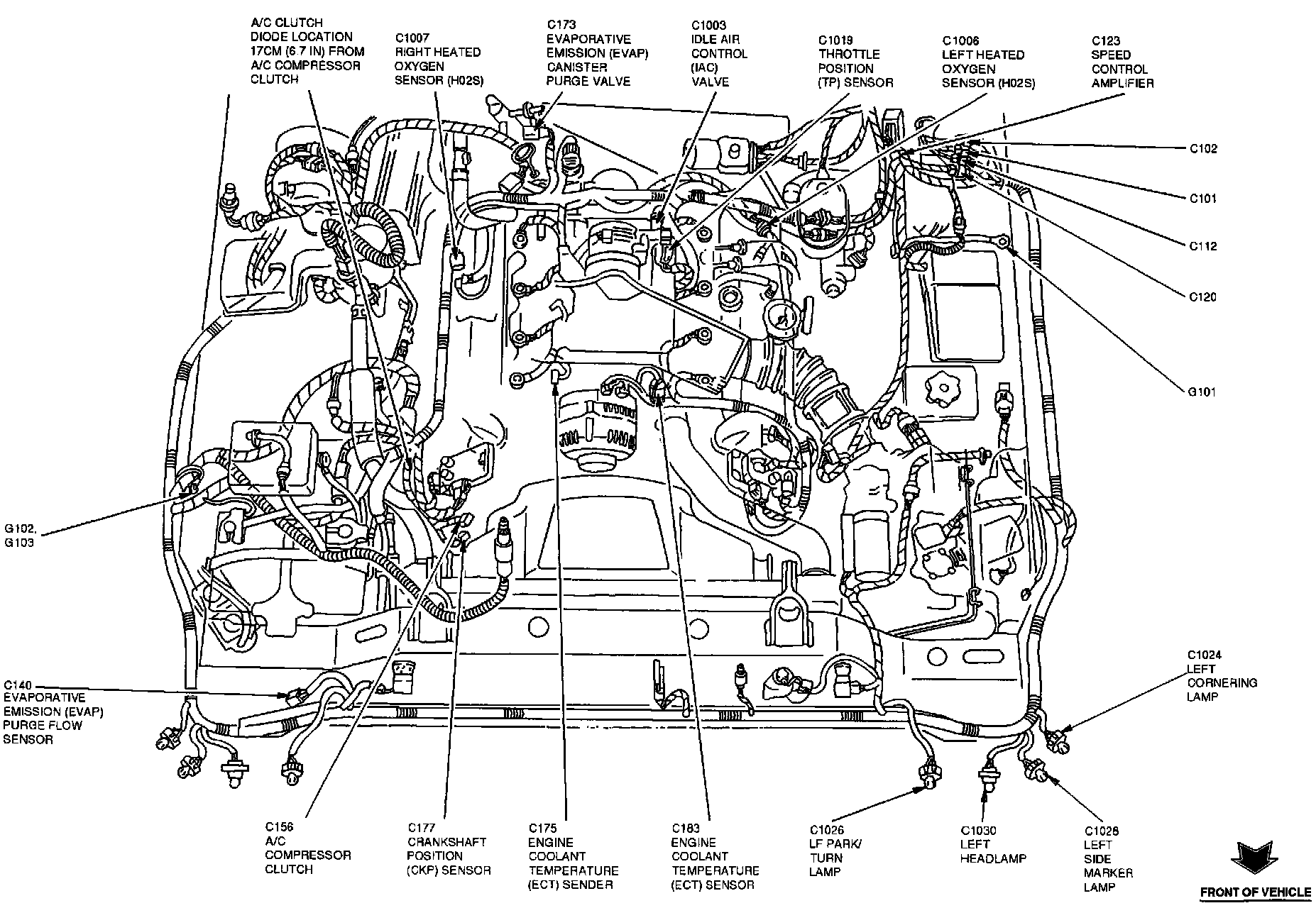
Throttle Position Sensor: Locations
Engine View:
The Throttle Position Sensor is located at the center rear of the engine, LH side of the throttle body.