Curiosii for ever!
: Car repair manuals for everyone.
Home
>>
Lincoln
>>
1996
>>
Mark VIII V8-4.6L DOHC
>>
Repair and Diagnosis
>>
Powertrain Management
>>
Computers and Control Systems
>>
Integrated Control Relay Module
>>
Locations
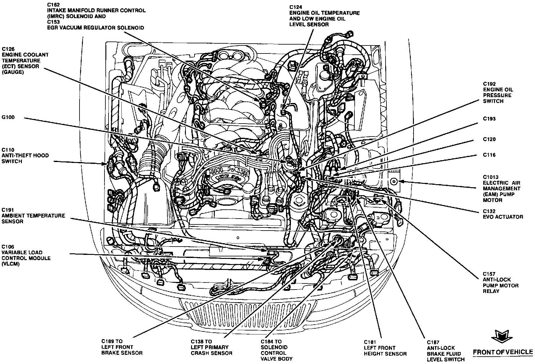
Integrated Control Relay Module: Locations
Engine View:
The Variable Load Control Module is located at the lower front center of the engine compartment.