Curiosii for ever!: Car repair manuals for everyone.

Ignition Cable: Service and Repair

NOTE: Whenever an ignition wire is removed for any reason from a spark plug or ignition coil or a new ignition wire is installed, coat the entire interior surface of the boot with silicone dielectric compound with a small clean tool prior to installation.

CAUTION: Do not pull on the ignition wire directly as the wire may separate from the connector inside the boot.

REMOVAL

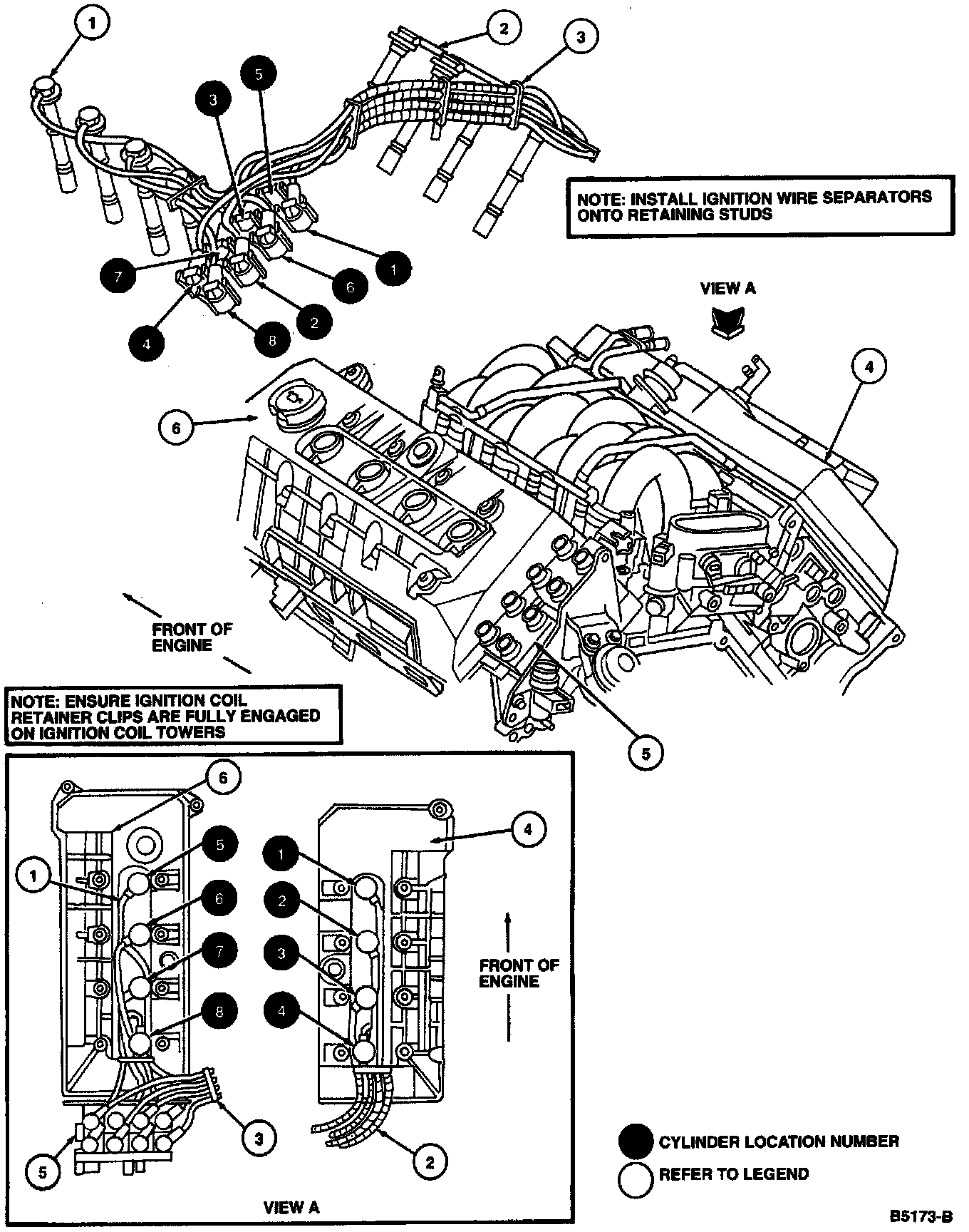
Ignition Wiring:




Ignition Wiring:





1. Remove ignition wire cover from RH and LH valve covers.
2. Disconnect ignition wire from spark plug by grasping the boot and twisting slightly in both directions to free it.
3. Disconnect the ignition wire from the ignition coil by squeezing the locking tabs and twisting while pulling upward.

Removing Ignition Wires At Coil Pack:





4. Open ignition wire separators and remove ignition wires.


CAUTION: Proper installation of ignition wires is critical to vehicle operation. If any ignition wire is improperly installed on spark plug or ignition coil, both spark plugs connected to that coil may not operate under load.

INSTALLATION
1. Install each ignition wire to the proper terminal on the ignition coils. The terminals on the ignition coils are numbered. Make sure the boots are fully seated and that both locking tabs are engaged.
2. Route ignition wire through ignition wire separators and close ignition wire separators.

NOTE: Ignition wire spark plug boot must be positioned 45 degrees from crankshaft centerline (outboard and forward) to make sure the boot seal is fully seated.

3. Connect ignition wire to spark plug.
4. Install ignition wire cover onto LH and RH valve covers. Tighten retaining nuts securely.