Curiosii for ever!
: Car repair manuals for everyone.
Home
>>
Lincoln
>>
1995
>>
Mark VIII V8-4.6L DOHC
>>
Repair and Diagnosis
>>
Powertrain Management
>>
Computers and Control Systems
>>
Testing and Inspection
>>
Pinpoint Tests
>>
XB - Variable Control Relay Module (VCRM)
>>
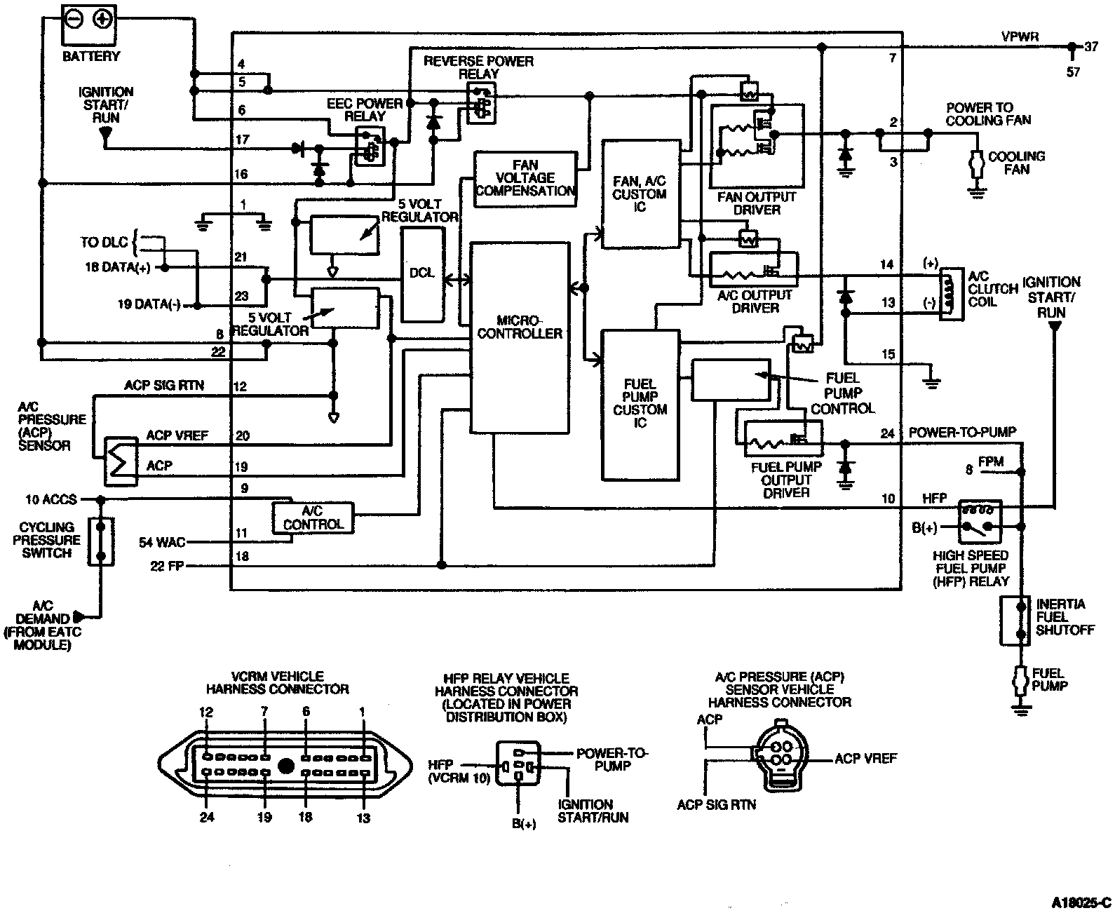
XB - Testing Schematic
XB - Testing Schematic
VCRM Diagram:
WIRING DIAGRAM
VCRM Pin Usage And Wire Colors.:
PIN USAGE AND WIRE COLORS.