Curiosii for ever!
: Car repair manuals for everyone.
Home
>>
Lincoln
>>
1995
>>
Mark VIII V8-4.6L DOHC
>>
Repair and Diagnosis
>>
Powertrain Management
>>
Computers and Control Systems
>>
Relays and Modules - Computers and Control Systems
>>
Main Relay (Computer/Fuel System)
>>
Diagrams
>>
Electrical Diagrams
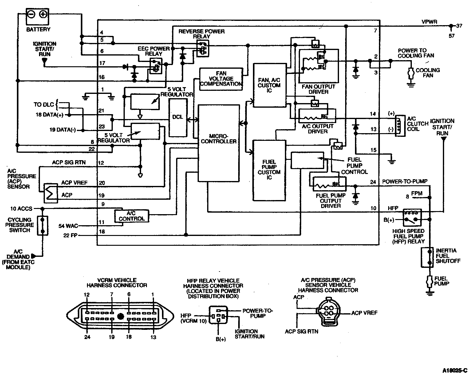
Electrical Diagrams
Connector View:
ELECTRICAL DIAGRAM
CCRM Pin Usage:
PINOUT IDENTIFICATION