Curiosii for ever!
: Car repair manuals for everyone.
Home
>>
Lincoln
>>
1995
>>
Continental V8-4.6L DOHC
>>
Repair and Diagnosis
>>
Powertrain Management
>>
Computers and Control Systems
>>
Integrated Control Relay Module
>>
Diagrams
>>
Electrical Diagrams
Electrical Diagrams
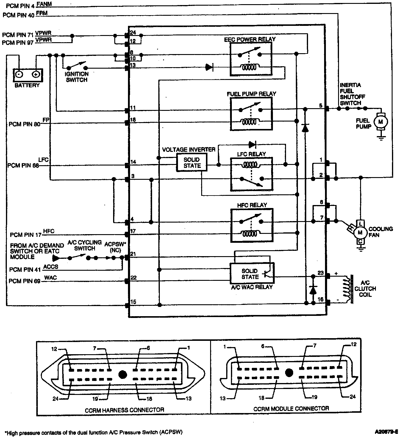
Constant Control Relay Module:
Constant Control Relay Module: