Curiosii for ever!
: Car repair manuals for everyone.
Home
>>
Lincoln
>>
1994
>>
Mark VIII V8-4.6L DOHC
>>
Repair and Diagnosis
>>
Powertrain Management
>>
Computers and Control Systems
>>
Testing and Inspection
>>
Pinpoint Tests
>>
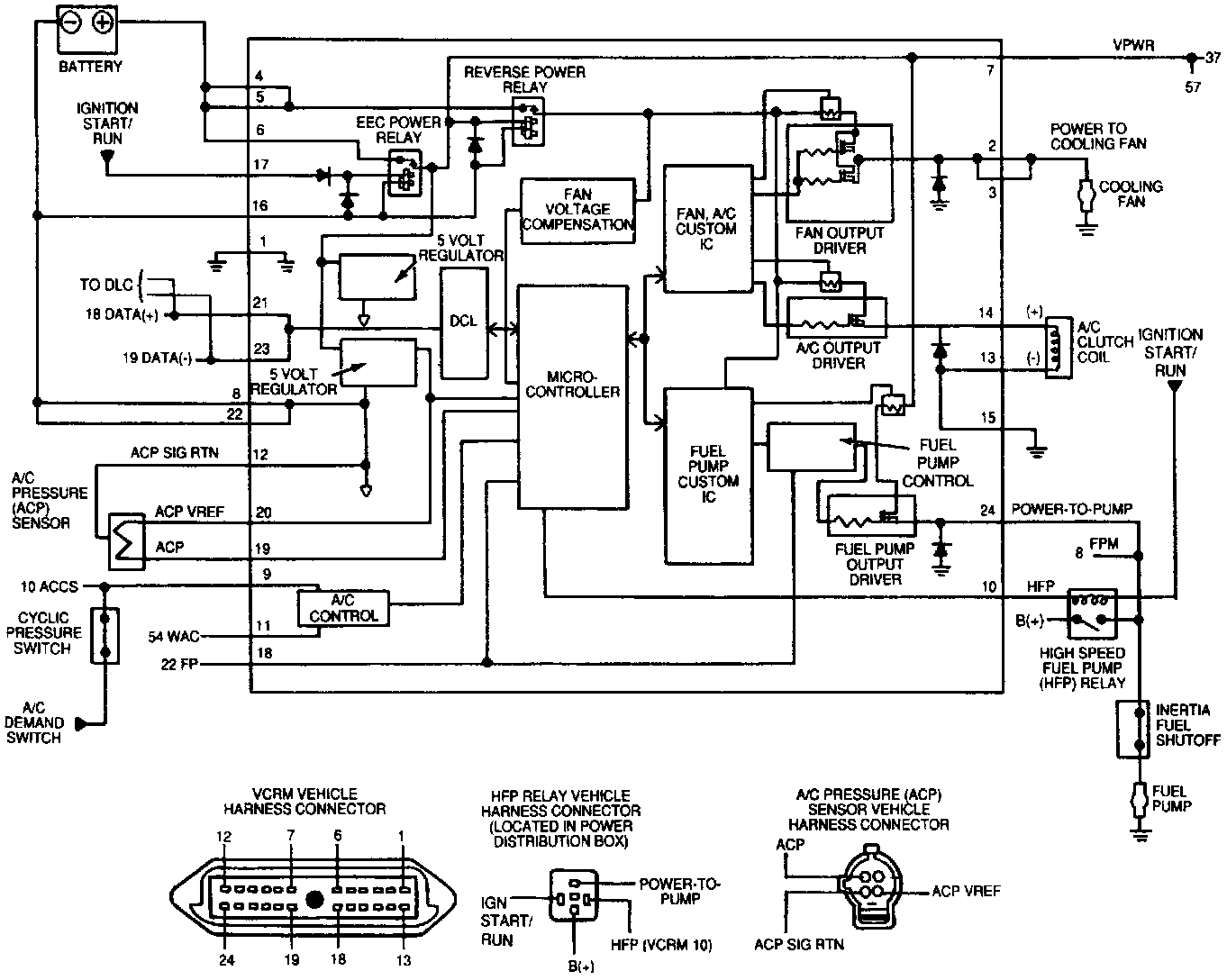
XB - Variable Control Relay Module (VCRM)
>>
XB - Testing Schematic
XB - Testing Schematic
Variable Control Relay Module (VCRM):
VCRM Pin Useage And Wire Colors: