Curiosii for ever!: Car repair manuals for everyone.

Heater Core: Service and Repair

Removal
1. Remove instrument panel and place it on front seat. Instrument Cluster / Carrier
2. Remove A/C evaporator housing assembly. Evaporator Case

Fig 26 Vacuum Line Removal From Heater Core Seal:






3. Remove vacuum source line from heater core tube seal.
4. Remove seal from heater core tubes.
5. Remove two screws retaining A/C electronic door actuator motor to A/C evaporator housing. Remove A/C electronic door actuator motor from A/C evaporator housing.

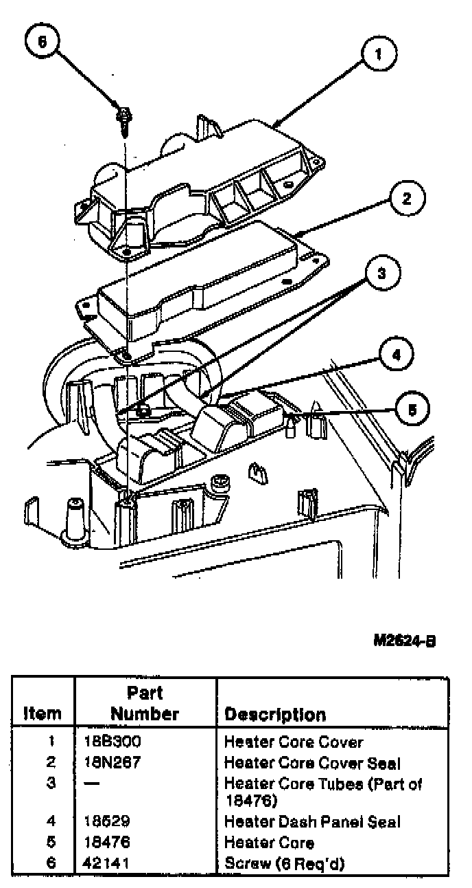
Heater Core Cover Removal:






6. Remove four heater core cover retaining screws, and remove heater core cover and heater core cover seal from A/C evaporator housing.
7. Lift heater core and seals from A/C evaporator housing.

Installation
1. Transfer three foam core seals to new heater core.
2. Install heater core and secure into A/C evaporator housing.
3. Position heater core cover on A/C evaporator housing and install four retaining screws.
4. Position A/C electronic door actuator motor to A/C air temperature control door shaft. Install three screws retaining A/C electronic door actuator motor to A/C evaporator housing.
5. Install heater dash panel seal on heater core tubes.
6. Install vacuum source line through heater dash panel seal.
7. Install A/C evaporator housing assembly.