Curiosii for ever!
: Car repair manuals for everyone.
Home
>>
Lincoln
>>
1993
>>
Mark VIII V8-4.6L DOHC
>>
Repair and Diagnosis
>>
Powertrain Management
>>
Computers and Control Systems
>>
Integrated Control Relay Module
>>
Diagrams
>>
Electrical Diagrams
Electrical Diagrams
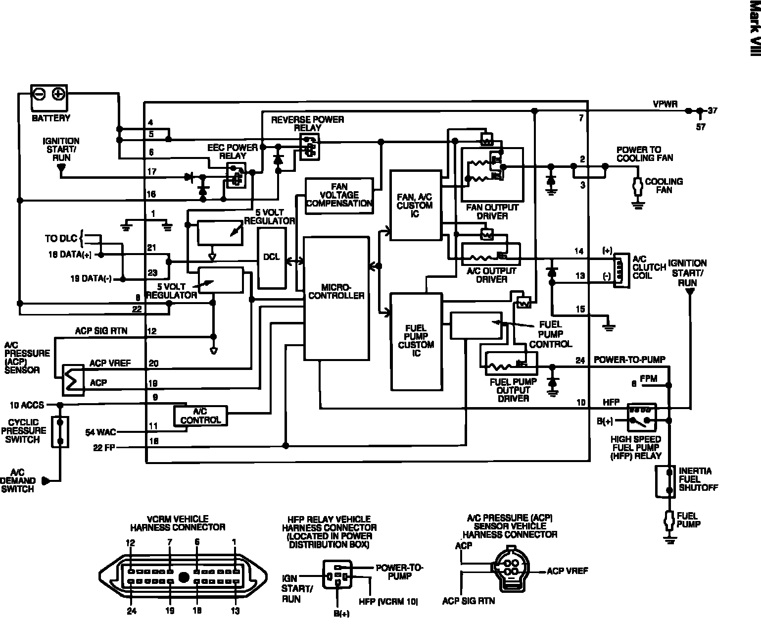
Variable Control Relay Module (VCRM) Schematic:
Variable Control Relay Module (VCRM) Pin Usage: