Curiosii for ever!
: Car repair manuals for everyone.
Home
>>
Lincoln
>>
1992
>>
Mark VII V8-302 5.0L HO
>>
Repair and Diagnosis
>>
Powertrain Management
>>
Computers and Control Systems
>>
Barometric Pressure Sensor
>>
Locations
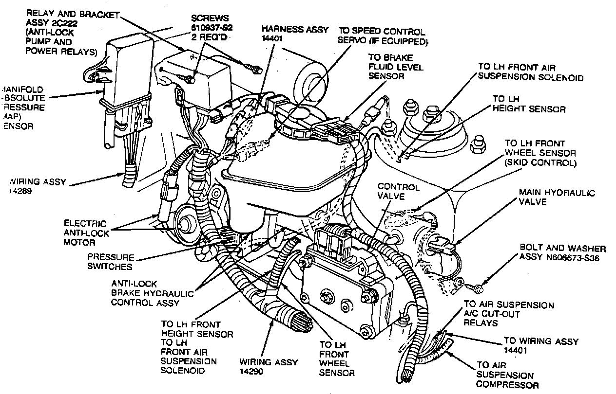
Barometric Pressure Sensor: Locations
Component Location: