Curiosii for ever!
: Car repair manuals for everyone.
Home
>>
Lincoln
>>
1990
>>
Continental V6-232 3.8L
>>
Repair and Diagnosis
>>
Powertrain Management
>>
Computers and Control Systems
>>
Data Link Connector
>>
Locations
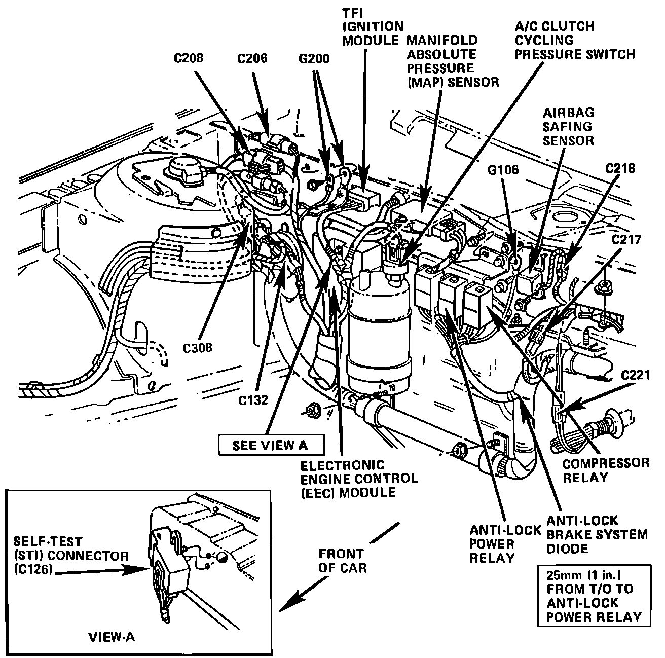
Data Link Connector: Locations
Component Locations - RH Rear Corner Of Engine Compartment: