Curiosii for ever!: Car repair manuals for everyone.

Cruise Control Switch: Service and Repair

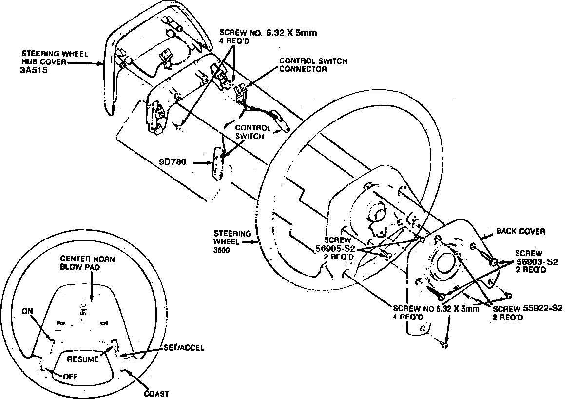
Fig. 29 Steering Wheel Assembly. Mark VII:




Fig. 30 Control Switch Replacement. Mark VII:





1. Disconnect battery ground cable, then remove steering wheel center cover, Fig. 29.
2. Remove and discard steering wheel attaching bolt.
3. Using a puller, remove steering wheel from shaft. To prevent damage never hit steering wheel attaching bolt or use a knock-off type steering wheel puller.
4. Remove six screws retaining back cover to the steering wheel. Separate back cover from steering wheel, then disconnect control switch electrical connector.
5. Remove control switch as shown Fig. 30.
6. Reverse procedure to install. Torque new steering wheel attaching bolt to 23-33 ft. lbs.