Curiosii for ever!
: Car repair manuals for everyone.
Home
>>
Lincoln Truck
>>
2012
>>
Navigator 2WD V8-5.4L
>>
Repair and Diagnosis
>>
Powertrain Management
>>
Computers and Control Systems
>>
Testing and Inspection
>>
Pinpoint Tests
>>
Test A: No Start
Test A: No Start
No Start
Electronic Throttle Body
Throttle Position Sensor
(ETBTPS) Connector
Harness Side
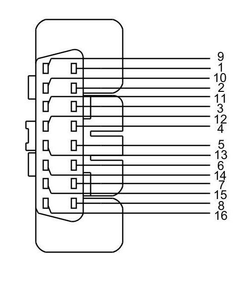
Data Link Connector (DLC)
Harness Side