Curiosii for ever!: Car repair manuals for everyone.

Pinpoint Test W: No High Speed Controller Area Network (HS-CAN) Communication, All Modules Are Not Responding




Communications Network

Pinpoint Test W: No High Speed Controller Area Network (HS-CAN) Communication, All Modules Are Not Responding

Normal Operation

The High Speed Controller Area Network (HS-CAN) uses an unshielded twisted pair cable.

This pinpoint test is intended to diagnose the following:

- Wiring, terminals or connectors

- Data Link Connector (DLC)

- 4X4 control module (if equipped)

- ABS module

- Accessory Protocol Interface Module (APIM)

- Instrument Cluster (IC)

- PCM

- Restraints Control Module (RCM)

- Vehicle Dynamics Module (VDM) (if equipped)

PINPOINT TEST W : NO HS-CAN (High Speed Controller Area Network) COMMUNICATION, ALL MODULES ARE NOT RESPONDING

NOTICE: Use the correct probe adapter(s) when making measurements. Failure to use the correct probe adapter(s) may damage the connector.

NOTE: Most faults are due to connector and/or wiring concerns. Carry out a thorough inspection and verification before proceeding with the pinpoint test. Inspection and Verification

NOTE: Failure to disconnect the battery when instructed will result in false resistance readings.

W1 CHECK THE DLC (Data Link Connector) PINS FOR DAMAGE

- Ignition OFF.

- Disconnect the scan tool cable from the Data Link Connector (DLC).

- Inspect DLC (Data Link Connector) pins 6 and 14 for damage.





Are DLC (Data Link Connector) pins 6 and 14 OK?

Yes
GO to W2.

No
REPAIR the DLC (Data Link Connector) as necessary. CLEAR the DTCs. REPEAT the network test with the scan tool.

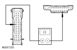
W2 CHECK THE HS-CAN (High Speed Controller Area Network) TERMINATION RESISTANCE

- Ignition OFF.

- Disconnect: Negative Battery Cable.

- Measure the resistance between the DLC (Data Link Connector) C251-6, circuit VDB04 (WH/BU), harness side and the DLC (Data Link Connector) C251-14, circuit VDB05 (WH), harness side.





Is the resistance between 54 and 66 ohms?

Yes
GO to W3.

No
GO to W5.

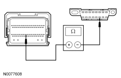
W3 CHECK THE HS-CAN (High Speed Controller Area Network) (+) AND HS-CAN (High Speed Controller Area Network) (-) CIRCUITS FOR A SHORT TO GROUND

- Measure the resistance between the DLC (Data Link Connector) C251-6, circuit VDB04 (WH/BU), harness side and ground; and between the DLC (Data Link Connector) C251-14, circuit VDB05 (WH), harness side and ground.





Are the resistances greater than 1,000 ohms?

Yes
GO to W4.

No
GO to W18.

W4 CHECK THE HS-CAN (High Speed Controller Area Network) (+) AND HS-CAN (High Speed Controller Area Network) (-) CIRCUITS FOR A SHORT TO VOLTAGE

- Connect: Negative Battery Cable.

- Ignition ON.

- Measure the voltage between the DLC (Data Link Connector) C251-6, circuit VDB04 (WH/BU), harness side and ground; and between the DLC (Data Link Connector) C251-14, circuit VDB05 (WH), harness side and ground.





Is the voltage greater than 6 volts?

Yes
REPAIR the circuit. CLEAR the DTCs. REPEAT the network test with the scan tool.

No
The CAN (Controller Area Network) has tested within specifications. VERIFY the scan tool operation on a substitute vehicle, and REPEAT the network test on the suspect vehicle.

W5 CHECK THE HS-CAN (High Speed Controller Area Network) TERMINATION RESISTOR

- Measure the resistance between the DLC (Data Link Connector) C251-6, circuit VDB04 (WH/BU), harness side and the DLC (Data Link Connector) C251-14, circuit VDB05 (WH), harness side.





Is the resistance between 108 and 132 ohms?

Yes
GO to W6.

No
GO to W9.

W6 CHECK THE HS-CAN (High Speed Controller Area Network) TERMINATION RESISTOR WITH THE PCM DISCONNECTED

- Disconnect: PCM C175B.

- Measure the resistance between the DLC (Data Link Connector) C251-6, circuit VDB04 (WH/BU), harness side and the DLC (Data Link Connector) C251-14, circuit VDB05 (WH), harness side.





Is the resistance between 108 and 132 ohms?

Yes
GO to W7.

No
GO to W8.

W7 CHECK THE HS-CAN (High Speed Controller Area Network) CIRCUITS BETWEEN THE PCM AND THE DLC (Data Link Connector) FOR AN OPEN

- Measure the resistance between the PCM C175B-59, circuit VDB04 (WH/BU), harness side and the DLC (Data Link Connector) C251-6, circuit VDB04 (WH/BU), harness side.





- Measure the resistance between the PCM C175B-43, circuit VDB05 (WH), harness side and the DLC (Data Link Connector) C251-14, circuit VDB05 (WH), harness side.





Are the resistances less than 5 ohms?

Yes
CONNECT the negative battery cable. GO to W25.

No
REPAIR the circuit in question. CONNECT the negative battery cable. CLEAR the DTCs. REPEAT the network test with the scan tool.

W8 CHECK THE HS-CAN (High Speed Controller Area Network) CIRCUITS BETWEEN THE IC (Instrument Cluster) AND THE DLC (Data Link Connector) FOR AN OPEN

- Measure the resistance between the IC (Instrument Cluster) C220-7, circuit VDB04 (WH/BU), harness side and the Data Link Connector (DLC) C251-6, circuit VDB04 (WH/BU), harness side.





- Measure the resistance between the IC (Instrument Cluster) C220-8, circuit VDB05 (WH), harness side and the DLC (Data Link Connector) C251-14, circuit VDB05 (WH), harness side.





Are the resistances less than 5 ohms?

Yes
CONNECT the negative battery cable. GO to W31.

No
REPAIR the circuit in question. CONNECT the negative battery cable. CLEAR the DTCs. REPEAT the network test with the scan tool.

W9 CHECK THE HS-CAN (High Speed Controller Area Network) (+) AND HS-CAN (High Speed Controller Area Network) (-) CIRCUITS FOR A SHORT TOGETHER

- Measure the resistance between the DLC (Data Link Connector) C251-6, circuit VDB04 (WH/BU), harness side and the DLC (Data Link Connector) C251-14, circuit VDB05 (WH), harness side.





Is the resistance less than 5 ohms?

Yes
GO to W11.

No
GO to W10.

W10 CHECK THE HS-CAN (High Speed Controller Area Network) CIRCUITS BETWEEN THE PCM AND THE DLC (Data Link Connector) FOR AN OPEN

- Disconnect: PCM C175B.

- Measure the resistance between the PCM C175B-59, circuit VDB04 (WH/BU), harness side and the DLC (Data Link Connector) C251-6, circuit VDB04 (WH/BU), harness side.





- Measure the resistance between the PCM C175B-43, circuit VDB05 (WH), harness side and the DLC (Data Link Connector) C251-14, circuit VDB05 (WH), harness side.





Are the resistances less than 5 ohms?

Yes
The Controller Area Network (CAN) has tested within specifications. CONNECT the negative battery cable. VERIFY the scan tool operation on a substitute vehicle, and REPEAT the network test on the suspect vehicle.

No
REPAIR the circuit in question. CONNECT the negative battery cable. CLEAR the DTCs. REPEAT the network test with the scan tool.

W11 CHECK THE HS-CAN (High Speed Controller Area Network) (+) AND HS-CAN (High Speed Controller Area Network) (-) CIRCUITS FOR A SHORT TOGETHER WITH THE PCM DISCONNECTED

- Disconnect: PCM C175B.

- Measure the resistance between the DLC (Data Link Connector) C251-6, circuit VDB04 (WH/BU), harness side and the DLC (Data Link Connector) C251-14, circuit VDB05 (WH), harness side.





Is the resistance less than 5 ohms?

Yes
If the vehicle is equipped with a Vehicle Dynamics Module (VDM), GO to W12.

If the vehicle is not equipped with a VDM (Vehicle Dynamics Module), GO to W13.

No
CONNECT the negative battery cable. GO to W25.

W12 CHECK THE HS-CAN (High Speed Controller Area Network) (+) AND HS-CAN (High Speed Controller Area Network) (-) CIRCUITS FOR A SHORT TOGETHER WITH THE VDM (Vehicle Dynamics Module) DISCONNECTED

- Disconnect: VDM (Vehicle Dynamics Module) C2131A.

- Measure the resistance between the DLC (Data Link Connector) C251-6, circuit VDB04 (WH/BU), harness side and the DLC (Data Link Connector) C251-14, circuit VDB05 (WH), harness side.





Is the resistance less than 5 ohms?

Yes
GO to W13.

No
CONNECT the negative battery cable. GO to W26.

W13 CHECK THE HS-CAN (High Speed Controller Area Network) (+) AND HS-CAN (High Speed Controller Area Network) (-) CIRCUITS FOR A SHORT TOGETHER WITH THE ABS MODULE DISCONNECTED

- Disconnect: ABS Module C135.

- Measure the resistance between the DLC (Data Link Connector) C251-6, circuit VDB04 (WH/BU), harness side and the DLC (Data Link Connector) C251-14, circuit VDB05 (WH), harness side.





Is the resistance less than 5 ohms?

Yes
If the vehicle is equipped with a 4X4 control module, GO to W14.

If the vehicle is not equipped with a 4X4 control module, GO to W15.

No
CONNECT the negative battery cable. GO to W27.

W14 CHECK THE HS-CAN (High Speed Controller Area Network) (+) AND HS-CAN (High Speed Controller Area Network) (-) CIRCUITS FOR A SHORT TOGETHER WITH THE 4X4 CONTROL MODULE DISCONNECTED

- Disconnect: 4X4 Control Module C281A.

- Measure the resistance between the DLC (Data Link Connector) C251-6, circuit VDB04 (WH/BU), harness side and the DLC (Data Link Connector) C251-14, circuit VDB05 (WH), harness side.





Is the resistance less than 5 ohms?

Yes
GO to W15.

No
CONNECT the negative battery cable. GO to W28.

W15 CHECK THE HS-CAN (High Speed Controller Area Network) (+) AND HS-CAN (High Speed Controller Area Network) (-) CIRCUITS FOR A SHORT TOGETHER WITH THE RCM (Restraints Control Module) DISCONNECTED

- Disconnect: RCM (Restraints Control Module) C310B.

- Measure the resistance between the DLC (Data Link Connector) C251-6, circuit VDB04 (WH/BU), harness side and the DLC (Data Link Connector) C251-14, circuit VDB05 (WH), harness side.





Is the resistance less than 5 ohms?

Yes
If the vehicle is equipped with an Accessory Protocol Interface Module (APIM), GO to W16.

If the vehicle is not equipped with an APIM (Accessory Protocol Interface Module), GO to W17.

No
CONNECT the negative battery cable. GO to W29.

W16 CHECK THE HS-CAN (High Speed Controller Area Network) (+) AND HS-CAN (High Speed Controller Area Network) (-) CIRCUITS FOR A SHORT TOGETHER WITH THE APIM (Accessory Protocol Interface Module) DISCONNECTED

- Disconnect: APIM (Accessory Protocol Interface Module) C3342.

- Measure the resistance between the DLC (Data Link Connector) C251-6, circuit VDB04 (WH/BU), harness side and the DLC (Data Link Connector) C251-14, circuit VDB05 (WH), harness side.





Is the resistance less than 5 ohms?

Yes
GO to W17.

No
CONNECT the negative battery cable. GO to W30.

W17 CHECK THE HS-CAN (High Speed Controller Area Network) (+) AND HS-CAN (High Speed Controller Area Network) (-) CIRCUITS FOR A SHORT TOGETHER WITH THE IC (Instrument Cluster) DISCONNECTED

- Disconnect: IC (Instrument Cluster) C220.

- Measure the resistance between the DLC (Data Link Connector) C251-6, circuit VDB04 (WH/BU), harness side and the DLC (Data Link Connector) C251-14, circuit VDB05 (WH), harness side.





Is the resistance less than 5 ohms?

Yes
REPAIR the circuit. CONNECT all modules. CONNECT the negative battery cable. CLEAR the DTCs. REPEAT the network test with the scan tool.

No
CONNECT the negative battery cable. GO to W31.

W18 CHECK THE HS-CAN (High Speed Controller Area Network) (+) AND HS-CAN (High Speed Controller Area Network) (-) CIRCUITS FOR A SHORT TO GROUND WITH THE PCM DISCONNECTED

- Disconnect: PCM C175B.

- Measure the resistance between the DLC (Data Link Connector) C251-6, circuit VDB04 (WH/BU), harness side and ground; and between the DLC (Data Link Connector) C251-14, circuit VDB05 (WH), harness side and ground.





Is the resistance less than 5 ohms?

Yes
CONNECT the negative battery cable. GO to W25.

No
If the vehicle is equipped with a Vehicle Dynamics Module (VDM), GO to W19.

If the vehicle is not equipped with a VDM (Vehicle Dynamics Module), GO to W20.

W19 CHECK THE HS-CAN (High Speed Controller Area Network) (+) AND HS-CAN (High Speed Controller Area Network) (-) CIRCUITS FOR A SHORT TO GROUND WITH THE VDM (Vehicle Dynamics Module) DISCONNECTED

- Disconnect: VDM (Vehicle Dynamics Module) C2131A.

- Measure the resistance between the DLC (Data Link Connector) C251-6, circuit VDB04 (WH/BU), harness side and ground; and between the DLC (Data Link Connector) C251-14, circuit VDB05 (WH), harness side and ground.





Is the resistance less than 5 ohms?

Yes
CONNECT the negative battery cable. GO to W26.

No
GO to W20.

W20 CHECK THE HS-CAN (High Speed Controller Area Network) (+) AND HS-CAN (High Speed Controller Area Network) (-) CIRCUITS FOR A SHORT TO GROUND WITH THE ABS MODULE DISCONNECTED

- Disconnect: ABS Module C135.

- Measure the resistance between the DLC (Data Link Connector) C251-6, circuit VDB04 (WH/BU), harness side and ground; and between the DLC (Data Link Connector) C251-14, circuit VDB05 (WH), harness side and ground.





Is the resistance less than 5 ohms?

Yes
CONNECT the negative battery cable. GO to W27.

No
If the vehicle is equipped with a 4X4 control module, GO to W21.

If the vehicle is not equipped with a 4X4 control module, GO to W22.

W21 CHECK THE HS-CAN (High Speed Controller Area Network) (+) AND HS-CAN (High Speed Controller Area Network) (-) CIRCUITS FOR A SHORT TO GROUND WITH THE 4X4 CONTROL MODULE DISCONNECTED

- Disconnect: 4X4 Control Module C281A.

- Measure the resistance between the DLC (Data Link Connector) C251-6, circuit VDB04 (WH/BU), harness side and ground; and between the DLC (Data Link Connector) C251-14, circuit VDB05 (WH), harness side and ground.





Is the resistance less than 5 ohms?

Yes
CONNECT the negative battery cable. GO to W28.

No
GO to W22.

W22 CHECK THE HS-CAN (High Speed Controller Area Network) (+) AND HS-CAN (High Speed Controller Area Network) (-) CIRCUITS FOR A SHORT TO GROUND WITH THE RCM (Restraints Control Module) DISCONNECTED

- Disconnect: RCM (Restraints Control Module) C310B.

- Measure the resistance between the DLC (Data Link Connector) C251-6, circuit VDB04 (WH/BU), harness side and ground; and between the DLC (Data Link Connector) C251-14, circuit VDB05 (WH), harness side and ground.





Is the resistance less than 5 ohms?

Yes
CONNECT the negative battery cable. GO to W29.

No
If the vehicle is equipped with an Accessory Protocol Interface Module (APIM), GO to W23.

If the vehicle is not equipped with an APIM (Accessory Protocol Interface Module), GO to W24.

W23 CHECK THE HS-CAN (High Speed Controller Area Network) (+) AND HS-CAN (High Speed Controller Area Network) (-) CIRCUITS FOR A SHORT TO GROUND WITH THE APIM (Accessory Protocol Interface Module) DISCONNECTED

- Disconnect: APIM (Accessory Protocol Interface Module) C3342.

- Measure the resistance between the DLC (Data Link Connector) C251-6, circuit VDB04 (WH/BU), harness side and ground; and between the DLC (Data Link Connector) C251-14, circuit VDB05 (WH), harness side and ground.





Is the resistance less than 5 ohms?

Yes
CONNECT the negative battery cable. GO to W30.

No
GO to W24.

W24 CHECK THE HS-CAN (High Speed Controller Area Network) (+) AND HS-CAN (High Speed Controller Area Network) (-) CIRCUITS FOR A SHORT TO GROUND WITH THE IC (Instrument Cluster) DISCONNECTED

- Disconnect: IC (Instrument Cluster) C220.

- Measure the resistance between the DLC (Data Link Connector) C251-6, circuit VDB04 (WH/BU), harness side and ground; and between the DLC (Data Link Connector) C251-14, circuit VDB05 (WH), harness side and ground.





Is the resistance less than 5 ohms?

Yes
CONNECT the negative battery cable. GO to W31.

No
REPAIR the circuit. CONNECT all modules. CONNECT the negative battery cable. CLEAR the DTCs. REPEAT the network test with the scan tool.

W25 CHECK FOR CORRECT PCM OPERATION

- Disconnect all the PCM connectors.

- Check for:
- corrosion

- damaged pins

- pushed-out pins


- Connect all the PCM connectors and make sure they seat correctly.

- Operate the system and verify the concern is still present.

Is the concern still present?

Yes
INSTALL a new PCM. CONNECT all modules. CLEAR the DTCs. REPEAT the network test with the scan tool.

No
The system is operating correctly at this time. The concern may have been caused by a loose or corroded connector. CONNECT all modules. CLEAR the DTCs. REPEAT the network test with the scan tool.

W26 CHECK FOR CORRECT VDM (Vehicle Dynamics Module) OPERATION

- Disconnect all the VDM (Vehicle Dynamics Module) connectors.

- Check for:
- corrosion

- damaged pins

- pushed-out pins


- Connect all the VDM (Vehicle Dynamics Module) connectors and make sure they seat correctly.

- Operate the system and verify the concern is still present.

Is the concern still present?

Yes
INSTALL a new VDM (Vehicle Dynamics Module). CONNECT all modules. CLEAR the DTCs. REPEAT the network test with the scan tool.

No
The system is operating correctly at this time. The concern may have been caused by a loose or corroded connector. CONNECT all modules. CLEAR the DTCs. REPEAT the network test with the scan tool.

W27 CHECK FOR CORRECT ABS MODULE OPERATION

- Disconnect the ABS module connector.

- Check for:
- corrosion

- damaged pins

- pushed-out pins


- Connect the ABS module connector and make sure it seats correctly.

- Operate the system and verify the concern is still present.

Is the concern still present?

Yes
INSTALL a new ABS module. CONNECT all modules. CLEAR the DTCs. REPEAT the network test with the scan tool.

No
The system is operating correctly at this time. The concern may have been caused by a loose or corroded connector. CONNECT all modules. CLEAR the DTCs. REPEAT the network test with the scan tool.

W28 CHECK FOR CORRECT 4X4 CONTROL MODULE OPERATION

- Disconnect all 4X4 control module connectors.

- Check for:
- corrosion

- damaged pins

- pushed-out pins


- Connect all 4X4 control module connectors and make sure they seat correctly.

- Operate the system and verify the concern is still present.

Is the concern still present?

Yes
INSTALL a new 4X4 control module. CONNECT all modules. CLEAR the DTCs. REPEAT the network test with the scan tool.

No
The system is operating correctly at this time. The concern may have been caused by a loose or corroded connector. CONNECT all modules. CLEAR the DTCs. REPEAT the network test with the scan tool.

W29 CHECK FOR CORRECT RCM (Restraints Control Module) OPERATION

- Disconnect all the RCM (Restraints Control Module) connectors.

- Check for:
- corrosion

- damaged pins

- pushed-out pins


- Connect all the RCM (Restraints Control Module) connectors and make sure they seat correctly.

- Operate the system and verify the concern is still present.

Is the concern still present?

Yes
INSTALL a new RCM (Restraints Control Module). CONNECT all modules. CLEAR the DTCs. REPEAT the network test with the scan tool.

No
The system is operating correctly at this time. The concern may have been caused by a loose or corroded connector. CONNECT all modules. CLEAR the DTCs. REPEAT the network test with the scan tool.

W30 CHECK FOR CORRECT APIM (Accessory Protocol Interface Module) OPERATION

- Disconnect the APIM (Accessory Protocol Interface Module) connector.

- Check for:
- corrosion

- damaged pins

- pushed-out pins


- Connect the APIM (Accessory Protocol Interface Module) connector and make sure it seats correctly.

- Verify the concern is still present.

Is the concern still present?

Yes
INSTALL a new APIM (Accessory Protocol Interface Module). CONNECT all modules. CLEAR the DTCs. REPEAT the network test with the scan tool.

No
The system is operating correctly at this time. CONNECT all modules. The concern may have been caused by a loose or corroded connector. REPEAT the network test with the scan tool.

W31 CHECK FOR CORRECT IC (Instrument Cluster) OPERATION

- Disconnect the IC (Instrument Cluster) connector.

- Check for:
- corrosion

- damaged pins

- pushed-out pins


- Connect the IC (Instrument Cluster) connector and make sure it seats correctly.

- Verify the concern is still present.

Is the concern still present?

Yes
INSTALL a new IC (Instrument Cluster). CONNECT all modules. CLEAR the DTCs. REPEAT the network test with the scan tool.

No
The system is operating correctly at this time. The concern may have been caused by a loose or corroded connector. CONNECT all modules. CLEAR the DTCs. REPEAT the network test with the scan tool.