Curiosii for ever!
: Car repair manuals for everyone.
Home
>>
Lincoln Truck
>>
2012
>>
Navigator 2WD V8-5.4L
>>
Repair and Diagnosis
>>
Diagrams
>>
Exploded Views
>>
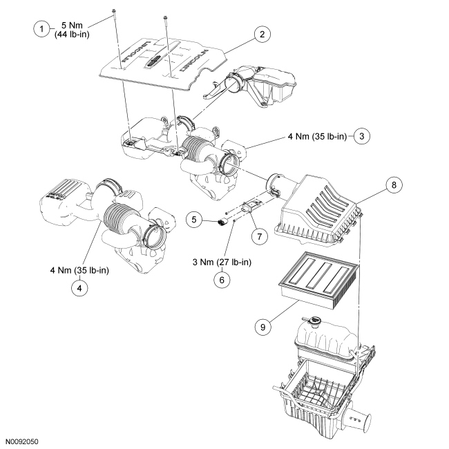
Intake Air Duct
Intake Air Duct
Intake Air System Components - Exploded View