Curiosii for ever!: Car repair manuals for everyone.

Pinpoint Test M: The Front Lighting Control Module (FLM) Does Not Respond To The Scan Tool




Communications Network

Pinpoint Test M: The Front Lighting Control Module (FLM) Does Not Respond To The Scan Tool

Refer to Wiring Diagram Set 14, Module Communications Network for schematic and connector information Electrical Diagrams.

Refer to Wiring Diagram Set 85, Headlamps/Autolamps for schematic and connector information Electrical Diagrams.

Normal Operation

The Front Lighting Control Module (FLM) communicates with the scan tool through the High Speed Controller Area Network (HS-CAN).

This pinpoint test is intended to diagnose the following:

- Fuse

- Wiring, terminals or connectors

- FLM (Front Lighting Control Module)

PINPOINT TEST M : THE FLM (Front Lighting Control Module) DOES NOT RESPOND TO THE SCAN TOOL

NOTICE: Use the correct probe adapter(s) when making measurements. Failure to use the correct probe adapter(s) may damage the connector.

NOTE: Failure to disconnect the battery when instructed results in false resistance readings.

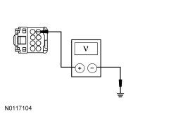
M1 CHECK THE FLM (Front Lighting Control Module) VOLTAGE SUPPLY CIRCUIT FOR AN OPEN

- Ignition OFF.

- Disconnect: FLM (Front Lighting Control Module) C205.

- Ignition ON.

- Measure the voltage between the FLM (Front Lighting Control Module) C205-1, circuit SBP23 (WH/RD), harness side and ground.






Is the voltage greater than 10 volts?

Yes
GO to M2.

No
VERIFY the Body Control Module (BCM) fuse 23 (15A) is OK. If OK, REPAIR the circuit. If not OK, REFER to the Wiring Diagrams to identify the possible causes of the circuit short Electrical Diagrams.
TEST the system for normal operation.

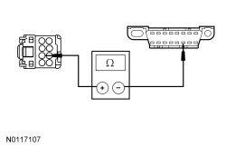
M2 CHECK THE PAM (Parking Aid Module) GROUND CIRCUIT FOR AN OPEN

- Ignition OFF.

- Disconnect: Negative Battery Cable.

- Measure the resistance between the FLM (Front Lighting Control Module) C205-7, circuit GD115 (BK/GY), harness side and ground.






Is the resistance less than 5 ohms?

Yes
GO to M3.

No
REPAIR the circuit. CONNECT the negative battery cable. CLEAR the DTCs. TEST the system for normal operation.

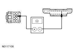
M3 CHECK THE HS-CAN (High Speed Controller Area Network) CIRCUITS BETWEEN THE FLM (Front Lighting Control Module) AND THE DLC (Data Link Connector) FOR AN OPEN

- Measure the resistance between the FLM (Front Lighting Control Module) C205-2, circuit VDB04 (WH/BU), harness side and the DLC (Data Link Connector) C251-6, circuit VDB04 (WH/BU), harness side.






- Measure the resistance between the FLM (Front Lighting Control Module) C205-3, circuit VDB05 (WH), harness side and the DLC (Data Link Connector) C251-14, circuit VDB05 (WH), harness side.






Are the resistances less than 5 ohms?

Yes
CONNECT the negative battery cable. GO to M4.

No
REPAIR the circuit in question. CONNECT the negative battery cable. CLEAR the DTCs. REPEAT the network test with the scan tool.

M4 CHECK FOR CORRECT FLM (Front Lighting Control Module) OPERATION

- Disconnect the FLM (Front Lighting Control Module) connector.

- Check for:
- corrosion

- damaged pins

- pushed-out pins


- Connect the FLM (Front Lighting Control Module) connector and make sure it seats correctly.

- Operate the system and verify the concern is still present.

Is the concern still present?

Yes
INSTALL a new FLM (Front Lighting Control Module). CLEAR the DTCs. REPEAT the network test with the scan tool.

No
The system is operating correctly at this time. The concern may have been caused by a loose or corroded connector. CLEAR the DTCs. REPEAT the network test with the scan tool.