Curiosii for ever!: Car repair manuals for everyone.

Pinpoint Test L: The Audio Digital Signal Processing (DSP) Module Does Not Respond To The Scan Tool




Communications Network

Pinpoint Test L: The Audio Digital Signal Processing (DSP) Module Does Not Respond To The Scan Tool

Refer to Wiring Diagram Set 14, Module Communications Network for schematic and connector information Electrical Diagrams.

Refer to Wiring Diagram Set 130, Audio System/Navigation for schematic and connector information Electrical Diagrams.

Normal Operation

The audio Digital Signal Processing (DSP) module communicates with the scan tool through the HS-CAN (High Speed Controller Area Network). The IPC (Instrument Panel Cluster) is used as a gateway module.

This pinpoint test is intended to diagnose the following:

- Fuse

- Wiring, terminals or connectors

- Audio DSP (Digital Signal Processing) module

PINPOINT TEST L : THE AUDIO DSP (Digital Signal Processing) MODULE DOES NOT RESPOND TO THE SCAN TOOL

NOTICE: Use the correct probe adapter(s) when making measurements. Failure to use the correct probe adapter(s) may damage the connector.

NOTE: Failure to disconnect the battery when instructed results in false resistance readings.

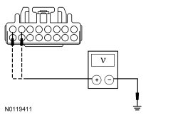
L1 CHECK THE AUDIO DSP (Digital Signal Processing) MODULE VOLTAGE SUPPLY CIRCUITS FOR AN OPEN

- Ignition OFF.

- Disconnect: Audio DSP (Digital Signal Processing) Module C4348C (THX(R) System) or C4326C (Sony(R) System).

- Ignition ON.

- For THX(R) system, measure the voltage between the audio DSP (Digital Signal Processing) module C4348C-11, circuit SBP19 (BU/RD), harness side and ground; and between the audio DSP (Digital Signal Processing) module C4348C-12, circuit SBP19 (BU/RD), harness side and ground.






- For Sony(R) system, measure the voltage between the audio DSP (Digital Signal Processing) module C4326C-7, circuit SBP19 (BU/RD), harness side and ground; and between the audio DSP (Digital Signal Processing) module C4326C-8, circuit SBP19 (BU/RD), harness side and ground.






Are the voltages greater than 10 volts?

Yes
GO to L2.

No
VERIFY the BCM (Body Control Module) fuse 19 (20A) is OK. If OK, REPAIR the circuit in question. If not OK, REFER to the Wiring Diagrams to identify the possible causes of the circuit short Electrical Diagrams. CLEAR the DTCs. REPEAT the network test with the scan tool.

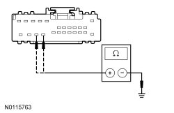
L2 CHECK THE AUDIO DSP (Digital Signal Processing) MODULE GROUND CIRCUITS FOR AN OPEN

- Ignition OFF.

- Disconnect: Negative Battery Cable.

- For the THX(R) system, measure the resistance between the audio DSP (Digital Signal Processing) module C4348C-21, circuit GD148 (BK/YE), harness side and ground; and between the audio DSP (Digital Signal Processing) module C4348C-22, circuit GD148 (BK/YE), harness side and ground.






- For the Sony(R) system measure, the resistance between the audio DSP (Digital Signal Processing) module C4326C-13, circuit GD148 (BK/YE), harness side and ground; and between the audio DSP (Digital Signal Processing) module C4326C-14, circuit GD148 (BK/YE), harness side and ground.






Are the resistances less than 5 ohms?

Yes
GO to L3.

No
REPAIR the circuit in question. CONNECT the negative battery cable. CLEAR the DTCs. REPEAT the network test with the scan tool.

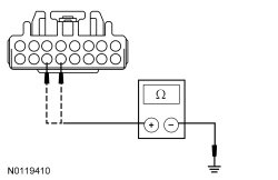
L3 CHECK THE I-CAN (Infotainment Controller Area Network) CIRCUITS BETWEEN THE AUDIO DSP (Digital Signal Processing) MODULE AND THE IPC (Instrument Panel Cluster) FOR AN OPEN

- Disconnect: IPC (Instrument Panel Cluster) C220.

- Disconnect: Audio DSP (Digital Signal Processing) Module C4348A (THX(R) System) C4326A (Sony(R) System).

- For the THX(R) system, measure the resistance between the audio DSP (Digital Signal Processing) module C4348A-11, circuit VDB13 (BU/GY), harness side and the IPC (Instrument Panel Cluster) C220-25, circuit VDB13 (BU/GY), harness side.






- For the THX(R) system, measure the resistance between the audio DSP (Digital Signal Processing) module C4348A-1, circuit VDB14 (VT/GY), harness side and the IPC (Instrument Panel Cluster) C220-26, circuit VDB14 (VT/GY), harness side.






- For the Sony(R) system, measure the resistance between the audio DSP (Digital Signal Processing) module C4346A-1, circuit VDB13 (BU/GY), harness side and the IPC (Instrument Panel Cluster) C220-25, circuit VDB13 (BU/GY), harness side.






- For the Sony(R) system, measure the resistance between the audio DSP (Digital Signal Processing) module C4346A-11, circuit VDB14 (VT/GY), harness side and the IPC (Instrument Panel Cluster) C220-26, circuit VDB14 (VT/GY), harness side.






Are the resistances less than 5 ohms?

Yes
CONNECT the negative battery cable. GO to L4.

No
REPAIR the circuit in question. CONNECT the negative battery cable. CLEAR the DTCs. REPEAT the network test with the scan tool.

L4 CHECK FOR CORRECT AUDIO DSP (Digital Signal Processing) MODULE OPERATION

- Disconnect all the audio DSP (Digital Signal Processing) module connectors.

- Check for:
- corrosion

- damaged pins

- pushed-out pins


- Connect all the audio DSP (Digital Signal Processing) module connectors and make sure they are seated correctly.

- Operate the system and verify the concern is still present.

Is the concern still present?

Yes
INSTALL a new audio DSP (Digital Signal Processing) module. CLEAR the DTCs. REPEAT the network test with the scan tool.

No
The system is operating correctly at this time. The concern may have been caused by a loose or corroded connector. CLEAR the DTCs. REPEAT the network test with the scan tool.