Curiosii for ever!: Car repair manuals for everyone.

Pinpoint Test F: The Occupant Classification System Module (OCSM) Does Not Communicate With the Scan Tool




Communications Network

Pinpoint Test F: The Occupant Classification System Module (OCSM) Does Not Communicate With the Scan Tool

Normal Operation

The Occupant Classification System Module (OCSM) communicates with the scan tool through the High Speed Controller Area Network (HS-CAN).

This pinpoint test is intended to diagnose the following:

- Fuse

- Wiring, terminals or connectors

- OCSM (Occupant Classification System Module)

PINPOINT TEST F : THE OCSM (Occupant Classification System Module) DOES NOT COMMUNICATE WITH THE SCAN TOOL

NOTICE: Use the correct probe adapter(s) when making measurements. Failure to use the correct probe adapter(s) may damage the connector.

NOTE: Failure to disconnect the battery when instructed will result in false resistance readings.

F1 CHECK THE OCSM (Occupant Classification System Module) VOLTAGE SUPPLY CIRCUITS FOR AN OPEN

- Ignition OFF.

- Disconnect: OCSM (Occupant Classification System Module) C3159.

- Ignition ON.

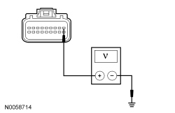
- Measure the voltage between the OCSM (Occupant Classification System Module) C3159-1, circuit CBX02 (BN/RD), harness side and ground.




Is the voltage greater than 10 volts?

Yes
GO to F2.

No
VERIFY the Smart Junction Box (SJB) fuse 46 (7.5A) is OK. If OK, REPAIR the circuit. If not OK, REFER to the Wiring Diagrams to identify the possible causes of the circuit short. CLEAR the DTCs. REPEAT the network test with the scan tool. Electrical Diagrams

F2 CHECK THE OCSM (Occupant Classification System Module) GROUND CIRCUIT FOR AN OPEN

- Ignition OFF.

- Disconnect: Negative Battery Cable.

- Measure the resistance between the OCSM (Occupant Classification System Module) C3159-14, circuit GD901 (BK), harness side and ground.




Is the resistance less than 5 ohms?

Yes
GO to F3.

No
REPAIR the circuit. CONNECT the negative battery cable. CLEAR the DTCs. REPEAT the network test with the scan tool.

F3 CHECK THE HS-CAN (High Speed Controller Area Network) CIRCUITS BETWEEN THE OCSM (Occupant Classification System Module) AND THE DLC (Data Link Connector) FOR AN OPEN

- Measure the resistance between the OCSM (Occupant Classification System Module) C3159-18, circuit VDB04 (WH/BU), harness side and the DLC (Data Link Connector) C251-6, circuit VDB04 (WH/BU), harness side.




- Measure the resistance between the OCSM (Occupant Classification System Module) C3159-9, circuit VDB05 (WH), harness side and the DLC (Data Link Connector) C251-14, circuit VDB05 (WH), harness side.




Are the resistances less than 5 ohms?

Yes
CONNECT the negative battery cable. GO to F4.

No
REPAIR the circuit in question. CONNECT the negative battery cable. CLEAR the DTCs. REPEAT the network test with the scan tool.

F4 CHECK FOR CORRECT OCSM (Occupant Classification System Module) OPERATION

- Disconnect the OCSM (Occupant Classification System Module) connector.

- Check for:
- corrosion

- damaged pins

- pushed-out pins


- Connect the OCSM (Occupant Classification System Module) connector and make sure it seats correctly.

- Operate the system and verify the concern is still present.

Is the concern still present?

Yes
INSTALL a new OCSM (Occupant Classification System Module). REPEAT the network test with the scan tool.

No
The system is operating correctly at this time. The concern may have been caused by a loose or corroded connector.