Curiosii for ever!: Car repair manuals for everyone.

Pinpoint Test AC: The Remote Function Actuator (RFA) Module Does Not Respond To The Scan Tool




Communications Network

Pinpoint Test AC: The Remote Function Actuator (RFA) Module Does Not Respond To The Scan Tool

Normal Operation

The Remote Function Actuator (RFA) module communicates with the scan tool on the Medium Speed Controller Area Network (MS-CAN) but does not communicate with the scan tool on the High Speed Controller Area Network (HS-CAN).

This pinpoint test is intended to diagnose the following:

- Fuse

- Wiring, terminals or connectors

- RFA (Remote Function Actuator) module

PINPOINT TEST AC : THE RFA (Remote Function Actuator) MODULE DOES NOT RESPOND TO THE SCAN TOOL

NOTICE: Use the correct probe adapter(s) when making measurements. Failure to use the correct probe adapter(s) may damage the connector.

NOTE: Failure to disconnect the battery when instructed will result in false resistance readings.

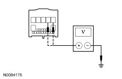
AC1 CHECK THE RFA (Remote Function Actuator) MODULE VOLTAGE SUPPLY CIRCUIT FOR AN OPEN

- Ignition OFF.

- Disconnect: RFA (Remote Function Actuator) Module C2153C (Blue Hardshell).

- Ignition ON.

- Measure the voltage between the RFA (Remote Function Actuator) module C2153C-1, circuit SBP27 (BU/RD), harness side and ground; and between the RFA (Remote Function Actuator) module C2153C-2, circuit SBP12 (GN/RD), harness side and ground.




Is the voltage greater than 10 volts?

Yes
GO to AC2.

No
VERIFY the Smart Junction Box (SJB) fuse 12 (7.5A) or fuse 27 (20A) is OK. If OK, REPAIR the circuit. If not OK, REFER to the Wiring Diagrams to identify the possible causes of the circuit short. CLEAR the DTCs. REPEAT the network test with the scan tool. Electrical Diagrams

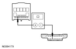
AC2 CHECK THE RFA (Remote Function Actuator) MODULE GROUND CIRCUIT FOR AN OPEN

- Ignition OFF.

- Disconnect: Negative Battery Cable.

- Measure the resistance between the RFA (Remote Function Actuator) module C2153C-4, circuit GD116 (BK/VT), harness side and ground; and between the RFA (Remote Function Actuator) module C2153C-5, circuit GD114 (BK/BU), harness side and ground.




Is the resistance less than 5 ohms?

Yes
GO to AC3.

No
REPAIR the circuit. CONNECT the negative battery cable. CLEAR the DTCs. REPEAT the network test with the scan tool.

AC3 CHECK THE MS-CAN (Medium Speed Controller Area Network) CIRCUITS BETWEEN THE RFA (Remote Function Actuator) MODULE AND THE DLC (Data Link Connector) FOR AN OPEN

- Disconnect: RFA (Remote Function Actuator) Module C2153D (Natural Hardshell).

- Measure the resistance between the RFA (Remote Function Actuator) module C2153D-12, circuit VDB06 (GY/OG), harness side and the DLC (Data Link Connector) C251-3, circuit VDB06 (GY/OG), harness side.




- Measure the resistance between the RFA (Remote Function Actuator) module C2153D-13, circuit VDB07 (VT/OG), harness side and the DLC (Data Link Connector) C251-11, circuit VDB07 (VT/OG), harness side.




Are the resistances less than 5 ohms?

Yes
CONNECT the negative battery cable. GO to AC4.

No
REPAIR the circuit in question. CONNECT the negative battery cable. CLEAR the DTCs. REPEAT the network test with the scan tool.

AC4 CHECK THE HS-CAN (High Speed Controller Area Network) CIRCUITS BETWEEN THE RFA (Remote Function Actuator) MODULE AND THE DLC (Data Link Connector) FOR AN OPEN

- Measure the resistance between the RFA (Remote Function Actuator) module C2153D-21, circuit VDB04 (WH/BU), harness side and the DLC (Data Link Connector) C251-6, circuit VDB04 (WH/BU), harness side.




- Measure the resistance between the RFA (Remote Function Actuator) module C2153D-22, circuit VDB05 (WH), harness side and the DLC (Data Link Connector) C251-14, circuit VDB05 (WH), harness side.




Are the resistances less than 5 ohms?

Yes
CONNECT the negative battery cable. GO to AC5.

No
REPAIR the circuit in question. CONNECT the negative battery cable. CLEAR the DTCs. REPEAT the network test with the scan tool.

AC5 CHECK FOR CORRECT RFA (Remote Function Actuator) MODULE OPERATION

- Disconnect all the RFA (Remote Function Actuator) module connectors.

- Check for:
- corrosion

- damaged pins

- pushed-out pins


- Connect all the RFA (Remote Function Actuator) module connectors and make sure they seat correctly.

- Operate the system and verify the concern is still present.

Is the concern still present?

Yes
INSTALL a new RFA (Remote Function Actuator) module. CLEAR the DTCs. REPEAT the network test with the scan tool.

No
The system is operating correctly at this time. The concern may have been caused by a loose or corroded connector.