Curiosii for ever!: Car repair manuals for everyone.

Information Bus: Description and Operation




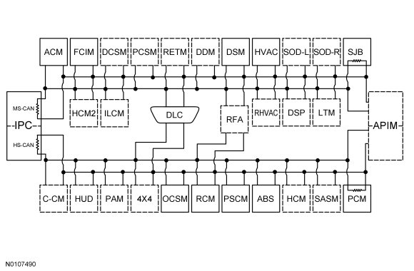
Communications Network

NOTE: The Smart Junction Box (SJB) is also known as the Generic Electronic Module (GEM).

Multiplexing is a method of sending 2 or more signals simultaneously over a single circuit. Multiplexing is used to allow 2 or more electronic modules (nodes) to communicate simultaneously over a twisted-wire pair [data (+) and data (-)] network. The information or messages are communicated on these wires consist of commands, status or data. The advantage of using multiplexing is to reduce the weight of the vehicle by reducing the number of redundant components and electrical wiring.

The vehicle has 2 module communication networks which are connected to the Data Link Connector (DLC), located under the instrument panel:

- High Speed Controller Area Network (HS-CAN)

- Medium Speed Controller Area Network (MS-CAN)

Network Topology










Network Termination And Gateway Function

The Controller Area Network (CAN) uses 120 ohm resistors across the data (+) and data (-) at each end of the network main circuit branch, or "backbone", to improve communication reliability. Typically, the 2 termination resistors are located inside modules referred to as "termination modules". With 2 termination modules on each network, the 120 ohm resistors are arranged in a parallel circuit configuration which makes the total network impedance, or total resistance, 60 ohms.

Network termination improves bus message reliability by:

- stabilizing bus voltage.

- eliminating electrical interference.

The Instrument Panel Cluster (IPC) is the gateway module, translating messages on the HS-CAN (High Speed Controller Area Network) to the MS-CAN (Medium Speed Controller Area Network) and vice versa. This function allows a message to be distributed throughout both networks.