Curiosii for ever!: Car repair manuals for everyone.

Manifold Absolute Pressure (MAP) / Intake Air Temperature 2 (IAT2) Sensor




Manifold Absolute Pressure (MAP) / Intake Air Temperature 2 (IAT2) Sensor













Removal

NOTE: The Turbocharger Boost Pressure (TCBP) /Charge Air Cooler Temperature (CACT) sensor and the Manifold Absolute Pressure (MAP) / Intake Air Temperature 2 (IAT2) sensor are not interchangeable.

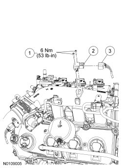
1. Disconnect the MAP (Manifold Absolute Pressure) /IAT2 (Intake Air Temperature 2) sensor electrical connector.

2. Remove the 2 screws and the MAP (Manifold Absolute Pressure) /IAT2 (Intake Air Temperature 2) sensor.

Installation

1. Lubricate the MAP (Manifold Absolute Pressure) /IAT2 (Intake Air Temperature 2) sensor O-ring seal with clean engine oil.

2. Install the MAP (Manifold Absolute Pressure) /IAT2 (Intake Air Temperature 2) sensor and the 2 screws.
- Tighten to 6 Nm (53 lb-in).


3. Connect the MAP (Manifold Absolute Pressure) /IAT2 (Intake Air Temperature 2) sensor electrical connector.