Curiosii for ever!: Car repair manuals for everyone.

Pinpoint Test E: The Restraints Control Module (RCM) Does Not Respond To The Scan Tool




Communications Network

Pinpoint Test E: The Restraints Control Module (RCM) Does Not Respond To The Scan Tool

Normal Operation

The Restraints Control Module (RCM) communicates with the scan tool through the High Speed Controller Area Network (HS-CAN).

This pinpoint test is intended to diagnose the following:

- Fuse

- Wiring, terminals or connectors

- Case ground

- RCM (Restraints Control Module)

PINPOINT TEST E : THE RCM (Restraints Control Module) DOES NOT RESPOND TO THE SCAN TOOL

WARNING: Never probe the electrical connectors on air bag, Safety Canopy(R) or side air curtain modules. Failure to follow this instruction may result in the accidental deployment of these modules, which increases the risk of serious personal injury or death.

WARNING: Never disassemble or tamper with safety belt buckle/retractor pretensioners, adaptive load limiting retractors, safety belt inflators, or probe the electrical connectors. Failure to follow this instruction may result in the accidental deployment of the safety belt pretensioners, adaptive load limiting retractors, or safety belt inflators, which increases the risk of serious personal injury or death.

NOTICE: Use the correct probe adapter(s) when making measurements. Failure to use the correct probe adapter(s) may damage the connector.

NOTE: Failure to disconnect the battery when instructed will result in false resistance readings.

NOTE: The Supplemental Restraint System (SRS) must be fully operational and free of faults before releasing the vehicle to the customer.

E1 CHECK THE RCM (Restraints Control Module) CONNECTION

- Ignition OFF.

- Depower the SRS (Supplemental Restraint System). Refer to Restraints and Safety Systems &/or Air Bag Systems.

- Disconnect: RCM (Restraints Control Module) C310A.

- Disconnect: RCM (Restraints Control Module) C310B.

- Inspect the RCM (Restraints Control Module) connector for damaged, pushed out or corroded pins.

Are RCM (Restraints Control Module) C310A pin 13 and RCM (Restraints Control Module) C310B pins
9 and 10 OK?


Yes
GO to E2.

No
REPAIR the RCM (Restraints Control Module) connector pins as necessary. REPOWER the SRS (Supplemental Restraint System). REFER to Restraints and Safety Systems &/or Air Bag Systems. CLEAR the DTCs. REPEAT the network test with the scan tool.

E2 CHECK THE RCM (Restraints Control Module) VOLTAGE SUPPLY CIRCUIT FOR AN OPEN

- Repower the SRS (Supplemental Restraint System). Refer to Restraints and Safety Systems &/or Air Bag Systems.

- Ignition ON.

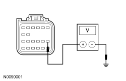
- Measure the voltage between the RCM (Restraints Control Module) C310A-13, circuit CBP32 (GN/VT), harness side and ground.




Is the voltage greater than 10 volts?

Yes
GO to E3.

No
VERIFY the Smart Junction Box (SJB) fuse 32 (10A) is OK. If OK, REPAIR the circuit. If not OK, REFER to the Wiring Diagrams to identify the possible causes of the circuit short. CLEAR the DTCs. REPEAT the network test with the scan tool. Electrical Diagrams

E3 CHECK THE RCM (Restraints Control Module) CASE GROUND

- Ignition OFF.

- Disconnect: Negative Battery Cable.

- Measure the resistance between the RCM (Restraints Control Module) case and a good chassis ground.

Is the resistance less than 5 ohms?

Yes
GO to E4.

No
REPAIR the RCM (Restraints Control Module) case ground as necessary. CONNECT the negative battery cable. CLEAR the DTCs. REPEAT the network test with the scan tool.

E4 CHECK THE HS-CAN (High Speed Controller Area Network) CIRCUITS BETWEEN THE RCM (Restraints Control Module) AND THE DLC (Data Link Connector) FOR AN OPEN

- Measure the resistance between the RCM (Restraints Control Module) C310B-10, circuit VDB04 (WH/BU), harness side and the Data Link Connector (DLC) C251-6, circuit VDB04 (WH/BU), harness side.




- Measure the resistance between the RCM (Restraints Control Module) C310B-9, circuit VDB05 (WH), harness side and the DLC (Data Link Connector) C251-14, circuit VDB05 (WH), harness side.




Are the resistances less than 5 ohms?

Yes
CONNECT the negative battery cable. GO to E5.

No
REPAIR the circuit in question. CONNECT the negative battery cable. CLEAR the DTCs. REPEAT the network test with the scan tool.

E5 CHECK FOR CORRECT RCM (Restraints Control Module) OPERATION

- Disconnect all the RCM (Restraints Control Module) connectors.

- Check for:
- corrosion

- damaged pins

- pushed-out pins


- Connect all the RCM (Restraints Control Module) connectors and make sure they seat correctly.

- Operate the system and verify the concern is still present.

Is the concern still present?

Yes
INSTALL a new RCM (Restraints Control Module). CLEAR the DTCs. REPEAT the network test with the scan tool.

No
The system is operating correctly at this time. The concern may have been caused by a loose or corroded connector.