Curiosii for ever!: Car repair manuals for everyone.

Part 1




Communications Network

Pinpoint Test AF: No High Speed Controller Area Network (HS-CAN) Communication, All Modules Are Not Responding

Normal Operation

The High Speed Controller Area Network (HS-CAN) uses an unshielded twisted pair cable.

This pinpoint test is intended to diagnose the following:

- Wiring, terminals or connectors

- 4X4 control module (if equipped)

- ABS module

- Accessory Protocol Interface Module (APIM) (if equipped)

- Cruise-Control Module (C-CM) (if equipped)

- Headlamp Control Module (HCM) (if equipped)

- Head Up Display (HUD) module (if equipped)

- Instrument Panel Cluster (IPC) (gateway module)

- Occupant Classification System Module (OCSM)

- Parking Aid Module (PAM) (if equipped)

- PCM

- Power Steering Control Module (PSCM) (part of the steering gear)

- Remote Function Actuator (RFA) module (if equipped)

- Restraints Control Module (RCM)

- Steering Angle Sensor Module (SASM) (if equipped)

PINPOINT TEST AF : NO HS-CAN (High Speed Controller Area Network) COMMUNICATION, ALL MODULES ARE NOT RESPONDING

NOTICE: Use the correct probe adapter(s) when making measurements. Failure to use the correct probe adapter(s) may damage the connector.

NOTE: Most faults are due to connector and/or wiring concerns. Carry out a thorough inspection and verification before proceeding with the pinpoint test. Communications Network

NOTE: Failure to disconnect the battery when instructed will result in false resistance readings.

AF1 CHECK THE DLC (Data Link Connector) PINS FOR DAMAGE

- Ignition OFF.

- Disconnect the scan tool cable from the Data Link Connector (DLC).

- Inspect DLC (Data Link Connector) pins 6 and 14 for damage.




Are DLC (Data Link Connector) pins 6 and 14 OK?

Yes
GO to AF2.

No
REPAIR the DLC (Data Link Connector) as necessary. CLEAR the DTCs. REPEAT the network test with the scan tool.

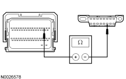
AF2 CHECK THE HS-CAN (High Speed Controller Area Network) TERMINATION RESISTANCE

- Ignition OFF.

- Disconnect: Negative Battery Cable.

- Measure the resistance between the DLC (Data Link Connector) C251-6, circuit VDB04 (WH/BU), harness side and the DLC (Data Link Connector) C251-14, circuit VDB05 (WH), harness side.




Is the resistance between 54 and 66 ohms?

Yes
GO to AF3.

No
GO to AF5.

AF3 CHECK THE HS-CAN (High Speed Controller Area Network) (+) AND HS-CAN (High Speed Controller Area Network) (-) CIRCUITS FOR A SHORT TO GROUND

- Measure the resistance between the DLC (Data Link Connector) C251-6, circuit VDB04 (WH/BU), harness side and ground; and between the DLC (Data Link Connector) C251-14, circuit VDB05 (WH), harness side and ground.




Are the resistances greater than 1,000 ohms?

Yes
GO to AF4.

No
GO to AF27.

AF4 CHECK THE HS-CAN (High Speed Controller Area Network) (+) AND HS-CAN (High Speed Controller Area Network) (-) CIRCUITS FOR A SHORT TO VOLTAGE

- Connect: Negative Battery Cable.

- Ignition ON.

- Measure the voltage between the DLC (Data Link Connector) C251-6, circuit VDB04 (WH/BU), harness side and ground; and between the DLC (Data Link Connector) C251-14, circuit VDB05 (WH), harness side and ground.




Are the voltages greater than 6 volts?

Yes
REPAIR the circuit in question. CLEAR the DTCs. REPEAT the network test with the scan tool.

No
The HS-CAN (High Speed Controller Area Network) has tested within specifications. GO to Pinpoint Test AA to diagnose an intermittent HS-CAN (High Speed Controller Area Network) fault. Pinpoint Test AA: The RETM (Rear Entertainment Module) Does Not Respond To The Scan Tool

AF5 CHECK THE HS-CAN (High Speed Controller Area Network) TERMINATION RESISTOR

- Measure the resistance between the DLC (Data Link Connector) C251-6, circuit VDB04 (WH/BU), harness side and the DLC (Data Link Connector) C251-14, circuit VDB05 (WH), harness side.




Is the resistance between 108 and 132 ohms?

Yes
GO to AF6.

No
GO to AF9.

AF6 CHECK THE HS-CAN (High Speed Controller Area Network) TERMINATION RESISTOR WITH THE PCM DISCONNECTED

- Disconnect: PCM C175B (3.7L).

- Disconnect: PCM C1381B (3.5L GTDI (Gasoline Turbocharged Direct Injection)).

- Measure the resistance between the DLC (Data Link Connector) C251-6, circuit VDB04 (WH/BU), harness side and the DLC (Data Link Connector) C251-14, circuit VDB05 (WH), harness side.




Is the resistance between 108 and 132 ohms?

Yes
GO to AF7.

No
GO to AF8.

AF7 CHECK THE HS-CAN (High Speed Controller Area Network) CIRCUITS BETWEEN THE PCM AND THE DLC (Data Link Connector) FOR AN OPEN

- For 3.7L, measure the resistance between the PCM C175B-2, circuit VDB04 (WH/BU), harness side and the DLC (Data Link Connector) C251-6, circuit VDB04 (WH/BU), harness side.




- For 3.7L, measure the resistance between the PCM C175B-3, circuit VDB05 (WH), harness side and the DLC (Data Link Connector) C251-14, circuit VDB05 (WH), harness side.




- For 3.5L GTDI (Gasoline Turbocharged Direct Injection), measure the resistance between the PCM C1381B-59, circuit VDB04 (WH/BU), harness side and the DLC (Data Link Connector) C251-6, circuit VDB04 (WH/BU), harness side.




- For 3.5L GTDI (Gasoline Turbocharged Direct Injection), measure the resistance between the PCM C1381B-58, circuit VDB05 (WH), harness side and the DLC (Data Link Connector) C251-14, circuit VDB05 (WH), harness side.




Are the resistances less than 5 ohms?

Yes
CONNECT the negative battery cable. GO to AF43.

No
REPAIR the circuit in question. CONNECT the negative battery cable. CLEAR the DTCs. REPEAT the network test with the scan tool.

AF8 CHECK THE HS-CAN (High Speed Controller Area Network) CIRCUITS BETWEEN THE IPC (Instrument Panel Cluster) AND THE DLC (Data Link Connector) FOR AN OPEN

- Disconnect: Instrument Panel Cluster (IPC) C220.

- Measure the resistance between the IPC (Instrument Panel Cluster) C220-25, circuit VDB04 (WH/BU), harness side and the DLC (Data Link Connector) C251-6, circuit VDB04 (WH/BU), harness side.




- Measure the resistance between the IPC (Instrument Panel Cluster) C220-26, circuit VDB05 (WH), harness side and the DLC (Data Link Connector) C251-14, circuit VDB05 (WH), harness side.




Are the resistances less than 5 ohms?

Yes
CONNECT the negative battery cable. GO to AF51.

No
REPAIR the circuit in question. CONNECT the negative battery cable. CLEAR the DTCs. REPEAT the network test with the scan tool.

AF9 CHECK THE HS-CAN (High Speed Controller Area Network) (+) AND HS-CAN (High Speed Controller Area Network) (-) CIRCUITS FOR A SHORT TOGETHER

- Measure the resistance between the DLC (Data Link Connector) C251-6, circuit VDB04 (WH/BU), harness side and the DLC (Data Link Connector) C251-14, circuit VDB05 (WH), harness side.




Is the resistance less than 5 ohms?

Yes
GO to AF11.

No
GO to AF10.

AF10 CHECK THE HS-CAN (High Speed Controller Area Network) (+) AND HS-CAN (High Speed Controller Area Network) (-) CIRCUITS FOR AN OPEN

- Measure the resistance between the DLC (Data Link Connector) C251-6, circuit VDB04 (WH/BU), harness side and the DLC (Data Link Connector) C251-14, circuit VDB05 (WH), harness side.




Is the resistance greater than 10,000 ohms?

Yes
REPAIR the circuit in question. CONNECT the negative battery cable. CLEAR the DTCs. REPEAT the network test with the scan tool.

No
A capacitor internal to a module may still be draining causing irregular resistance readings. WAIT 5 minutes. REPEAT the pinpoint test.

AF11 CHECK THE HS-CAN (High Speed Controller Area Network) (+) AND HS-CAN (High Speed Controller Area Network) (-) CIRCUITS FOR A SHORT TOGETHER WITH THE PCM DISCONNECTED

- Disconnect: PCM C175B (3.7L).

- Disconnect: PCM C1381B (3.5L GTDI (Gasoline Turbocharged Direct Injection)).

- Measure the resistance between the DLC (Data Link Connector) C251-6, circuit VDB04 (WH/BU), harness side and the DLC (Data Link Connector) C251-14, circuit VDB05 (WH), harness side.




Is the resistance less than 5 ohms?

Yes
If the vehicle is equipped with a Parking Aid Module (PAM), GO to AF12.

If the vehicle is not equipped with a PAM (Parking Aid Module), GO to AF13.

No
CONNECT the negative battery cable. GO to AF43.

AF12 CHECK THE HS-CAN (High Speed Controller Area Network) (+) AND HS-CAN (High Speed Controller Area Network) (-) CIRCUITS FOR A SHORT TOGETHER WITH THE PAM (Parking Aid Module) DISCONNECTED

- Disconnect: PAM (Parking Aid Module) C4014.

- Measure the resistance between the DLC (Data Link Connector) C251-6, circuit VDB04 (WH/BU), harness side and the DLC (Data Link Connector) C251-14, circuit VDB05 (WH), harness side.




Is the resistance less than 5 ohms?

Yes
GO to AF13.

No
CONNECT the negative battery cable. GO to AF44.

AF13 CHECK THE HS-CAN (High Speed Controller Area Network) (+) AND HS-CAN (High Speed Controller Area Network) (-) CIRCUITS FOR A SHORT TOGETHER WITH THE ABS MODULE DISCONNECTED

- Disconnect: ABS Module C135.

- Measure the resistance between the DLC (Data Link Connector) C251-6, circuit VDB04 (WH/BU), harness side and the DLC (Data Link Connector) C251-14, circuit VDB05 (WH), harness side.




Is the resistance less than 5 ohms?

Yes
If the vehicle is equipped with a 4X4 control module, GO to AF14.

If the vehicle is not equipped with a 4X4 control module, GO to AF15.

No
CONNECT the negative battery cable. GO to AF45.

AF14 CHECK THE HS-CAN (High Speed Controller Area Network) (+) AND HS-CAN (High Speed Controller Area Network) (-) CIRCUITS FOR A SHORT TOGETHER WITH THE 4X4 CONTROL MODULE DISCONNECTED

- Disconnect: 4X4 Control Module C460.

- Measure the resistance between the DLC (Data Link Connector) C251-6, circuit VDB04 (WH/BU), harness side and the DLC (Data Link Connector) C251-14, circuit VDB05 (WH), harness side.




Is the resistance less than 5 ohms?

Yes
GO to AF15.

No
CONNECT the negative battery cable. GO to AF46.

AF15 CHECK THE HS-CAN (High Speed Controller Area Network) (+) AND HS-CAN (High Speed Controller Area Network) (-) CIRCUITS FOR A SHORT TOGETHER WITH THE RCM (Restraints Control Module) DISCONNECTED

- Disconnect: Restraints Control Module (RCM) C310B.

- Measure the resistance between the DLC (Data Link Connector) C251-6, circuit VDB04 (WH/BU), harness side and the DLC (Data Link Connector) C251-14, circuit VDB05 (WH), harness side.




Is the resistance less than 5 ohms?

Yes
GO to AF16.

No
CONNECT the negative battery cable. GO to AF47.

AF16 CHECK THE HS-CAN (High Speed Controller Area Network) (+) AND HS-CAN (High Speed Controller Area Network) (-) CIRCUITS FOR A SHORT TOGETHER WITH THE RFA (Remote Function Actuator) MODULE DISCONNECTED

- Disconnect: RFA (Remote Function Actuator) Module C2153D.

- Measure the resistance between the DLC (Data Link Connector) C251-6, circuit VDB04 (WH/BU), harness side and the DLC (Data Link Connector) C251-14, circuit VDB05 (WH), harness side.




Is the resistance less than 5 ohms?

Yes
GO to AF17.

No
CONNECT the negative battery cable. GO to AF48.

AF17 CHECK THE HS-CAN (High Speed Controller Area Network) (+) AND HS-CAN (High Speed Controller Area Network) (-) CIRCUITS FOR A SHORT TOGETHER WITH THE OCSM (Occupant Classification System Module) DISCONNECTED

- Disconnect: Occupant Classification System Module (OCSM) C3159.

- Measure the resistance between the DLC (Data Link Connector) C251-6, circuit VDB04 (WH/BU), harness side and the DLC (Data Link Connector) C251-14, circuit VDB05 (WH), harness side.




Is the resistance less than 5 ohms?

Yes
If the vehicle is equipped with a Cruise-Control Module (C-CM), GO to AF18.

If the vehicle is not equipped with a C-CM (Cruise-Control Module), GO to AF19.

No
CONNECT the negative battery cable. GO to AF49.

AF18 CHECK THE HS-CAN (High Speed Controller Area Network) (+) AND HS-CAN (High Speed Controller Area Network) (-) CIRCUITS FOR A SHORT TOGETHER WITH THE C-CM (Cruise-Control Module) DISCONNECTED

- Disconnect: C-CM (Cruise-Control Module) C1582.

- Measure the resistance between the DLC (Data Link Connector) C251-6, circuit VDB04 (WH/BU), harness side and the DLC (Data Link Connector) C251-14, circuit VDB05 (WH), harness side.




Is the resistance less than 5 ohms?

Yes
GO to AF19.

No
CONNECT the negative battery cable. GO to AF50.

AF19 CHECK THE HS-CAN (High Speed Controller Area Network) (+) AND HS-CAN (High Speed Controller Area Network) (-) CIRCUITS FOR A SHORT TOGETHER WITH THE IPC (Instrument Panel Cluster) DISCONNECTED

- Disconnect: IPC (Instrument Panel Cluster) C220.

- Measure the resistance between the DLC (Data Link Connector) C251-6, circuit VDB04 (WH/BU), harness side and the DLC (Data Link Connector) C251-14, circuit VDB05 (WH), harness side.




Is the resistance less than 5 ohms?

Yes
If the vehicle is equipped with an Accessory Protocol Interface Module (APIM), GO to AF20.

If the vehicle is not equipped with an APIM (Accessory Protocol Interface Module), GO to AF21.

No
CONNECT the negative battery cable. GO to AF51.

AF20 CHECK THE HS-CAN (High Speed Controller Area Network) (+) AND HS-CAN (High Speed Controller Area Network) (-) CIRCUITS FOR A SHORT TOGETHER WITH THE APIM (Accessory Protocol Interface Module) DISCONNECTED

- Disconnect: APIM (Accessory Protocol Interface Module) C3342.

- Measure the resistance between the DLC (Data Link Connector) C251-6, circuit VDB04 (WH/BU), harness side and the DLC (Data Link Connector) C251-14, circuit VDB05 (WH), harness side.




Is the resistance less than 5 ohms?

Yes
GO to AF21.

No
CONNECT the negative battery cable. GO to AF52.

AF21 CHECK THE HS-CAN (High Speed Controller Area Network) (+) AND HS-CAN (High Speed Controller Area Network) (-) CIRCUITS FOR A SHORT TOGETHER WITH THE PSCM (Power Steering Control Module) DISCONNECTED

- Disconnect: Power Steering Control Module (PSCM) C1467A.

- Measure the resistance between the DLC (Data Link Connector) C251-6, circuit VDB04 (WH/BU), harness side and the DLC (Data Link Connector) C251-14, circuit VDB05 (WH), harness side.




Is the resistance less than 5 ohms?

Yes
If the vehicle is equipped with a Head Up Display (HUD) module, GO to AF22.

If the vehicle is not equipped with a HUD (Head Up Display) module, GO to AF23.

No
CONNECT the negative battery cable. GO to AF53.

AF22 CHECK THE HS-CAN (High Speed Controller Area Network) (+) AND HS-CAN (High Speed Controller Area Network) (-) CIRCUITS FOR A SHORT TOGETHER WITH THE HUD (Head Up Display) MODULE DISCONNECTED

- Disconnect: HUD (Head Up Display) Module C2395.

- Measure the resistance between the DLC (Data Link Connector) C251-6, circuit VDB04 (WH/BU), harness side and the DLC (Data Link Connector) C251-14, circuit VDB05 (WH), harness side.




Is the resistance less than 5 ohms?

Yes
GO to AF23.

No
CONNECT the negative battery cable. GO to AF54.

AF23 VERIFY VEHICLE EQUIPMENT - SASM (Steering Angle Sensor Module)

- Inspect the vehicle for a Steering Angle Sensor Module (SASM).

Is the vehicle equipped with a SASM (Steering Angle Sensor Module)?

Yes
GO to AF24.

No
GO to AF25.

AF24 CHECK THE HS-CAN (High Speed Controller Area Network) (+) AND HS-CAN (High Speed Controller Area Network) (-) CIRCUITS FOR A SHORT TOGETHER WITH THE SASM (Steering Angle Sensor Module) DISCONNECTED

- Disconnect: SASM (Steering Angle Sensor Module) C2412.

- Measure the resistance between the DLC (Data Link Connector) C251-6, circuit VDB04 (WH/BU), harness side and the DLC (Data Link Connector) C251-14, circuit VDB05 (WH), harness side.




Is the resistance less than 5 ohms?

Yes
GO to AF25.

No
CONNECT the negative battery cable. GO to AF55.

AF25 VERIFY VEHICLE EQUIPMENT - HCM (Headlamp Control Module)

- Inspect the vehicle for a Headlamp Control Module (HCM).

Is the vehicle equipped with a HCM (Headlamp Control Module)?

Yes
GO to AF26.

No
REPAIR the circuits. CONNECT all modules. CONNECT the negative battery cable. CLEAR the DTCs. REPEAT the network test with the scan tool.

AF26 CHECK THE HS-CAN (High Speed Controller Area Network) (+) AND HS-CAN (High Speed Controller Area Network) (-) CIRCUITS FOR A SHORT TOGETHER WITH THE HCM (Headlamp Control Module) DISCONNECTED

- Disconnect: HCM (Headlamp Control Module) C1600.

- Measure the resistance between the DLC (Data Link Connector) C251-6, circuit VDB04 (WH/BU), harness side and the DLC (Data Link Connector) C251-14, circuit VDB05 (WH), harness side.




Is the resistance less than 5 ohms?

Yes
REPAIR the circuits. CONNECT all modules. CONNECT the negative battery cable. CLEAR the DTCs. REPEAT the network test with the scan tool.

No
CONNECT the negative battery cable. GO to AF56.

AF27 CHECK THE HS-CAN (High Speed Controller Area Network) (+) AND HS-CAN (High Speed Controller Area Network) (-) CIRCUITS FOR A SHORT TO GROUND WITH THE PCM DISCONNECTED

- Disconnect: PCM C175B (3.7L).

- Disconnect: PCM C175B (3.5L GTDI (Gasoline Turbocharged Direct Injection)).

- Measure the resistance between the DLC (Data Link Connector) C251-6, circuit VDB04 (WH/BU), harness side and the DLC (Data Link Connector) C251-14, circuit VDB05 (WH), harness side.




Is the resistance less than 5 ohms?

Yes
CONNECT the negative battery cable. GO to AF43.

No
If the vehicle is equipped with a PAM (Parking Aid Module), GO to AF28.

If the vehicle is not equipped with a PAM (Parking Aid Module), GO to AF29.

AF28 CHECK THE HS-CAN (High Speed Controller Area Network) (+) AND HS-CAN (High Speed Controller Area Network) (-) CIRCUITS FOR A SHORT TO GROUND WITH THE PAM (Parking Aid Module) DISCONNECTED

- Disconnect: PAM (Parking Aid Module) C4014.

- Measure the resistance between the DLC (Data Link Connector) C251-6, circuit VDB04 (WH/BU), harness side and ground; and between the DLC (Data Link Connector) C251-14, circuit VDB05 (WH), harness side and ground.




Are the resistances greater than 1,000 ohms?

Yes
CONNECT the negative battery cable. GO to AF44.

No
GO to AF29.

AF29 CHECK THE HS-CAN (High Speed Controller Area Network) (+) AND HS-CAN (High Speed Controller Area Network) (-) CIRCUITS FOR A SHORT TO GROUND WITH THE ABS MODULE DISCONNECTED

- Disconnect: ABS Module C135.

- Measure the resistance between the DLC (Data Link Connector) C251-6, circuit VDB04 (WH/BU), harness side and ground; and between the DLC (Data Link Connector) C251-14, circuit VDB05 (WH), harness side and ground.




Are the resistances greater than 1,000 ohms?

Yes
CONNECT the negative battery cable. GO to AF45.

No
If the vehicle is equipped with a 4X4 control module, GO to AF30.

If the vehicle is not equipped with a 4X4 control module, GO to AF31.