Curiosii for ever!: Car repair manuals for everyone.

Pinpoint Test AB: The RHVAC (Rear Heating Ventilation Air Conditioning) Module Does Not Respond To The Scan Tool




Communications Network

Pinpoint Test AB: The RHVAC (Rear Heating Ventilation Air Conditioning) Module Does Not Respond To The Scan Tool

Normal Operation

The Rear Heating Ventilation Air Conditioning (RHVAC) module communicates with the scan tool through the Medium Speed Controller Area Network (MS-CAN).

This pinpoint test is intended to diagnose the following:

- Fuse

- Wiring, terminals or connectors

- RHVAC (Rear Heating Ventilation Air Conditioning) module

PINPOINT TEST AB : THE RHVAC (Rear Heating Ventilation Air Conditioning) MODULE DOES NOT RESPOND TO THE SCAN TOOL

NOTICE: Use the correct probe adapter(s) when making measurements. Failure to use the correct probe adapter(s) may damage the connector.

AB1 CHECK THE RHVAC (Rear Heating Ventilation Air Conditioning) MODULE VOLTAGE SUPPLY CIRCUIT FOR AN OPEN

- Ignition OFF.

- Disconnect: Rear Heating Ventilation Air Conditioning (RHVAC) Module C3198.

- Ignition ON.

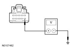
- Measure the voltage between the RHVAC (Rear Heating Ventilation Air Conditioning) module C3198-6, circuit SBP16 (VT/RD), harness side and ground.




Is the voltage greater than 10 volts?

Yes
GO to AB2.

No
VERIFY the Smart Junction Box (SJB) fuse 16 (15A) is OK. If OK, REPAIR the circuit in question. If not OK, REFER to the Wiring Diagrams to identify the possible causes of the circuit short. CLEAR the DTCs. REPEAT the network test with the scan tool. Electrical Diagrams

AB2 CHECK THE RHVAC (Rear Heating Ventilation Air Conditioning) MODULE GROUND CIRCUIT FOR AN OPEN

- Ignition OFF.

- Measure the resistance between the RHVAC (Rear Heating Ventilation Air Conditioning) module C3198-5, circuit GD114 (BK/BU), harness side and ground.




Is the resistance less than 5 ohms?

Yes
GO to AB3.

No
REPAIR the circuit. CLEAR the DTCs. REPEAT the network test with the scan tool.

AB3 CHECK THE MS-CAN (Medium Speed Controller Area Network) CIRCUITS BETWEEN THE RHVAC (Rear Heating Ventilation Air Conditioning) MODULE AND THE DLC (Data Link Connector) FOR AN OPEN

- Measure the resistance between the RHVAC (Rear Heating Ventilation Air Conditioning) module C3198-1, circuit VDB06 (GY/OG), harness side and the DLC (Data Link Connector) C251-3, circuit VDB06 (GY/OG), harness side.




- Measure the resistance between the RHVAC (Rear Heating Ventilation Air Conditioning) module C3198-2, circuit VDB07 (VT/OG), harness side and the DLC (Data Link Connector) C251-11, circuit VDB07 (VT/OG), harness side.




Are the resistances less than 5 ohms?

Yes
GO to AB4.

No
REPAIR the circuit in question. CLEAR the DTCs. REPEAT the network test with the scan tool.

AB4 CHECK FOR CORRECT RHVAC (Rear Heating Ventilation Air Conditioning) MODULE OPERATION

- Disconnect the RHVAC (Rear Heating Ventilation Air Conditioning) module connector.

- Check for:
- corrosion

- damaged pins

- pushed-out pins


- Connect the RHVAC (Rear Heating Ventilation Air Conditioning) module connector and make sure it seats correctly.

- Operate the system and verify the concern is still present.

Is the concern still present?

Yes
INSTALL a new RHVAC (Rear Heating Ventilation Air Conditioning) module. CLEAR the DTCs. REPEAT the network test with the scan tool.

No
The system is operating correctly at this time. The concern may have been caused by a loose or corroded connector.