Curiosii for ever!: Car repair manuals for everyone.

Pinpoint Test J: The Audio System Does Not Operate Correctly From The Front Display Interface Module (FDIM)




Information and Entertainment System

Pinpoint Test J: The Audio System Does Not Operate Correctly From The Front Display Interface Module (FDIM)

Normal Operation

The Front Display Interface Module (FDIM) touchscreen sends a voltage signal to the Audio Control Module (ACM) when a touch sector is pressed. The ACM (Audio Control Module) then takes the appropriate action, which can be a change in the audio system setting or broadcasting the information to the appropriate module through the Medium Speed Controller Area Network (MS-CAN).

- DTC U0162:00 (Lost Communication With Navigation Display Module: No Sub Type Information)- set by the ACM (Audio Control Module) if it does not detect the FDIM (Front Display Interface Module) for greater than 5 seconds with the ignition in the RUN position. When this occurs, the touchscreen controls are inoperative and the FDIM (Front Display Interface Module) may not display correct (if any) information.

This pinpoint test is intended to diagnose the following:

- Wiring, terminals or connectors

- FDIM (Front Display Interface Module)

- ACM (Audio Control Module)

PINPOINT TEST J : THE AUDIO SYSTEM DOES NOT OPERATE CORRECTLY FROM THE FDIM (Front Display Interface Module)

NOTICE: Use the correct probe adapter(s) when making measurements. Failure to use the correct probe adapter(s) may damage the connector.

J1 OBSERVE THE FDIM (Front Display Interface Module) DISPLAY

- Turn the audio system on and observe the FDIM (Front Display Interface Module) screen.

Is the FDIM (Front Display Interface Module) display completely inoperative?

Yes
GO to Pinpoint Test I. Pinpoint Test I: The Front Display Interface Module (FDIM) Is Completely Inoperative

No
GO to J2.

J2 CHECK FOR AUDIO SYSTEM OPERATION FROM THE FCIM (Front Controls Interface Module)

- Carry out various audio system functions using the Front Controls Interface Module (FCIM).

Does the audio system operate correctly from the FCIM (Front Controls Interface Module)?

Yes
GO to J3.

No
GO to Pinpoint Test F. Pinpoint Test F: The Audio System Does Not Operate Correctly From The Front Controls Interface Module (FCIM)

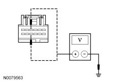
J3 CHECK THE TOUCHSCREEN TRANSMIT AND RECEIVE CIRCUITS FOR A SHORT TO VOLTAGE

- Ignition OFF.

- Disconnect: FDIM (Front Display Interface Module) C2123.

- Disconnect: ACM (Audio Control Module) C240D.

- Ignition ON.

- Measure the voltage between the FDIM (Front Display Interface Module) C2123-4, circuit CMN26 (BU/OG), harness side and ground; and between the FDIM (Front Display Interface Module) C2123-10, circuit CMN24 (GY/VT), harness side and ground.




Is any voltage present?

Yes
REPAIR the circuit in question. CLEAR any DTCs present. TEST the system for normal operation.

No
GO to J4.

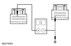
J4 CHECK THE TOUCHSCREEN TRANSMIT AND RECEIVE CIRCUITS FOR AN OPEN OR SHORT TO GROUND

- Ignition OFF.

- Measure the resistance between the FDIM (Front Display Interface Module) C2123-4, circuit CMN26 (BU/OG), harness side and the ACM (Audio Control Module) C240B-10, circuit CMN26 (BU/OG), harness side; and between the FDIM (Front Display Interface Module) C2123-4, circuit CMN26 (BU/OG), harness side and ground.




- Measure the resistance between the FDIM (Front Display Interface Module) C2123-10, circuit CMN24 (GY/VT), harness side and the ACM (Audio Control Module) C240B-5, circuit CMN24 (GY/VT), harness side; and between the FDIM (Front Display Interface Module) C2123-10, circuit CMN24 (GY/VT), harness side and ground.




Is the resistance less than 5 ohms between the FDIM (Front Display Interface Module) and the ACM (Audio Control Module), and greater than 10,000 ohms between the FDIM (Front Display Interface Module) and ground?

Yes
GO to J5.

No
REPAIR the circuit in question. CLEAR any DTCs present. TEST the system for normal operation.

J5 ISOLATE THE FDIM (Front Display Interface Module)

- Connect: ACM (Audio Control Module) C240D.

- Install a new FDIM (Front Display Interface Module). Refer to Front Display Interface Module (FDIM) .

- Ignition ON.

- Attempt various commands from the FDIM (Front Display Interface Module) touchscreen.

Does the system operate correctly?

Yes
The cause of the concern was an inoperative FDIM (Front Display Interface Module). The system is now operating correctly.

No
GO to J6.

J6 CHECK FOR CORRECT ACM (Audio Control Module) OPERATION

- Ignition OFF.

- Disconnect all the ACM (Audio Control Module) connectors.

- Check for:
- corrosion

- damaged pins

- pushed-out pins


- Connect all the ACM (Audio Control Module) connectors and make sure they seat correctly.

- Operate the system and determine if the concern is still present.

Is the concern still present?

Yes
INSTALL a new ACM (Audio Control Module). REFER to Audio Control Module (ACM) . TEST the system for normal operation.

No
The system is operating correctly at this time. The concern may have been caused by a loose or corroded connector.