Pinpoint Test P: The Global Positioning System Module (GPSM) Does Not Respond To The Scan Tool
Communications Network
Pinpoint Test P: The Global Positioning System Module (GPSM) Does Not Respond To The Scan Tool
Normal Operation
The Global Positioning System Module (GPSM) communicates with the scan tool through the Medium Speed Controller Area Network (MS-CAN).
This pinpoint test is intended to diagnose the following:
- Fuse
- Wiring, terminals or connectors
- GPSM (Global Positioning System Module)
PINPOINT TEST P : THE GPSM (Global Positioning System Module) DOES NOT RESPOND TO THE SCAN TOOL
NOTICE: Use the correct probe adapter(s) when making measurements. Failure to use the correct probe adapter(s) may damage the connector.
NOTE: Failure to disconnect the battery when instructed results in false resistance readings.
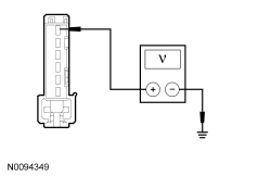
P1 CHECK THE GPSM (Global Positioning System Module) VOLTAGE SUPPLY CIRCUIT FOR AN OPEN
- Ignition OFF.
- Disconnect: GPSM (Global Positioning System Module) C2398.
- Ignition ON.
- Measure the voltage between the GPSM (Global Positioning System Module) C2398-1, circuit SBP26 (YE/RD), harness side and ground.
Is the voltage greater than 10 volts?
Yes
GO to P2.
No
VERIFY the Body Control Module (BCM) fuse 26 (5A) is OK. If OK, REPAIR the circuit. If not OK, REFER to the Wiring Diagrams to identify the possible causes of the circuit short [1][2]Diagrams By Number. CLEAR the DTCs. REPEAT the network test with the scan tool.
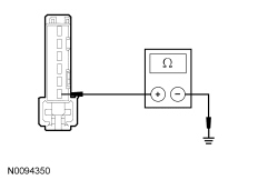
P2 CHECK THE GPSM (Global Positioning System Module) GROUND CIRCUIT FOR AN OPEN
- Ignition OFF.
- Disconnect: Negative Battery Cable.
- Measure the resistance between the GPSM (Global Positioning System Module) C2398-6, circuit GD114 (BK/BU), harness side and ground.
Is the resistance less than 5 ohms?
Yes
GO to P3.
No
REPAIR the circuit. CONNECT the negative battery cable. CLEAR the DTCs. REPEAT the network test with the scan tool.
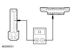
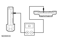
P3 CHECK THE MS-CAN (Medium Speed Controller Area Network) CIRCUITS BETWEEN THE GPSM (Global Positioning System Module) AND THE DLC (Data Link Connector) FOR AN OPEN
- Measure the resistance between the GPSM (Global Positioning System Module) C2398-2, circuit VDB06 (GY/OG), harness side and the DLC (Data Link Connector) C251-3, circuit VDB06 (GY/OG), harness side.
- Measure the resistance between the GPSM (Global Positioning System Module) C2398-3, circuit VDB07 (VT/OG), harness side and the DLC (Data Link Connector) C251-11, circuit VDB07 (VT/OG), harness side.
Are the resistances less than 5 ohms?
Yes
CONNECT the negative battery cable. GO to P4.
No
REPAIR the circuit in question. CONNECT the negative battery cable. CLEAR the DTCs. REPEAT the network test with the scan tool.
P4 CHECK FOR CORRECT GPSM (Global Positioning System Module) OPERATION
- Disconnect the GPSM (Global Positioning System Module) connector.
- Check for:
- corrosion
- damaged pins
- pushed-out pins
- Connect the GPSM (Global Positioning System Module) connector and make sure it seats correctly.
- Operate the system and verify the concern is still present.
Is the concern still present?
Yes
INSTALL a new GPSM (Global Positioning System Module). CLEAR the DTCs. REPEAT the network test with the scan tool.
No
The system is operating correctly at this time. The concern may have been caused by a loose or corroded connector. CLEAR the DTCs. REPEAT the network test with the scan tool.