Curiosii for ever!: Car repair manuals for everyone.

Pinpoint Test J: The HVAC Module Does Not Respond To The Scan Tool




Communications Network

Pinpoint Test J: The HVAC Module Does Not Respond To The Scan Tool

Normal Operation

The HVAC module communicates with the scan tool through the Medium Speed Controller Area Network (MS-CAN).

This pinpoint test is intended to diagnose the following:

- Fuse

- Wiring, terminals or connectors

- HVAC module - EMTC (Electronic Manual Temperature Control)

- HVAC module - DATC (Dual Automatic Temperature Control)

PINPOINT TEST J : THE HVAC MODULE DOES NOT RESPOND TO THE SCAN TOOL

NOTICE: Use the correct probe adapter(s) when making measurements. Failure to use the correct probe adapter(s) may damage the connector.

NOTE: Failure to disconnect the battery when instructed results in false resistance readings.

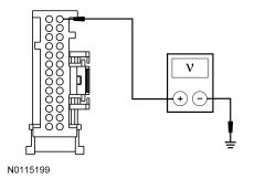
J1 CHECK THE HVAC MODULE VOLTAGE SUPPLY CIRCUIT FOR AN OPEN

- Ignition OFF.

- Disconnect: HVAC Module C2357 (EMTC (Electronic Manual Temperature Control)) or C228A (Dual Automatic Temperature Control (DATC)).

- Ignition ON.

- Measure the voltage between the HVAC module C2357-26 (EMTC (Electronic Manual Temperature Control)) C228A-26 (DATC (Dual Automatic Temperature Control)), circuit SBP46 (BN/RD), harness side and ground.






Is the voltage greater than 10 volts?

Yes
GO to J2.

No
VERIFY the BCM (Body Control Module) fuse 46 (10A) is OK. If OK, REPAIR the circuit. If not OK, REFER to the Wiring Diagrams to identify the possible causes of the circuit short [1][2]Diagrams By Number. CLEAR the DTCs. REPEAT the network test with the scan tool.

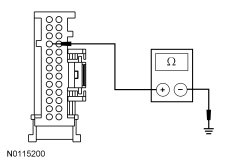
J2 CHECK THE HVAC MODULE GROUND CIRCUIT FOR AN OPEN

- Ignition OFF.

- Disconnect: Negative Battery Cable.

- Measure the resistance between the HVAC module C2357-10 (EMTC (Electronic Manual Temperature Control)) C228A-10 (DATC (Dual Automatic Temperature Control)), circuit GD115 (BK/GY), harness side and ground.






Is the resistance less than 5 ohms?

Yes
GO to J3.

No
REPAIR the circuit. CONNECT the negative battery cable. CLEAR the DTCs. REPEAT the network test with the scan tool.

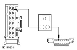
J3 CHECK THE MS-CAN (Medium Speed Controller Area Network) CIRCUITS BETWEEN THE HVAC MODULE AND THE DLC (Data Link Connector) FOR AN OPEN

- Measure the resistance between the HVAC module C2357-12 (EMTC (Electronic Manual Temperature Control)) C228A-12 (DATC (Dual Automatic Temperature Control)), circuit VDB06 (GY/OG), harness side and the DLC (Data Link Connector) C251-3, circuit VDB06 (GY/OG), harness side.






- Measure the resistance between the HVAC module C2357-13 (EMTC (Electronic Manual Temperature Control)) C228A-13 (DATC (Dual Automatic Temperature Control)), circuit VDB07 (VT/OG), harness side and the DLC (Data Link Connector) C251-11, circuit VDB07 (VT/OG), harness side.






Are the resistances less than 5 ohms?

Yes
CONNECT the negative battery cable. GO to J4.

No
REPAIR the circuit in question. CONNECT the negative battery cable. CLEAR the DTCs. REPEAT the network test with the scan tool.

J4 CHECK FOR CORRECT HVAC MODULE OPERATION

- Disconnect all the HVAC module connectors.

- Check for:
- corrosion

- damaged pins

- pushed-out pins


- Connect all the HVAC module connectors and make sure they are seated correctly.

- Operate the system and verify the concern is still present.

Is the concern still present?

Yes
INSTALL a new HVAC module. CLEAR the DTCs. REPEAT the network test with the scan tool.

No
The system is operating correctly at this time. The concern may have been caused by a loose or corroded connector. CLEAR the DTCs. REPEAT the network test with the scan tool.