Pinpoint Test I: The Body Control Module (BCM) Does Not Respond To The Scan Tool
Communications Network
Pinpoint Test I: The Body Control Module (BCM) Does Not Respond To The Scan Tool
Normal Operation
The Body Control Module (BCM) communicates with the scan tool through the High Speed Controller Area Network (HS-CAN) and communicates with the other modules through the Medium Speed Controller Area Network (MS-CAN).
This pinpoint test is intended to diagnose the following:
- Fuse
- Wiring, terminals or connectors
- BCM (Body Control Module)
PINPOINT TEST I : THE BCM (Body Control Module) DOES NOT RESPOND TO THE SCAN TOOL
NOTICE: Use the correct probe adapter(s) when making measurements. Failure to use the correct probe adapter(s) may damage the connector.
NOTE: Failure to disconnect the battery when instructed results in false resistance readings.
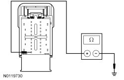
I1 CHECK THE HS-CAN (High Speed Controller Area Network) TERMINATION RESISTANCE
- Ignition OFF.
- Disconnect: Negative Battery Cable.
- Disconnect the scan tool cable from the Data Link Connector (DLC).
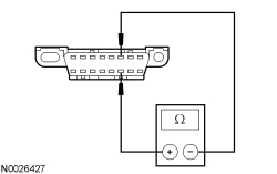
- Measure the resistance between the DLC (Data Link Connector) C251-6, circuit VDB04 (WH/BU), harness side and the DLC (Data Link Connector) C251-14, circuit VDB05 (WH), harness side.
Is the resistance between 54 and 66 ohms?
Yes
Visually inspect BCM (Body Control Module) fuse 18 (10A). If OK, GO to I2. If not OK, REFER to the Wiring Diagrams to identify the possible causes of the circuit short [1][2]Diagrams By Number. CLEAR the DTCs. REPEAT the network test with the scan tool. CONNECT the negative battery cable.
No
GO to I3.
I2 CHECK THE BCM (Body Control Module) GROUND CIRCUIT FOR AN OPEN
- Disconnect: BCM (Body Control Module) C2280D.
- Measure the resistance between the BCM (Body Control Module) C2280D-25, circuit GD133 (BK) harness side and ground.
Is the resistance less than 5 ohms?
Yes
GO to I3.
No
REPAIR the circuit. CONNECT the negative battery cable. CLEAR the DTCs. REPEAT the network test with the scan tool.
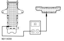
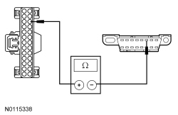
I3 CHECK THE HS-CAN (High Speed Controller Area Network) CIRCUITS BETWEEN THE BCM (Body Control Module) AND THE DLC (Data Link Connector) FOR AN OPEN
- Disconnect: BCM (Body Control Module) C2280F.
- Measure the resistance between the BCM (Body Control Module) C2280F-16, circuit VDB04 (WH/BU), harness side and the Data Link Connector (DLC) C251-6, circuit VDB04 (WH/BU), harness side.
- Measure the resistance between the BCM (Body Control Module) C2280F-17, circuit VDB05 (WH), harness side and the DLC (Data Link Connector) C251-14, circuit VDB05 (WH), harness side.
Are the resistances less than 5 ohms?
Yes
GO to I4.
No
REPAIR the circuit in question. CONNECT the negative battery cable. CLEAR the DTCs. REPEAT the network test with the scan tool.
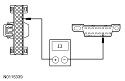
I4 CHECK THE MS-CAN (Medium Speed Controller Area Network) CIRCUITS BETWEEN THE BCM (Body Control Module) AND THE DLC (Data Link Connector) FOR AN OPEN
- Measure the resistance between the BCM (Body Control Module) C2280B-38, circuit VDB06 (GY/OG), harness side and the Data Link Connector (DLC) C251-3, circuit VDB06 (GY/OG), harness side.
- Measure the resistance between the BCM (Body Control Module) C2280B-39, circuit VDB07 (VT/OG), harness side and the DLC (Data Link Connector) C251-11, circuit VDB07 (VT/OG), harness side.
Are the resistances less than 5 ohms?
Yes
CONNECT the negative battery cable. GO to I5.
No
REPAIR the circuit in question in question. CONNECT the negative battery cable. CLEAR the DTCs. REPEAT the network test with the scan tool.
I5 CHECK FOR CORRECT BCM (Body Control Module) OPERATION
- Disconnect all the BCM (Body Control Module) connectors.
- Check for:
- corrosion
- damaged pins
- pushed-out pins
- Connect all the BCM (Body Control Module) connectors and make sure they are seated correctly.
- Operate the system and verify the concern is still present.
Is the concern still present?
Yes
INSTALL a new BCM (Body Control Module). CLEAR the DTCs. REPEAT the network test with the scan tool.
No
The system is operating correctly at this time. The concern may have been caused by a loose or corroded connector.