Pinpoint Test C: The Restraints Control Module (RCM) Does Not Respond To The Scan Tool
Communications Network
Pinpoint Test C: The Restraints Control Module (RCM) Does Not Respond To The Scan Tool
Normal Operation
The Restraints Control Module (RCM) communicates with the scan tool through the High Speed Controller Area Network (HS-CAN).
This pinpoint test is intended to diagnose the following:
- Fuse
- Wiring, terminals or connectors
- Case ground open
- RCM (Restraints Control Module)
PINPOINT TEST C : THE RCM (Restraints Control Module) DOES NOT RESPOND TO THE SCAN TOOL
WARNING: Never disassemble or tamper with safety belt buckle/retractor pretensioners, adaptive load limiting retractors, safety belt inflators, or probe the electrical connectors. Failure to follow this instruction may result in the accidental deployment of the safety belt pretensioners, adaptive load limiting retractors, or safety belt inflators, which increases the risk of serious personal injury or death.
WARNING: Never probe the electrical connectors on air bag, Safety Canopy(R) or side air curtain modules. Failure to follow this instruction may result in the accidental deployment of these modules, which increases the risk of serious personal injury or death.
NOTE: The Supplemental Restraint System (SRS) must be fully operational and free of faults before releasing the vehicle to the customer.
NOTE: Most faults are due to connector and/or wiring concerns. Carry out a thorough inspection and verification before proceeding with the pinpoint test. Communications Network
NOTE: Failure to disconnect the battery when instructed results in false resistance readings.
C1 CHECK THE RCM (Restraints Control Module) CONNECTION
- Ignition OFF.
- Depower the SRS (Supplemental Restraint System). Refer to Restraints and Safety Systems &/or Air Bag Systems.
- Disconnect: RCM (Restraints Control Module) C310A.
- Disconnect: RCM (Restraints Control Module) C310B.
Are RCM (Restraints Control Module) C310A pin 13 and RCM (Restraints Control Module) C310B pins 9 and 10 OK?
Yes
GO to C2.
No
REPAIR the RCM (Restraints Control Module) connector pins as necessary. REPOWER the SRS (Supplemental Restraint System). Refer to Restraints and Safety Systems &/or Air Bag Systems. CLEAR the DTCs. REPEAT the network test with the scan tool.
C2 CHECK THE RCM (Restraints Control Module) VOLTAGE SUPPLY CIRCUIT FOR AN OPEN
- Deactivate the SRS (Supplemental Restraint System). Refer to Restraints and Safety Systems &/or Air Bag Systems.
- Repower the SRS (Supplemental Restraint System). Refer to Restraints and Safety Systems &/or Air Bag Systems.
- Ignition ON.
- Measure the voltage between the RCM (Restraints Control Module) C310A-13, circuit CBP41 (BU), harness side and ground.
Is the voltage greater than 10 volts?
Yes
GO to C3.
No
VERIFY the Body Control Module (BCM) fuse 41 (7.5A) is OK. If OK, REPAIR the circuit. If not OK, REFER to the Wiring Diagrams to identify the possible causes of the circuit short [1][2]Diagrams By Number.
REACTIVATE the SRS (Supplemental Restraint System). REFER to Restraints and Safety Systems &/or Air Bag Systems. CLEAR the DTCs. REPEAT the network test with the scan tool.
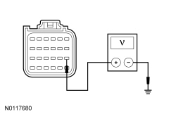
C3 CHECK THE RCM (Restraints Control Module) CASE GROUND
- Ignition OFF.
- Disconnect: Negative Battery Cable.
- Measure the resistance between the RCM (Restraints Control Module) case and a good chassis ground.
Is the resistance less than 5 ohms?
Yes
GO to C4.
No
REPAIR the RCM (Restraints Control Module) case ground as necessary. CONNECT the negative battery cable. REACTIVATE the SRS (Supplemental Restraint System). REFER to Restraints and Safety Systems &/or Air Bag Systems. CLEAR the DTCs. REPEAT the network test with the scan tool.
C4 CHECK THE HS-CAN (High Speed Controller Area Network) CIRCUITS BETWEEN THE RCM (Restraints Control Module) AND THE DLC (Data Link Connector) FOR AN OPEN
- Measure the resistance between the RCM (Restraints Control Module) C310B-10, circuit VDB04 (WH/BU), harness side and the DLC (Data Link Connector) C251-6, circuit VDB04 (WH/BU), harness side.
- Measure the resistance between the RCM (Restraints Control Module) C310B-9, circuit VDB05 (WH), harness side and the DLC (Data Link Connector) C251-14, circuit VDB05 (WH), harness side.
Are the resistances less than 5 ohms?
Yes
CONNECT the negative battery cable. GO to C5.
No
REPAIR the circuit in question. CONNECT the negative battery cable. REACTIVATE the SRS (Supplemental Restraint System). REFER to Restraints and Safety Systems &/or Air Bag Systems. CLEAR the DTCs. REPEAT the network test with the scan tool.
C5 CHECK FOR CORRECT RCM (Restraints Control Module) OPERATION
- Disconnect all the RCM (Restraints Control Module) connectors.
- Check for:
- corrosion
- damaged pins
- pushed-out pins
- Connect all the RCM (Restraints Control Module) connectors and make sure they are seated correctly.
- Operate the system and verify the concern is still present.
Is the concern still present?
Yes
INSTALL a new RCM (Restraints Control Module). REACTIVATE the SRS (Supplemental Restraint System). REFER to Restraints and Safety Systems &/or Air Bag Systems. CLEAR the DTCs. REPEAT the network test with the scan tool.
No
The system is operating correctly at this time. The concern may have been caused by a loose or corroded connector. REACTIVATE the SRS (Supplemental Restraint System). REFER to Restraints and Safety Systems &/or Air Bag Systems. CLEAR the DTCs. REPEAT the network test with the scan tool.