Curiosii for ever!: Car repair manuals for everyone.

Pinpoint Test AA: The Heated Steering Wheel Module (HSWM) Does Not Respond To The Scan Tool




Communications Network

Pinpoint Test AA: The Heated Steering Wheel Module (HSWM) Does Not Respond To The Scan Tool

Normal Operation

The Heated Steering Wheel Module (HSWM) communicates with the scan tool through the Medium Speed Controller Area Network (MS-CAN).

This pinpoint test is intended to diagnose the following:

- Fuse

- Wiring, terminals or connectors

- HSWM (Heated Steering Wheel Module)

PINPOINT TEST AA : THE HSWM (Heated Steering Wheel Module) DOES NOT RESPOND TO THE SCAN TOOL

NOTICE: Use the correct probe adapter(s) when making measurements. Failure to use the correct probe adapter(s) may damage the connector.

NOTE: Failure to disconnect the battery when instructed results in false resistance readings.

AA1 CHECK THE HSWM (Heated Steering Wheel Module) VOLTAGE SUPPLY CIRCUIT FOR AN OPEN

- Ignition OFF.

- Disconnect: HSWM (Heated Steering Wheel Module) C2406.

- Ignition ON.

- Measure the voltage between the HSWM (Heated Steering Wheel Module) C2406-1, circuit CBP36 (BU/BN), harness side and ground.






Is the voltage greater than 10 volts?

Yes
GO to AA2.

No
VERIFY the Body Control Module (BCM) fuse 36 (10A) is OK. If OK, REPAIR the circuit. If not OK, REFER to the Wiring Diagrams to identify the possible causes of the circuit short [1][2]Diagrams By Number. CLEAR the DTCs. REPEAT the network test with the scan tool.

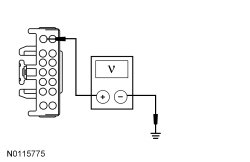
AA2 CHECK THE HSWM (Heated Steering Wheel Module) GROUND CIRCUIT FOR AN OPEN

- Ignition OFF.

- Disconnect: Negative Battery Cable.

- Measure the resistance between the HSWM (Heated Steering Wheel Module) C2406-14, circuit GD115 (BK/GY), harness side and ground.






Is the resistance less than 5 ohms?

Yes
GO to AA3.

No
REPAIR the circuit. CONNECT the negative battery cable. CLEAR the DTCs. REPEAT the network test with the scan tool.

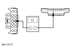
AA3 CHECK THE MS-CAN (Medium Speed Controller Area Network) CIRCUITS BETWEEN THE HSWM (Heated Steering Wheel Module) AND THE DLC (Data Link Connector) FOR AN OPEN

- Measure the resistance between the HSWM (Heated Steering Wheel Module) C2406-4, circuit VDB06 (GY/OG), harness side and the DLC (Data Link Connector) C251-3, circuit VDB06 (GY/OG), harness side.






- Measure the resistance between the HSWM (Heated Steering Wheel Module) C2406-3, circuit VDB07 (VT/OG), harness side and the DLC (Data Link Connector) C251-11, circuit VDB07 (VT/OG), harness side.






Are the resistances less than 5 ohms?

Yes
CONNECT the negative battery cable. GO to AA4.

No
REPAIR the circuit in question. CONNECT the negative battery cable. CLEAR the DTCs. REPEAT the network test with the scan tool.

AA4 CHECK FOR CORRECT HSWM (Heated Steering Wheel Module) OPERATION

- Disconnect the HSWM (Heated Steering Wheel Module) connector.

- Check for:
- corrosion

- damaged pins

- pushed-out pins


- Connect the HSWM (Heated Steering Wheel Module) connector and make sure it seats correctly.

- Operate the system and verify the concern is still present.

Is the concern still present?

Yes
INSTALL a new HSWM (Heated Steering Wheel Module). CLEAR the DTCs. REPEAT the network test with the scan tool.

No
The system is operating correctly at this time. The concern may have been caused by a loose or corroded connector. CLEAR the DTCs. REPEAT the network test with the scan tool.