Pinpoint Test W: The Side Obstacle Detection Control Module - Right (SOD-R) Does Not Respond To The Scan Tool
Communications Network
Pinpoint Test W: The Side Obstacle Detection Control Module - Right (SOD-R) Does Not Respond To The Scan Tool
Normal Operation
The Side Obstacle Detection Control Module - Right (SOD-R) communicates with the scan tool through the Medium Speed Controller Area Network (MS-CAN).
This pinpoint test is intended to diagnose the following:
- Fuse
- Wiring, terminals or connectors
- SOD-R (Side Obstacle Detection Control Module - Right)
PINPOINT TEST W : THE SOD-R (Side Obstacle Detection Control Module - Right) DOES NOT RESPOND TO THE SCAN TOOL
NOTICE: Use the correct probe adapter(s) when making measurements. Failure to use the correct probe adapter(s) may damage the connector.
NOTE: Failure to disconnect the battery when instructed results in false resistance readings.
W1 CHECK THE SOD-R (Side Obstacle Detection Control Module - Right) VOLTAGE SUPPLY CIRCUIT FOR AN OPEN
- Ignition OFF.
- Disconnect: SOD-R (Side Obstacle Detection Control Module - Right) C4370.
- Ignition ON.
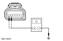
- Measure the voltage between the SOD-R (Side Obstacle Detection Control Module - Right) C4370-2, circuit CBP34 (VT/BN), harness side and ground.
Are the voltages greater than 10 volts?
Yes
GO to W2.
No
VERIFY the Body Control Module (BCM) fuse 34 (10A) is OK. If OK, REPAIR the circuit. If not OK, REFER to the Wiring Diagrams to identify the possible causes of the circuit short [1][2]Diagrams By Number. CLEAR the DTCs. REPEAT the network test with the scan tool.
W2 CHECK THE SOD-R (Side Obstacle Detection Control Module - Right) GROUND CIRCUIT FOR AN OPEN
- Ignition OFF.
- Disconnect: Negative Battery Cable.
- Measure the resistance between the SOD-R (Side Obstacle Detection Control Module - Right) C4370-5, circuit GD151 (BK/GN), harness side and ground; and between the SOD-R (Side Obstacle Detection Control Module - Right) C4370-6, circuit GD151 (BK/GN), harness side and ground.
Is the resistance less than 5 ohms?
Yes
GO to W3.
No
REPAIR the circuit in question. CONNECT the negative battery cable. CLEAR the DTCs. REPEAT the network test with the scan tool.
W3 CHECK THE MS-CAN (Medium Speed Controller Area Network) CIRCUITS BETWEEN THE SOD-R (Side Obstacle Detection Control Module - Right) AND THE DLC (Data Link Connector) FOR AN OPEN
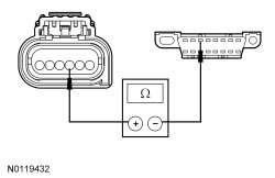
- Measure the resistance between the SOD-R (Side Obstacle Detection Control Module - Right) C4370-3, circuit VDB06 (GY/OG), harness side and the DLC (Data Link Connector) C251-3, circuit VDB06 (GY/OG), harness side.
- Measure the resistance between the SOD-R (Side Obstacle Detection Control Module - Right) C4370-4, circuit VDB07 (VT/OG), harness side and the DLC (Data Link Connector) C251-11, circuit VDB07 (VT/OG), harness side.
Are the resistances less than 5 ohms?
Yes
CONNECT the negative battery cable. GO to W4.
No
REPAIR the circuit in question. CONNECT the negative battery cable. CLEAR the DTCs. REPEAT the network test with the scan tool.
W4 CHECK FOR CORRECT SOD-R (Side Obstacle Detection Control Module - Right) OPERATION
- Disconnect the SOD-R (Side Obstacle Detection Control Module - Right) connector.
- Check for:
- corrosion
- damaged pins
- pushed-out pins
- Connect the SOD-R (Side Obstacle Detection Control Module - Right) connector and make sure it seats correctly.
- Operate the system and verify the concern is still present.
Is the concern still present?
Yes
INSTALL a new SOD-R (Side Obstacle Detection Control Module - Right). CLEAR the DTCs. REPEAT the network test with the scan tool.
No
The system is operating correctly at this time. The concern may have been caused by a loose or corroded connector. CLEAR the DTCs. REPEAT the network test with the scan tool.