Curiosii for ever!
: Car repair manuals for everyone.
Home
>>
Lincoln Truck
>>
2011
>>
MKX AWD V6-3.7L
>>
Repair and Diagnosis
>>
Diagrams
>>
Exploded Views
>>
Utility Storage Compartment
Utility Storage Compartment
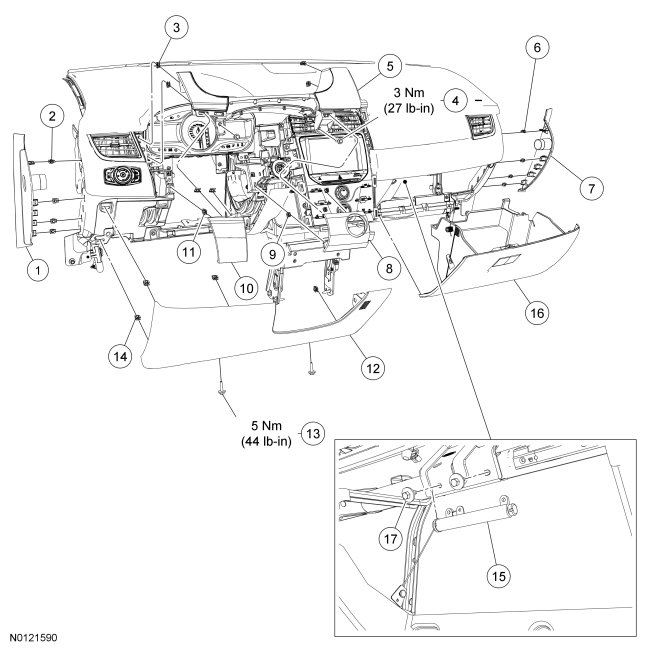
Instrument Panel - Exploded View
Edge Instrument Panel
Edge Instrument Panel Fasteners
MKX Instrument Panel
MKX Instrument Panel Fasteners