Curiosii for ever!: Car repair manuals for everyone.

Pinpoint Test J: The Audio System Does Not Operate Correctly From The Front Display Interface Module (FDIM)




Information and Entertainment System

Pinpoint Test J: The Audio System Does Not Operate Correctly From The Front Display Interface Module (FDIM)

Refer to Wiring Diagram Set 130, Audio System/Navigation for schematic and connector information. Diagrams By Number

Normal Operation

The Front Display Interface Module (FDIM) touchscreen sends a voltage signal to the Audio Control Module (ACM) when a touch sector is pressed. The ACM then takes the appropriate action, which can be a change in the audio system setting or broadcasting the information to the appropriate module through the Medium Speed Controller Area Network (MS-CAN).

- DTC U0162:00 (Lost Communication With Navigation Display Module: No Sub Type Information) - set by the ACM if it does not detect the FDIM for greater than 5 seconds with the ignition in the RUN position. When this occurs, the touchscreen controls are inoperative and the FDIM may not display correct (if any) information.

This pinpoint test is intended to diagnose the following:

- Wiring, terminals or connectors
- FDIM
- ACM

PINPOINT TEST J: THE AUDIO SYSTEM DOES NOT OPERATE CORRECTLY FROM THE FDIM

NOTICE: Use the correct probe adapter(s) when making measurements. Failure to use the correct probe adapter(s) may damage the connector.

-------------------------------------------------
J1 OBSERVE THE FDIM DISPLAY

- Turn the audio system on and observe the FDIM screen.
- Is the FDIM display completely inoperative?

Yes
GO to Pinpoint Test I. Pinpoint Test I: The Front Display Interface Module (FDIM) Is Completely Inoperative

No
GO to J2.

-------------------------------------------------
J2 CHECK FOR AUDIO SYSTEM OPERATION FROM THE FCIM

- Carry out various audio system functions using the Front Controls Interface Module (FCIM).
- Does the audio system operate correctly from the FCIM?

Yes
GO to J3.

No
GO to Pinpoint Test F. Pinpoint Test F: The Audio System Does Not Operate Correctly From The Front Controls Interface Module (FCIM)

-------------------------------------------------
J3 CHECK THE TOUCHSCREEN TRANSMIT AND RECEIVE CIRCUITS FOR A SHORT TO VOLTAGE

- Ignition OFF.
- Disconnect: FDIM C2123.
- Disconnect: ACM C240d.
- Ignition ON.
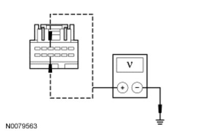
- Measure the voltage between the FDIM C2123-4, circuit CMN26 (BU/OG), harness side and ground; and between the FDIM C2123-10, circuit CMN24 (GY/VT), harness side and ground.




- Is any voltage present?

Yes
REPAIR the circuit in question. CLEAR any DTCs present. TEST the system for normal operation.

No
GO to J4.

-------------------------------------------------
J4 CHECK THE TOUCHSCREEN TRANSMIT AND RECEIVE CIRCUITS FOR AN OPEN OR SHORT TO GROUND

- Ignition OFF.
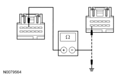
- Measure the resistance between the FDIM C2123-4, circuit CMN26 (BU/OG), harness side and the ACM C240b-10, circuit CMN26 (BU/OG), harness side; and between the FDIM C2123-4, circuit CMN26 (BU/OG), harness side and ground.




- Measure the resistance between the FDIM C2123-10, circuit CMN24 (GY/VT), harness side and the ACM C240b-5, circuit CMN24 (GY/VT), harness side; and between the FDIM C2123-10, circuit CMN24 (GY/VT), harness side and ground.




- Is the resistance less than 5 ohms between the FDIM and the ACM, and greater than 10,000 ohms between the FDIM and ground?

Yes
GO to J5.

No
REPAIR the circuit in question. CLEAR any DTCs present. TEST the system for normal operation.

-------------------------------------------------
J5 ISOLATE THE FDIM

- Connect: ACM C240d.
- Install a new FDIM. Refer to Front Display Interface Module (FDIM) Front Display Interface Module (FDIM).
- Ignition ON.
- Attempt various commands from the FDIM touchscreen.
- Does the system operate correctly?

Yes
The cause of the concern was an inoperative FDIM. The system is now operating correctly.

No
GO to J6.

-------------------------------------------------
J6 CHECK FOR CORRECT ACM OPERATION

- Ignition OFF.
- Disconnect all the ACM connectors.
- Check for:
- corrosion
- damaged pins
- pushed-out pins
- Connect all the ACM connectors and make sure they seat correctly.
- Operate the system and determine if the concern is still present.
- Is the concern still present?

Yes
INSTALL a new ACM. REFER to Audio Control Module (ACM) Audio Control Module (ACM). TEST the system for normal operation.

No
The system is operating correctly at this time. The concern may have been caused by a loose or corroded connector.

-------------------------------------------------