Curiosii for ever!: Car repair manuals for everyone.

Transmission Position Sensor/Switch: Service and Repair




Digital Transmission Range (TR) Sensor













Removal

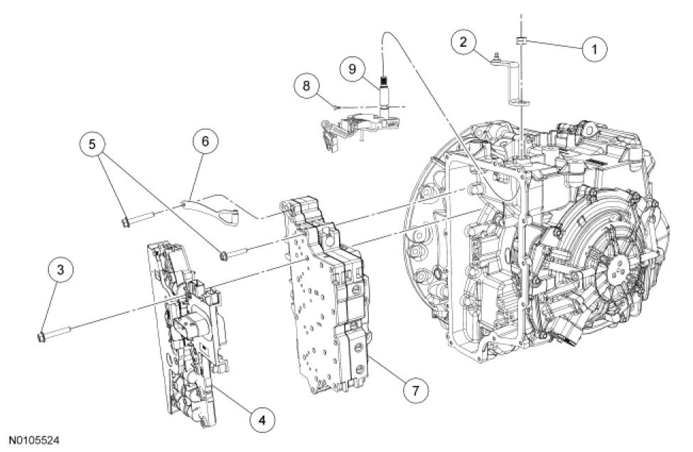
1. Remove the main control cover.
- For vehicles equipped with a 3.7L engine, refer to Main Control Cover - 3.7L Service and Repair.

- For vehicles equipped with a 3.5L Gasoline Turbocharged Direct Injection (GTDI) engine, refer to Main Control Cover - 3.5L GTDI Service and Repair.

2. Disconnect the selector lever cable end from the manual control lever.





3. Remove the nut and the manual control lever.





4. Disconnect the Transmission Range (TR) sensor electrical connector.

1. Slide the lock over.

2. Press the tab and disconnect the connector.





5. Disconnect the Turbine Shaft Speed (TSS) and Output Shaft Speed (OSS) sensor electrical connectors.





6. NOTE: Note the location of the different length bolts for assembly.

Remove the 11 bolts and the solenoid body.





7. NOTICE: Do not handle the solenoid body in the leadframe area or by the screens of the solenoid body filter or damage to the solenoid body may occur.

NOTICE: Use care not to break the alignment tabs when removing the solenoid body filter.

Remove the solenoid body filter assembly by pulling it straight up from the alignment tabs. Discard the filter.





8. Remove the 10 bolts, the TR sensor detent spring and the main control valve body.





9. Using a suitable tool, remove and discard the TR sensor locking pin.





10. NOTE: TR sensor removed for clarity.

Make sure that the park pawl actuator rod does not become disengaged from the park pawl and the abutment by keeping the end of the park pawl actuator rod behind the machined valve body mating surface of the transaxle case. If the park pawl actuator rod becomes disengaged from the park pawl and the abutment, transaxle removal and disassembly is required to reinstall the actuator rod.





11. NOTICE: Make sure that the park pawl actuator rod does not become disengaged from the park pawl and the abutment, or transaxle removal and disassembly is required to reinstall the actuator rod.

Remove the TR sensor.

1. Slide the TR sensor down until the manual shaft is out of the transaxle case.

2. Rotate the TR sensor detent plate counterclockwise, as viewed from below, until the plate rests against the transaxle case, remove the park pawl actuating rod from the TR sensor and remove the TR sensor.





Installation

1. Install the TR sensor.

1. Position the park pawl actuating rod in the TR sensor.

2. Install the TR sensor in the transaxle case.





2. Using the Manual Lever Retaining Pin Installer, install a new TR sensor locking pin.





3. NOTE: Make sure that the manual pin (part of the TR sensor) is correctly installed in the manual valve.

Position the TSS, OSS and TR sensor wiring harnesses aside and install the main control valve body.





4. Inspect the manual pin to make sure it is correctly installed in the manual valve. If it is not, pull the valve body off the transaxle case. Correctly install the manual pin in the manual valve and position the valve body in place.





5. Install the TR sensor detent spring and the 10 valve body-to-case bolts. Tighten the bolts in the sequence shown.
- Tighten to 12 Nm (106 lb-in).





6. NOTICE: Do not handle the solenoid body in the leadframe area or by the screens of the solenoid body filter or damage to the solenoid body may occur.

NOTICE: Use care not to break the alignment tabs when installing the solenoid body filter. Damage to the transaxle will occur if the solenoid body is not correctly aligned.

NOTICE: Make sure that the filter passage areas are clean of foreign material before installing the filter. Damage to the transaxle will occur if the filter passages are not clean.

Install a new solenoid body filter assembly by pushing it straight down on to the alignment tabs.





7. NOTICE: Make sure not to pinch the Turbine Shaft Speed (TSS), Output Shaft Speed (OSS) or Transmission Range (TR) sensor wiring harnesses when installing the solenoid body. Damage to the wiring harness will occur.

NOTE: Install the different length bolts in the locations noted during disassembly.

Install the solenoid body and the 11 bolts.

1. 42 mm (1.653 in) bolt

2. 63 mm (2.48 in) bolts

3. 80 mm (3.149 in) bolts

4. 95 mm (3.74 in) bolts





8. Tighten the solenoid body bolts in the sequence shown.
- Tighten to 12 Nm (106 lb-in).





9. Route the OSS sensor wiring harness and connect the electrical connector.





10. Connect the TR sensor electrical connector.

1. Connect the electrical connector.

2. Slide the locking tab over.





11. Connect the TSS sensor electrical connector.





12. NOTICE: Make sure that when installing the manual control lever it is fully seated onto the manual control lever shaft or damage to the manual control lever shaft will occur and the lever will come loose.

NOTICE: Make sure to hold the manual control lever while tightening the manual control lever nut or damage to the manual control lever and park components will occur.

Install the manual control lever and the nut.

- Tighten to 18 Nm (159 lb-in).





13. Place the manual control lever in DRIVE.

1. Rotate the manual control lever clockwise until it stops.

2. Rotate the manual control lever counterclockwise one detent until it stops.





14. Unlock the selector lever cable adjuster by sliding the locking tab over.





15. Slide the cable end forward or backward to align it with the manual control lever.





16. With the adjuster locking tab released, connect the selector lever cable end to the manual control lever.





17. Slide the release tab back to lock the adjuster.





18. Install the main control cover.
- For vehicles equipped with a 3.7L engine, refer to Main Control Cover - 3.7L Service and Repair.

- For vehicles equipped with a 3.5L GTDI engine, refer to Main Control Cover - 3.5L GTDI Service and Repair.