Curiosii for ever!: Car repair manuals for everyone.

Pinpoint Tests AB: The RHVAC Module Does Not Respond To The Scan Tool




Communications Network

Pinpoint Test AB: The RHVAC Module Does Not Respond To The Scan Tool

Refer to Wiring Diagram Set 14, Module Communications Network for schematic and connector information. Diagrams By Number

Refer to Wiring Diagram Set 119, Climate Controlled Seats for schematic and connector information. Diagrams By Number

Normal Operation

The Rear Heating Ventilation Air Conditioning (RHVAC) module communicates with the scan tool through the Medium Speed Controller Area Network (MS-CAN).

This pinpoint test is intended to diagnose the following:

- Fuse
- Wiring, terminals or connectors
- RHVAC module

PINPOINT TEST AB: THE RHVAC MODULE DOES NOT RESPOND TO THE SCAN TOOL

NOTICE: Use the correct probe adapter(s) when making measurements. Failure to use the correct probe adapter(s) may damage the connector.

-------------------------------------------------
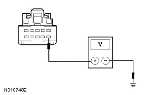
AB1 CHECK THE RHVAC MODULE VOLTAGE SUPPLY CIRCUIT FOR AN OPEN

- Ignition OFF.
- Disconnect: Rear Heating Ventilation Air Conditioning (RHVAC) Module C3198 .
- Ignition ON.
- Measure the voltage between the RHVAC module C3198-6, circuit SBP16 (VT/RD), harness side and ground.




- Is the voltage greater than 10 volts?

Yes
GO to AB2.

No
VERIFY the Smart Junction Box (SJB) fuse 16 (15A) is OK. If OK, REPAIR the circuit in question. If not OK, REFER to the Wiring Diagrams to identify the possible causes of the circuit short. CLEAR the DTCs. REPEAT the network test with the scan tool. Diagrams By Number

-------------------------------------------------
AB2 CHECK THE RHVAC MODULE GROUND CIRCUIT FOR AN OPEN

- Ignition OFF.
- Measure the resistance between the RHVAC module C3198-5, circuit GD114 (BK/BU), harness side and ground.




- Is the resistance less than 5 ohms?

Yes
GO to AB3.

No
REPAIR the circuit. CLEAR the DTCs. REPEAT the network test with the scan tool.

-------------------------------------------------
AB3 CHECK THE MS-CAN CIRCUITS BETWEEN THE RHVAC MODULE AND THE DLC FOR AN OPEN

- Measure the resistance between the RHVAC module C3198-1, circuit VDB06 (GY/OG), harness side and the DLC C251-3, circuit VDB06 (GY/OG), harness side.




- Measure the resistance between the RHVAC module C3198-2, circuit VDB07 (VT/OG), harness side and the DLC C251-11, circuit VDB07 (VT/OG), harness side.




- Are the resistances less than 5 ohms?

Yes
GO to AB4.

No
REPAIR the circuit in question. CLEAR the DTCs. REPEAT the network test with the scan tool.

-------------------------------------------------
AB4 CHECK FOR CORRECT RHVAC MODULE OPERATION

- Disconnect the RHVAC module connector.
- Check for:
- corrosion
- damaged pins
- pushed-out pins
- Connect the RHVAC module connector and make sure it seats correctly.
- Operate the system and verify the concern is still present.
- Is the concern still present?

Yes
INSTALL a new RHVAC module. REFER to Auxiliary Climate Control Rear Heating Ventilation Air Conditioning (RHVAC) Module. CLEAR the DTCs. REPEAT the network test with the scan tool.

No
The system is operating correctly at this time. The concern may have been caused by a loose or corroded connector.

-------------------------------------------------