Curiosii for ever!: Car repair manuals for everyone.

Pinpoint Test Q: The Interior Lighting Control Module (ILCM) Does Not Respond To The Scan Tool




Communications Network

Pinpoint Test Q: The Interior Lighting Control Module (ILCM) Does Not Respond To The Scan Tool

Refer to Wiring Diagram Set 14, Module Communications Network for schematic and connector information. Diagrams By Number

Refer to Wiring Diagram Set 89, Interior Lamps for schematic and connector information. Diagrams By Number

Normal Operation

The Interior Lighting Control Module (ILCM) communicates with the scan tool through the Medium Speed Controller Area Network (MS-CAN).

This pinpoint test is intended to diagnose the following:

- Fuse
- Wiring, terminals or connectors
- ILCM

PINPOINT TEST Q: THE ILCM DOES NOT RESPOND TO THE SCAN TOOL

NOTICE: Use the correct probe adapter(s) when making measurements. Failure to use the correct probe adapter(s) may damage the connector.

NOTE: Failure to disconnect the battery when instructed will result in false resistance readings. Refer to Battery, Mounting and Cables Battery Disconnect.

-------------------------------------------------
Q1 CHECK THE ILCM VOLTAGE SUPPLY CIRCUIT FOR AN OPEN

- Ignition OFF.
- Disconnect: ILCM C3256 .
- Ignition ON.
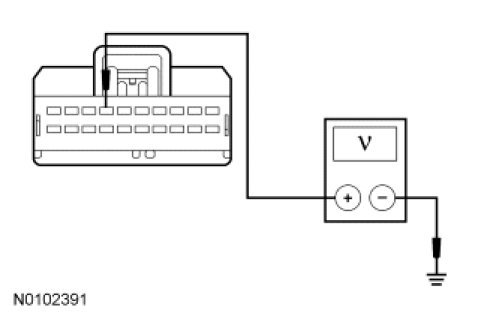
- Measure the voltage between the ILCM C3256-7, circuit SBP16 (VT/RD), harness side and ground.




- Is the voltage greater than 10 volts?

Yes
GO to Q2.

No
VERIFY the Smart Junction Box (SJB) fuse 16 (15A) is OK. If OK, REPAIR the circuit in question. If not OK, REFER to the Wiring Diagrams to identify the possible causes of the circuit short. CLEAR the DTCs. REPEAT the network test with the scan tool. Diagrams By Number

-------------------------------------------------
Q2 CHECK THE ILCM GROUND CIRCUIT FOR AN OPEN

- Ignition OFF.
- Disconnect: Negative Battery Cable .
- Measure the resistance between the ILCM C3256-10, circuit GD114 (BK/BU), harness side and ground.




- Is the resistance less than 5 ohms?

Yes
GO to Q3.

No
REPAIR the circuit. CONNECT the negative battery cable. CLEAR the DTCs. REPEAT the network test with the scan tool.

-------------------------------------------------
Q3 CHECK THE MS-CAN CIRCUITS BETWEEN THE ILCM AND THE DLC FOR AN OPEN

- Measure the resistance between the ILCM C3256-17, circuit VDB06 (GY/OG), harness side and the Data Link Connector (DLC) C251-3, circuit VDB06 (GY/OG), harness side.




- Measure the resistance between the ILCM C3256-18, circuit VDB07 (VT/OG), harness side and the DLC C251-11, circuit VDB07 (VT/OG), harness side.




- Are the resistances less than 5 ohms?

Yes
CONNECT the negative battery cable. GO to Q4.

No
REPAIR the circuit in question. CONNECT the negative battery cable. CLEAR the DTCs. REPEAT the network test with the scan tool.

-------------------------------------------------
Q4 CHECK FOR CORRECT ILCM OPERATION

- Disconnect the ILCM connector.
- Check for:
- corrosion
- damaged pins
- pushed-out pins
- Connect the ILCM connector and make sure it seats correctly.
- Operate the system and verify the concern is still present.
- Is the concern still present?

Yes
INSTALL a new ILCM. REFER to Interior Lighting Service and Repair. CLEAR the DTCs. REPEAT the network test with the scan tool.

No
The system is operating correctly at this time. The concern may have been caused by a loose or corroded connector.

-------------------------------------------------