Curiosii for ever!: Car repair manuals for everyone.

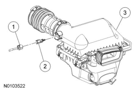
Intake Air Temperature (IAT) Sensor




Intake Air Temperature (IAT) Sensor









Removal and Installation

1. Disconnect the Intake Air Temperature (IAT) sensor electrical connector.

2. Remove the IAT sensor.
- Lift the tab and turn the IAT sensor counterclockwise to remove.





3. To install, reverse the removal procedure.
- Make sure the IAT sensor tab is fully seated during installation.