Curiosii for ever!
: Car repair manuals for everyone.
Home
>>
Lincoln Truck
>>
2011
>>
MKT AWD V6-3.7L
>>
Repair and Diagnosis
>>
Diagrams
>>
Exploded Views
>>
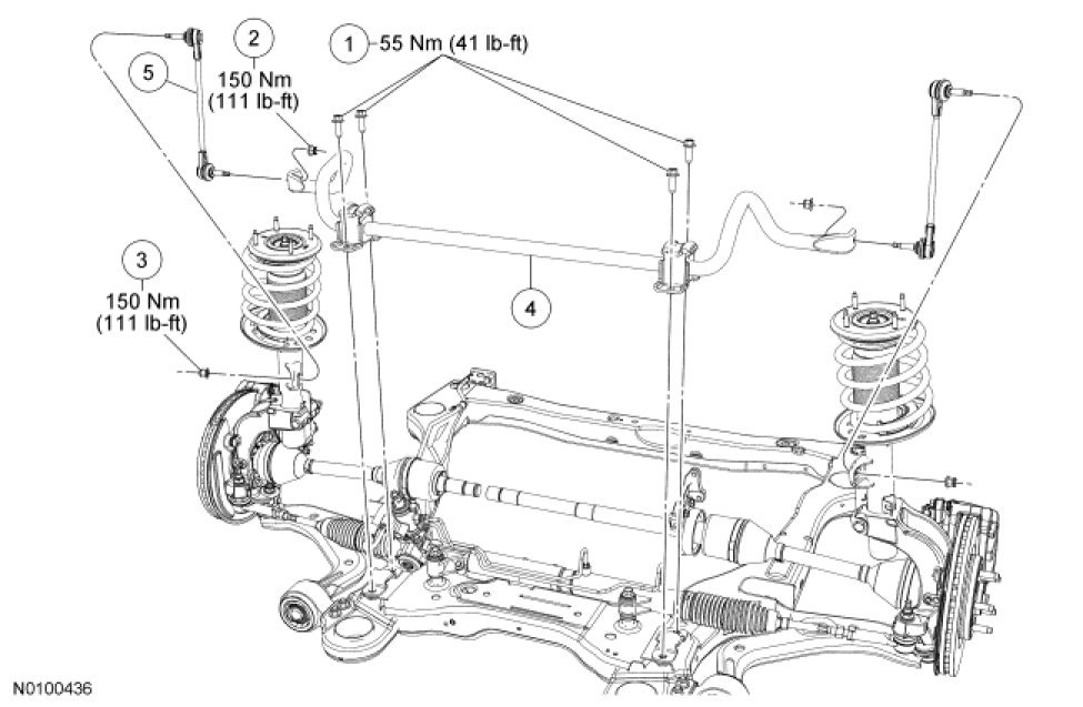
Suspension
Suspension
Front
Suspension
- Exploded View