Curiosii for ever!: Car repair manuals for everyone.

Part 1




Communications Network

Pinpoint Tests

Pinpoint Test W: No Medium Speed Controller Area Network (MS-CAN) Communication, All Modules Are Not Responding

Refer to Wiring Diagram Set 14, Module Communications Network for schematic and connector information. Diagrams By Number

Normal Operation

The Medium Speed Controller Area Network (MS-CAN) uses an unshielded twisted pair cable, circuits VDB06 (GY/OG) and VDB07 (VT/OG) provide the network connection to all modules on the network.

This pinpoint test is intended to diagnose the following:

- Wiring, terminals or connectors
- Audio Control Module (ACM)
- Accessory Protocol Interface Module (APIM)
- Audio Digital Signal Processing (DSP) module (if equipped)
- Audio Rear Control Unit (RCU) module (if equipped)
- Dual Climate Controlled Seat Module (DCSM) (if equipped)
- Driver Seat Module (DSM) (if equipped)
- Global Positioning System Module (GPSM)
- HVAC module (if equipped)
- Instrument Cluster (IC)
- Liftgate/Trunk Module (LTM) (if equipped)
- Parking Aid Module (PAM) (if equipped)
- Power Running Board (PRB) module (if equipped)
- Rear Entertainment Module (RETM) (if equipped)
- Satellite Digital Audio Receiver System (SDARS) module (if equipped)
- Smart Junction Box (SJB)
- Data Link Connector (DLC)



PINPOINT TEST W: NO MS-CAN COMMUNICATION, ALL MODULES ARE NOT RESPONDING

NOTICE: Use the correct probe adapter(s) when making measurements. Failure to use the correct probe adapter(s) may damage the connector.

NOTE: Failure to disconnect the battery when instructed will result in false resistance readings. Refer to Battery.

-------------------------------------------------
W1 CHECK THE DLC PINS FOR DAMAGE


NOTE: Most faults are due to connector and/or wiring concerns. Carry out a thorough inspection and verification before proceeding with the Pinpoint Test. Inspection and Verification

- Ignition OFF.
- Disconnect the scan tool cable from the Data Link Connector (DLC).
- Inspect DLC pins 3 and 11 for damage.




- Are DLC pins 3 and 11 OK?

Yes
GO to W2.

No
REPAIR the DLC as necessary. CLEAR the DTCs. REPEAT the network test with the scan tool.

-------------------------------------------------
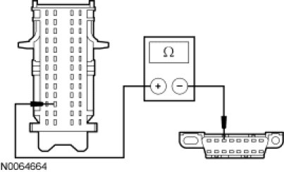
W2 CHECK THE MS-CAN TERMINATION RESISTANCE


- Disconnect: Negative Battery Cable.
- Measure the resistance between the DLC C251-3, circuit VDB06 (GY/OG), harness side and the DLC C251-11, circuit VDB07 (VT/OG), harness side.




- Is the resistance between 54 and 66 ohms?

Yes
GO to W5.

No
GO to W3.

-------------------------------------------------
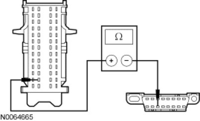
W3 CHECK THE MS-CAN TERMINATION RESISTOR


- Measure the resistance between the DLC C251-3, circuit VDB06 (GY/OG), harness side and the DLC C251-11, circuit VDB07 (VT/OG), harness side.




- Is the resistance between 108 and 132 ohms?

Yes
GO to W7.

No
GO to W4.

-------------------------------------------------
W4 CHECK THE MS-CAN (+) AND MS-CAN (-) CIRCUITS FOR A SHORT TOGETHER


- Measure the resistance between the DLC C251-3, circuit VDB06 (GY/OG), harness side and the DLC C251-11, circuit VDB07 (VT/OG), harness side.




- Is the resistance less than 5 ohms?

Yes
GO to W8.

No
GO to W7.

-------------------------------------------------
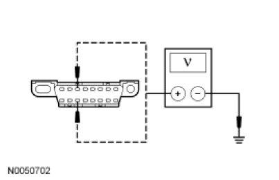
W5 CHECK THE MS-CAN (+) AND MS-CAN (-) CIRCUITS FOR A SHORT TO GROUND


- Measure the resistance between the DLC C251-3, circuit VDB06 (GY/OG), harness side and ground; and between the DLC C251-11, circuit VDB07 (VT/OG), harness side and ground.




- Are the resistances greater than 1,000 ohms?

Yes
GO to W6.

No
GO to W35.

-------------------------------------------------
W6 CHECK THE MS-CAN (+) AND MS-CAN (-) CIRCUITS FOR A SHORT TO VOLTAGE


- Connect the negative battery cable.
- Ignition ON.
- Measure the voltage between the DLC C251-3, circuit VDB06 (GY/OG), harness side and ground; and between the DLC C251-11, circuit VDB07 (VT/OG), harness side and ground.




- Is the voltage greater than 6 volts?

Yes
REPAIR the circuit. CLEAR the DTCs. REPEAT the network test with the scan tool.

No
VERIFY all module fuses are OK. If OK, REPEAT the network test with the scan tool.

-------------------------------------------------
W7 CHECK THE MS-CAN CIRCUITS BETWEEN THE SJB AND THE DLC FOR AN OPEN


- Disconnect: SJB C2280b.
- Measure the resistance between the SJB C2280b-37, circuit VDB06 (GY/OG), harness side and the DLC C251-3, circuit VDB06 (GY/OG), harness side.




- Measure the resistance between the SJB C2280b-38, circuit VDB07 (VT/OG), harness side and the DLC C251-11, circuit VDB07 (VT/OG), harness side.




- Are the resistances less than 5 ohms?

Yes
VERIFY all module fuses are OK. If OK, CONNECT the SJB. CONNECT the negative battery cable. REPEAT the network test with the scan tool.

No
REPAIR the circuit in question. CONNECT the SJB. CONNECT the negative battery cable. CLEAR the DTCs. REPEAT the network test with the scan tool.

-------------------------------------------------
W8 CHECK THE MS-CAN (+) AND MS-CAN (-) CIRCUITS FOR A SHORT TOGETHER WITH THE SJB DISCONNECTED


- Disconnect: SJB C2280b.
- Measure the resistance between the DLC C251-3, circuit VDB06 (GY/OG), harness side and the DLC C251-11, circuit VDB07 (VT/OG), harness side.




- Is the resistance less than 5 ohms?

Yes
GO to W9.

No
CONNECT the negative battery cable. GO to W62.

-------------------------------------------------
W9 CHECK THE MS-CAN (+) AND MS-CAN (-) CIRCUITS FOR A SHORT TOGETHER WITH THE IC DISCONNECTED


- Disconnect: IC C220.
- Measure the resistance between the DLC C251-3, circuit VDB06 (GY/OG), harness side and the DLC C251-11, circuit VDB07 (VT/OG), harness side.




- Is the resistance less than 5 ohms?

Yes
GO to W10.

No
CONNECT all modules. CONNECT the negative battery cable. GO to W63.

-------------------------------------------------
W10 CHECK THE MS-CAN (+) AND MS-CAN (-) CIRCUITS FOR A SHORT TOGETHER WITH THE ACM DISCONNECTED


- Disconnect: ACM C240a.
- Measure the resistance between the DLC C251-3, circuit VDB06 (GY/OG), harness side and the DLC C251-11, circuit VDB07 (VT/OG), harness side.




- Is the resistance less than 5 ohms?

Yes
GO to W11.

No
CONNECT all modules. CONNECT the negative battery cable. GO to W64.

-------------------------------------------------
W11 VERIFY VEHICLE EQUIPMENT - AUDIO DSP MODULE


- Inspect the vehicle for an audio Digital Signal Processing (DSP) module.
- Is the vehicle equipped with an audio DSP module?

Yes
GO to W12.

No
GO to W13.

-------------------------------------------------
W12 CHECK THE MS-CAN (+) AND MS-CAN (-) CIRCUITS FOR A SHORT TOGETHER WITH THE AUDIO DSP MODULE DISCONNECTED


- Disconnect: Audio DSP Module C2364c.
- Measure the resistance between the DLC C251-3, circuit VDB06 (GY/OG), harness side and the DLC C251-11, circuit VDB07 (VT/OG), harness side.




- Is the resistance less than 5 ohms?

Yes
GO to W13.

No
CONNECT all modules. CONNECT the negative battery cable. GO to W65.

-------------------------------------------------
W13 VERIFY VEHICLE EQUIPMENT - HVAC MODULE


- Inspect the vehicle for an HVAC module.
- Is the vehicle equipped with an HVAC module?

Yes
GO to W14.

No
GO to W15.

-------------------------------------------------
W14 CHECK THE MS-CAN (+) AND MS-CAN (-) CIRCUITS FOR A SHORT TOGETHER WITH THE HVAC MODULE DISCONNECTED


- Disconnect: HVAC Module C228a (EATC) or C2357a (EMTC).
- Measure the resistance between the DLC C251-3, circuit VDB06 (GY/OG), harness side and the DLC C251-11, circuit VDB07 (VT/OG), harness side.




- Is the resistance less than 5 ohms?

Yes
GO to W15.

No
CONNECT all modules. CONNECT the negative battery cable. GO to W66.

-------------------------------------------------
W15 VERIFY VEHICLE EQUIPMENT - APIM


- Inspect the vehicle for an APIM.
- Is the vehicle equipped with an APIM?

Yes
GO to W16.

No
GO to W17.

-------------------------------------------------
W16 CHECK THE MS-CAN (+) AND MS-CAN (-) CIRCUITS FOR A SHORT TOGETHER WITH THE APIM DISCONNECTED


- Disconnect: APIM C3342.
- Measure the resistance between the DLC C251-3, circuit VDB06 (GY/OG), harness side and the DLC C251-11, circuit VDB07 (VT/OG), harness side.




- Is the resistance less than 5 ohms?

Yes
GO to W17.

No
CONNECT all modules. CONNECT the negative battery cable. GO to W67.

-------------------------------------------------
W17 VERIFY VEHICLE EQUIPMENT - AUDIO RCU MODULE


- Inspect the vehicle for an audio Rear Control Unit (RCU) module.
- Is the vehicle equipped with an audio RCU module?

Yes
GO to W18.

No
GO to W19.

-------------------------------------------------
W18 CHECK THE MS-CAN (+) AND MS-CAN (-) CIRCUITS FOR A SHORT TOGETHER WITH THE AUDIO RCU MODULE DISCONNECTED


- Disconnect: Audio RCU module C3077.
- Measure the resistance between the DLC C251-3, circuit VDB06 (GY/OG), harness side and the DLC C251-11, circuit VDB07 (VT/OG), harness side.




- Is the resistance less than 5 ohms?

Yes
GO to W19.

No
CONNECT all modules. CONNECT the negative battery cable. GO to W68.

-------------------------------------------------
W19 VERIFY VEHICLE EQUIPMENT - RETM


- Inspect the vehicle for a Rear Entertainment Module (RETM).
- Is the vehicle equipped with an RETM?

Yes
GO to W20.

No
GO to W21.

-------------------------------------------------
W20 CHECK THE MS-CAN (+) AND MS-CAN (-) CIRCUITS FOR A SHORT TOGETHER WITH THE RETM DISCONNECTED


- Disconnect: RETM C949.
- Measure the resistance between the DLC C251-3, circuit VDB06 (GY/OG), harness side and the DLC C251-11, circuit VDB07 (VT/OG), harness side.




- Is the resistance less than 5 ohms?

Yes
GO to W21.

No
CONNECT all modules. CONNECT the negative battery cable. GO to W69.

-------------------------------------------------
W21 VERIFY VEHICLE EQUIPMENT - DSM


- Inspect the vehicle for a Driver Seat Module (DSM).
- Is the vehicle equipped with a DSM?

Yes
GO to W22.

No
GO to W23.

-------------------------------------------------
W22 CHECK THE MS-CAN (+) AND MS-CAN (-) CIRCUITS FOR A SHORT TOGETHER WITH THE DSM DISCONNECTED


- Disconnect: Driver Seat Module C341d.
- Measure the resistance between the DLC C251-3, circuit VDB06 (GY/OG), harness side and the DLC C251-11, circuit VDB07 (VT/OG), harness side.




- Is the resistance less than 5 ohms?

Yes
GO to W23.

No
CONNECT all modules. CONNECT the negative battery cable. GO to W70.

-------------------------------------------------
W23 VERIFY VEHICLE EQUIPMENT - DCSM


- Inspect the vehicle for a Dual Climate Controlled Seat Module (DCSM).
- Is the vehicle equipped with a DCSM?

Yes
GO to W24.

No
GO to W25.

-------------------------------------------------
W24 CHECK THE MS-CAN (+) AND MS-CAN (-) CIRCUITS FOR A SHORT TOGETHER WITH THE DCSM DISCONNECTED


- Disconnect: DCSM C3265c.
- Measure the resistance between the DLC C251-3, circuit VDB06 (GY/OG), harness side and the DLC C251-11, circuit VDB07 (VT/OG), harness side.




- Is the resistance less than 5 ohms?

Yes
GO to W25.

No
CONNECT all modules. CONNECT the negative battery cable. GO to W71.

-------------------------------------------------
W25 VERIFY VEHICLE EQUIPMENT - SDARS MODULE


- Inspect the vehicle for a Satellite Digital Audio Receiver System (SDARS) module.
- Is the vehicle equipped with a SDARS module?

Yes
GO to W26.

No
GO to W27.

-------------------------------------------------
W26 CHECK THE MS-CAN (+) AND MS-CAN (-) CIRCUITS FOR A SHORT TOGETHER WITH THE SDARS MODULE DISCONNECTED


- Disconnect: SDARS Module C3290.
- Measure the resistance between the DLC C251-3, circuit VDB06 (GY/OG), harness side and the DLC C251-11, circuit VDB07 (VT/OG), harness side.




- Is the resistance less than 5 ohms?

Yes
GO to W27.

No
CONNECT all modules. CONNECT the negative battery cable. GO to W72.

-------------------------------------------------
W27 VERIFY VEHICLE EQUIPMENT - PRB MODULE


- Inspect the vehicle for a Power Running Board (PRB) module.
- Is the vehicle equipped with a PRB module?

Yes
GO to W28.

No
GO to W29.

-------------------------------------------------
W28 CHECK THE MS-CAN (+) AND MS-CAN (-) CIRCUITS FOR A SHORT TOGETHER WITH THE PRB MODULE DISCONNECTED


- Disconnect: PRB Module C3313b.
- Measure the resistance between the DLC C251-3, circuit VDB06 (GY/OG), harness side and the DLC C251-11, circuit VDB07 (VT/OG), harness side.




- Is the resistance less than 5 ohms?

Yes
GO to W29.

No
CONNECT all modules. CONNECT the negative battery cable. GO to W73.

-------------------------------------------------
W29 VERIFY VEHICLE EQUIPMENT - PAM


- Inspect the vehicle for a Parking Aid Module (PAM).
- Is the vehicle equipped with a PAM?

Yes
GO to W30.

No
GO to W31.

-------------------------------------------------
W30 CHECK THE MS-CAN (+) AND MS-CAN (-) CIRCUITS FOR A SHORT TOGETHER WITH THE PAM DISCONNECTED


- Disconnect: PAM C4226 (Expedition) or C4014a (Navigator).
- Measure the resistance between the DLC C251-3, circuit VDB06 (GY/OG), harness side and the DLC C251-11, circuit VDB07 (VT/OG), harness side.




- Is the resistance less than 5 ohms?

Yes
GO to W31.

No
CONNECT all modules. CONNECT the negative battery cable. GO to W74.

-------------------------------------------------
W31 VERIFY VEHICLE EQUIPMENT - GPSM


- Inspect the vehicle for a GPSM.
- Is the vehicle equipped with a GPSM?

Yes
GO to W32.

No
GO to W33.

-------------------------------------------------
W32 CHECK THE MS-CAN (+) AND MS-CAN (-) CIRCUITS FOR A SHORT TOGETHER WITH THE GPSM DISCONNECTED


- Disconnect: GPSM C2398.
- Measure the resistance between the DLC C251-3, circuit VDB06 (GY/OG), harness side and the DLC C251-11, circuit VDB07 (VT/OG), harness side.




- Is the resistance less than 5 ohms?

Yes
GO to W33.

No
CONNECT all modules. CONNECT the negative battery cable. GO to W76.

-------------------------------------------------
W33 VERIFY VEHICLE EQUIPMENT - LTM


- Inspect the vehicle for a Liftgate/Trunk Module (LTM).
- Is the vehicle equipped with an LTM?

Yes
GO to W34.

No
REPAIR the circuits. CONNECT all modules. CONNECT the negative battery cable. CLEAR the DTCs. REPEAT the network test with the scan tool.

-------------------------------------------------
W34 CHECK THE MS-CAN (+) AND MS-CAN (-) CIRCUITS FOR A SHORT TOGETHER WITH THE LTM DISCONNECTED


- Disconnect: LTM C4174b.
- Measure the resistance between the DLC C251-3, circuit VDB06 (GY/OG), harness side and the DLC C251-11, circuit VDB07 (VT/OG), harness side.




- Is the resistance less than 5 ohms?

Yes
REPAIR the circuits. CONNECT all modules. CONNECT the negative battery cable. CLEAR the DTCs. REPEAT the network test with the scan tool.

No
CONNECT all modules. CONNECT the negative battery cable. GO to W75.

-------------------------------------------------
W35 CHECK THE MS-CAN (+) AND MS-CAN (-) CIRCUITS FOR A SHORT TO GROUND WITH THE SJB DISCONNECTED


- Disconnect: SJB C2280b.
- Measure the resistance between the DLC C251-3, circuit VDB06 (GY/OG), harness side and ground; and between the DLC C251-11, circuit VDB07 (VT/OG), harness side and ground.




- Are the resistances greater than 1,000 ohms?

Yes
CONNECT the negative battery cable. GO to W62.

No
GO to W36.

-------------------------------------------------
W36 CHECK THE MS-CAN (+) AND MS-CAN (-) CIRCUITS FOR A SHORT TO GROUND WITH THE IC DISCONNECTED


- Disconnect: IC C220.
- Measure the resistance between the DLC C251-3, circuit VDB06 (GY/OG), harness side and ground; and between the DLC C251-11, circuit VDB07 (VT/OG), harness side and ground.




- Are the resistances greater than 1,000 ohms?

Yes
CONNECT all modules. CONNECT the negative battery cable. GO to W63.

No
GO to W37.

-------------------------------------------------
W37 CHECK THE MS-CAN (+) AND MS-CAN (-) CIRCUITS FOR A SHORT TO GROUND WITH THE ACM DISCONNECTED


- Disconnect: ACM C240b.
- Measure the resistance between the DLC C251-3, circuit VDB06 (GY/OG), harness side and ground; and between the DLC C251-11, circuit VDB07 (VT/OG), harness side and ground.




- Are the resistances greater than 1,000 ohms?

Yes
CONNECT all modules. CONNECT the negative battery cable. GO to W64.

No
GO to W38.

-------------------------------------------------
W38 VERIFY VEHICLE EQUIPMENT - AUDIO DSP MODULE


- Inspect the vehicle for an audio DSP module.
- Is the vehicle equipped with an audio DSP module?

Yes
GO to W39.

No
GO to W40.

-------------------------------------------------