Curiosii for ever!: Car repair manuals for everyone.

Pinpoint Test S: The Parking Aid Module (PAM) Does Not Respond To The Scan Tool




Communications Network

Pinpoint Tests

Pinpoint Test S: The Parking Aid Module (PAM) Does Not Respond To The Scan Tool

Refer to Wiring Diagram Set 14, Module Communications Network for schematic and connector information. Diagrams By Number

Refer to Wiring Diagram Set 131, Parking Aid for schematic and connector information. Diagrams By Number

Normal Operation

The Parking Aid Module (PAM) communicates with the scan tool through the Medium Speed Controller Area Network (MS-CAN).

This pinpoint test is intended to diagnose the following:

- Fuse
- Wiring, terminals or connectors
- PAM



PINPOINT TEST S: THE PAM DOES NOT RESPOND TO THE SCAN TOOL

NOTICE: Use the correct probe adapter(s) when making measurements. Failure to use the correct probe adapter(s) may damage the connector.

NOTE: Failure to disconnect the battery when instructed will result in false resistance readings. Refer to Battery.

-------------------------------------------------
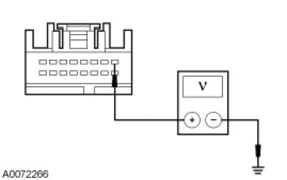
S1 CHECK THE PAM VOLTAGE SUPPLY CIRCUIT FOR AN OPEN


- Ignition OFF.
- Disconnect: PAM C4226 (Expedition) or PAM C4014a (Navigator).
- Ignition ON.
- For Expedition, measure the voltage between the PAM C4226-18, circuit CBP35 (YE/GY), harness side and ground.




- For Navigator, measure the voltage between the PAM C4014a-1, circuit CBP35 (YE/GY), harness side and ground.




- Is the voltage greater than 10 volts?

Yes
GO to S2.

No
VERIFY the Smart Junction Box (SJB) fuse 35 (10A) is OK. If OK, REPAIR the circuit. If not OK, REFER to the Wiring Diagrams to identify the possible causes of the circuit short. CLEAR the DTCs. REPEAT the network test with the scan tool. Diagrams By Number

-------------------------------------------------
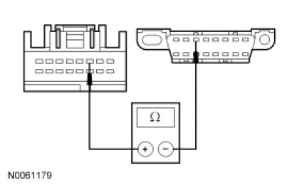
S2 CHECK THE PAM GROUND CIRCUIT FOR AN OPEN


- Ignition OFF.
- Disconnect: Negative Battery Cable.
- For Expedition, measure the resistance between the PAM C4226-6, circuit GD133 (BK), harness side and ground.




- For Navigator, measure the resistance between the PAM C4014a-4, circuit GD133 (BK), harness side and ground.




- Is the resistance less than 5 ohms?

Yes
GO to S3.

No
REPAIR the circuit. CONNECT the negative battery cable. CLEAR the DTCs. REPEAT the network test with the scan tool.

-------------------------------------------------
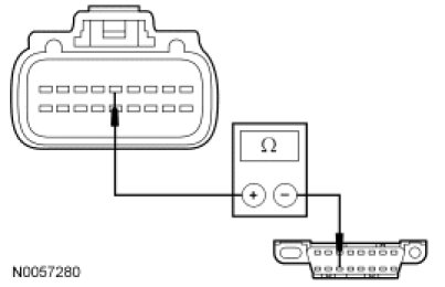
S3 CHECK THE MS-CAN CIRCUITS BETWEEN THE PAM AND THE DLC FOR AN OPEN


- For Expedition, measure the resistance between the PAM C4226-4, circuit VDB06 (GY/OG), harness side and the Data Link Connector (DLC) C251-3, circuit VDB06 (GY/OG), harness side.




- For Expedition, measure the resistance between the PAM C4226-5, circuit VDB07 (VT/OG), harness side and the DLC C251-11, circuit VDB07 (VT/OG), harness side.




- For Navigator, measure the resistance between the PAM C4014a-3, circuit VDB06 (GY/OG), harness side and the DLC C251-3, circuit VDB06 (GY/OG), harness side.




- For Navigator, measure the resistance between the PAM C4014a-11, circuit VDB07 (VT/OG), harness side and the DLC C251-11, circuit VDB07 (VT/OG), harness side.




- Are the resistances less than 5 ohms?

Yes
CONNECT the negative battery cable. GO to S4.

No
REPAIR the circuit in question. CONNECT the negative battery cable. CLEAR the DTCs. REPEAT the network test with the scan tool.

-------------------------------------------------
S4 CHECK FOR CORRECT PAM OPERATION


- Disconnect the PAM connector(s).
- Check for:
- corrosion
- damaged pins
- pushed-out pins
- Connect the PAM connector(s) and make sure they seat correctly.
- Operate the system and verify the concern is still present.
- Is the concern still present?

Yes
INSTALL a new PAM. REFER to Collision Avoidance and Parking Assist Systems. CLEAR the DTCs. REPEAT the network test with the scan tool.

No
The system is operating correctly at this time. The concern may have been caused by a loose or corroded connector.

-------------------------------------------------