Curiosii for ever!: Car repair manuals for everyone.

Pinpoint Test F: The Headlamp Control Module (HCM) Does Not Respond To The Scan Tool




Communications Network

Pinpoint Tests

Pinpoint Test F: The Headlamp Control Module (HCM) Does Not Respond To The Scan Tool

Refer to Wiring Diagram Set 14, Module Communications Network for schematic and connector information. Diagrams By Number

Refer to Wiring Diagram Set 85, Headlamps/Autolamps for schematic and connector information. Diagrams By Number

Normal Operation

The Headlamp Control Module (HCM) communicates with the scan tool through the High Speed Controller Area Network (HS-CAN).

This pinpoint test is intended to diagnose the following:

- Fuse
- Wiring, terminals or connectors
- HCM



PINPOINT TEST F: THE HCM DOES NOT RESPOND TO THE SCAN TOOL

NOTICE: Use the correct probe adapter(s) when making measurements. Failure to use the correct probe adapter(s) may damage the connector.

NOTE: Failure to disconnect the battery when instructed will result in false resistance readings. Refer to Battery.

-------------------------------------------------
F1 CHECK THE HCM VOLTAGE SUPPLY CIRCUIT FOR AN OPEN


NOTE: HCM testing is carried out at the LH headlamp assembly connector.

- Ignition OFF.
- Disconnect: LH Headlamp Assembly C1021b.
- Ignition ON.
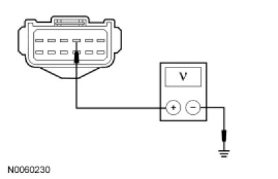
- Measure the voltage between the LH headlamp assembly C1021b-3, circuit CBB51 (BN), harness side and ground.




- Is the voltage greater than 10 volts?

Yes
GO to F2.

No
VERIFY the Battery Junction Box (BJB) fuse 51 (5A) is OK. If OK, REPAIR the circuit. If not OK, Refer to the Wiring Diagrams to identify the possible causes of the circuit short. CLEAR the DTCs. REPEAT the network test with the scan tool. Diagrams By Number

-------------------------------------------------
F2 CHECK THE HCM GROUND CIRCUIT FOR AN OPEN


- Ignition OFF.
- Disconnect: Negative Battery Cable.
- Measure the resistance between the LH headlamp assembly C1021b-9, circuit GD120 (BK/GN), harness side and ground.




- Is the resistance less than 5 ohms?

Yes
GO to F3.

No
REPAIR the circuit. CONNECT the negative battery cable. CLEAR the DTCs. REPEAT the network test with the scan tool.

-------------------------------------------------
F3 CHECK THE HS-CAN CIRCUITS BETWEEN THE HCM AND THE DLC FOR AN OPEN


- Measure the resistance between the LH headlamp assembly C1021b-6, circuit VDB04 (WH/BU), harness side and the DLC C251-6, circuit VDB04 (WH/BU), harness side.




- Measure the resistance between the LH headlamp assembly C1021b-12, circuit VDB05 (WH), harness side and the DLC C251-14, circuit VDB05 (WH), harness side.




- Are the resistances less than 5 ohms?

Yes
CONNECT the negative battery cable. GO to F4.

No
REPAIR the circuit. CONNECT the negative battery cable. CLEAR the DTCs. REPEAT the network test with the scan tool.

-------------------------------------------------
F4 CHECK FOR CORRECT HCM OPERATION


- Disconnect the HCM connector.
- Check for:
- corrosion
- damaged pins
- pushed-out pins
- Connect the HCM connector and make sure it seats correctly.
- Verify the concern is still present.
- Is the concern still present?

Yes
INSTALL a new HCM. CLEAR the DTCs. REPEAT the network test with the scan tool.

If the concern is still present, INSTALL a new LH headlamp assembly. CLEAR the DTCs. REPEAT the network test with the scan tool.

No
The system is operating correctly at this time. The concern may have been caused by a loose or corroded connector. CLEAR the DTCs. REPEAT the network test with the scan tool.

-------------------------------------------------