Curiosii for ever!: Car repair manuals for everyone.

Pinpoint Test E: The Side Obstacle Detection Control Module - Right (SOD-R) Does Not Respond To The Scan Tool Or Cannot Be Conf




Blind Spot Monitoring

Pinpoint Tests

Pinpoint Test E: The Side Obstacle Detection Control Module - Right (SOD-R) Does Not Respond To The Scan Tool Or Cannot Be Configured

Refer to Wiring Diagram Set 131, Parking Aid for schematic and connector information. Diagrams By Number

Normal Operation

The Side Obstacle Detection Control Module - Left (SOD-L) and Side Obstacle Detection Control Module - Right (SOD-R) are identical modules except that the SOD-R uses an address ground pin for configuration. The address ground is necessary so that the Blind Spot Information System (BLIS(TM)) or the Cross Traffic Alert (CTA) system can decipher between the SOD-R and the SOD-L during configuration. The SOD-R communicates over the Medium Speed Controller Area Network (MS-CAN).

This pinpoint test is intended to diagnose the following:

- Wiring, terminals or connectors
- SOD-R



PINPOINT TEST E: THE SOD-R DOES NOT RESPOND TO THE SCAN TOOL OR CANNOT BE CONFIGURED

NOTICE: Use the correct probe adapter(s) when making measurements. Failure to use the correct probe adapter(s) may damage the connector.

NOTE: Failure to disconnect the battery when instructed will result in false resistance readings. Refer to Battery.

-------------------------------------------------
E1 VERIFY THE SOD-R PASSES THE NETWORK TEST


- Enter the following diagnostic mode on the scan tool: Network Test .
- Verify that the SOD-R passes the network test.
- Does the SOD-R pass the network test?

Yes
The system is operating correctly at this time. The concern may have been caused by high network traffic or an intermittent problem. TEST the system for normal operation.

No
GO to E2.

-------------------------------------------------
E2 CHECK THE SOD-R ADDRESS GROUND CIRCUIT FOR AN OPEN


- Disconnect: Negative Battery Cable .
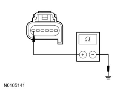
- Disconnect: SOD-R C4229 .
- Measure the resistance between the SOD-R C4229-6, circuit GD145 (BK/BU), harness side and ground.




- Is the resistance less than 5 ohms?

Yes
CONFIGURE the SOD-R. REFER to Information Bus.

No
REPAIR the circuit in question. TEST the system for normal operation.

-------------------------------------------------