Curiosii for ever!: Car repair manuals for everyone.

Pinpoint Test F: The Occupant Classification System Module (OCSM) Does Not Communicate With The Scan Tool




Communications Network

Pinpoint Tests

Pinpoint Test F: The Occupant Classification System Module (OCSM) Does Not Communicate With the Scan Tool

Refer to Wiring Diagram Set 14, Module Communications Network for schematic and connector information. Diagrams By Number

Refer to Wiring Diagram Set 46, Supplemental Restraint System for schematic and connector information. Diagrams By Number

Normal Operation

The Occupant Classification System Module (OCSM) communicates with the scan tool through the High Speed Controller Area Network (HS-CAN).

This pinpoint test is intended to diagnose the following:

- Fuse
- Wiring, terminals or connectors
- OCSM



PINPOINT TEST F: THE OCSM DOES NOT COMMUNICATE WITH THE SCAN TOOL

NOTICE: Use the correct probe adapter(s) when making measurements. Failure to use the correct probe adapter(s) may damage the connector.

NOTE: Failure to disconnect the battery when instructed will result in false resistance readings. Refer to Battery.

-------------------------------------------------
F1 CHECK THE OCSM VOLTAGE SUPPLY CIRCUITS FOR AN OPEN


- Ignition OFF.
- Disconnect: OCSM C3159 .
- Ignition ON.
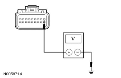
- Measure the voltage between the OCSM C3159-1, circuit CBX02 (BN/RD), harness side and ground.




- Is the voltage greater than 10 volts?

Yes
GO to F2.

No
VERIFY the Smart Junction Box (SJB) fuse 46 (7.5A) is OK. If OK, REPAIR the circuit. If not OK, REFER to the Wiring to identify the possible causes of the circuit short. Diagrams By Number
CLEAR the DTCs. REPEAT the network test with the scan tool.

-------------------------------------------------
F2 CHECK THE OCSM GROUND CIRCUIT FOR AN OPEN


- Ignition OFF.
- Disconnect: Negative Battery Cable .
- Measure the resistance between the OCSM C3159-14, circuit GD901 (BK), harness side and ground.




- Is the resistance less than 5 ohms?

Yes
GO to F3.

No
REPAIR the circuit. CONNECT the negative battery cable. CLEAR the DTCs. REPEAT the network test with the scan tool.

-------------------------------------------------
F3 CHECK THE HS-CAN CIRCUITS BETWEEN THE OCSM AND THE DLC FOR AN OPEN


- Measure the resistance between the OCSM C3159-18, circuit VDB04 (WH/BU), harness side and the DLC C251-6, circuit VDB04 (WH/BU), harness side.




- Measure the resistance between the OCSM C3159-9, circuit VDB05 (WH), harness side and the DLC C251-14, circuit VDB05 (WH), harness side.




- Are the resistances less than 5 ohms?

Yes
CONNECT the negative battery cable. GO to F4.

No
REPAIR the circuit in question. CONNECT the negative battery cable. CLEAR the DTCs. REPEAT the network test with the scan tool.

-------------------------------------------------
F4 CHECK FOR CORRECT OCSM OPERATION


- Disconnect the OCSM connector.
- Check for:
- corrosion
- damaged pins
- pushed-out pins
- Connect the OCSM connector and make sure it seats correctly.
- Operate the system and verify the concern is still present.
- Is the concern still present?

Yes
INSTALL a new OCSM. REFER to Restraint Systems. REPEAT the network test with the scan tool.

No
The system is operating correctly at this time. The concern may have been caused by a loose or corroded connector.

-------------------------------------------------