Curiosii for ever!: Car repair manuals for everyone.

Pinpoint Test O: The Rear Entertainment Module (RETM) Does Not Respond To The Scan Tool




Communications Network

Pinpoint Tests

Pinpoint Test O: The Rear Entertainment Module (RETM) Does Not Respond To The Scan Tool

Refer to Wiring Diagram Set 14, Module Communications Network for schematic and connector information. Diagrams By Number

Refer to Wiring Diagram Set 132, Video System for schematic and connector information. Diagrams By Number

Normal Operation

The Rear Entertainment Module (RETM) communicates with the scan tool through the Medium Speed Controller Area Network (MS-CAN). Circuits VDB06 (GY/OG) (MS-CAN +) and VDB07 (VT/OG) (MS-CAN -) provide the network connection to the RETM. Voltage for the RETM is provided by circuit SBP03 (BU/RD). Circuit GD114 (BK/BU) provides ground.

This pinpoint test is intended to diagnose the following:

- Fuse
- Wiring, terminals or connectors
- RETM



PINPOINT TEST O: THE RETM DOES NOT RESPOND TO THE SCAN TOOL

NOTICE: Use the correct probe adapter(s) when making measurements. Failure to use the correct probe adapter(s) may damage the connector.

NOTE: Failure to disconnect the battery when instructed will result in false resistance readings. Refer to Battery.

-------------------------------------------------
O1 CHECK THE RETM VOLTAGE SUPPLY CIRCUIT FOR AN OPEN


- Ignition OFF.
- Disconnect: RETM C949.
- Ignition ON.
- Measure the voltage between the RETM C949-16, circuit SBP03 (BU/RD), harness side and ground.




- Is the voltage greater than 10 volts?

Yes
GO to O2.

No
VERIFY the SJB fuse 3 (15A) is OK. If OK, REPAIR the circuit. If not OK, REFER to the Wiring Diagrams to identify the possible causes of the circuit short. CLEAR the DTCs. REPEAT the network test with the scan tool.

-------------------------------------------------
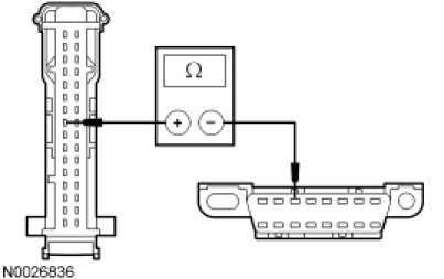
O2 CHECK THE RETM GROUND CIRCUIT FOR AN OPEN


- Ignition OFF.
- Disconnect: Negative Battery Cable.
- Measure the resistance between the RETM C949-1, circuit GD114 (BK/BU), harness side and ground.




- Is the resistance less than 5 ohms?

Yes
GO to O3.

No
REPAIR the circuit. CONNECT the negative battery cable. CLEAR the DTCs. REPEAT the network test with the scan tool.

-------------------------------------------------
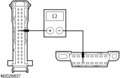
O3 CHECK THE MS-CAN CIRCUITS BETWEEN THE RETM AND THE DLC FOR AN OPEN


- Measure the resistance between the RETM C949-8, circuit VDB06 (GY/OG), harness side and the Data Link Connector (DLC) C251-3, circuit VDB06 (GY/OG), harness side.




- Measure the resistance between the RETM C949-7, circuit VDB07 (VT/OG), harness side and the DLC C251-11, circuit VDB07 (VT/OG), harness side.




- Are the resistances less than 5 ohms?

Yes
CONNECT the negative battery cable. GO to O4.

No
REPAIR the circuit in question. CONNECT the negative battery cable. CLEAR the DTCs. REPEAT the network test with the scan tool.

-------------------------------------------------
O4 CHECK FOR CORRECT RETM OPERATION


- Disconnect the RETM connector.
- Check for:
- corrosion
- damaged pins
- pushed-out pins
- Connect the RETM connector and make sure it seats correctly.
- Operate the system and verify the concern is still present.
- Is the concern still present?

Yes
INSTALL a new RETM. TEST the system for normal operation.

No
The system is operating correctly at this time. The concern may have been caused by a loose or corroded connector. CLEAR the DTCs. REPEAT the network test with the scan tool.

-------------------------------------------------