Pinpoint Test F: The Vehicle Dynamics Module (VDM) Does Not Respond To The Scan Tool
Communications Network
Pinpoint Tests
Pinpoint Test F: The Vehicle Dynamics Module (VDM) Does Not Respond To The Scan Tool
Refer to Wiring Diagram Set 14, Module Communications Network for schematic and connector information. Diagrams By Number
Refer to Wiring Diagram Set 41, Vehicle Dynamic Suspension for schematic and connector information. Diagrams By Number
Normal Operation
The Vehicle Dynamics Module (VDM) communicates with the scan tool through the High Speed Controller Area Network (HS-CAN). Circuits VDB04 (WH/BU) (HS-CAN +) and VDB05 (WH) (HS-CAN -) provide the network connection to the VDM. The VDM shares the HS-CAN with the PCM, the Transmission Control Module (TCM), the ABS module, the Restraints Control Module (RCM), the 4X4 control module (if equipped) and the Instrument Cluster (IC). Voltage for the VDM is provided by circuits CBB53 (GN/BN) and SBB48 (VT/RD). Circuit GD120 (BK/GN) provides ground.
This pinpoint test is intended to diagnose the following:
- Fuse
- Wiring, terminals or connectors
- VDM
PINPOINT TEST F: THE VDM DOES NOT RESPOND TO THE SCAN TOOL
NOTICE: Use the correct probe adapter(s) when making measurements. Failure to use the correct probe adapter(s) may damage the connector.
NOTE: Failure to disconnect the battery when instructed will result in false resistance readings. Refer to Battery.
-------------------------------------------------
F1 CHECK THE VDM VOLTAGE SUPPLY CIRCUITS FOR AN OPEN
- Ignition OFF.
- Disconnect: VDM C2131a.
- Ignition ON.
- Measure the voltage between the VDM, harness side and ground as follows:
- Are the voltages greater than 10 volts?
Yes
GO to F2.
No
VERIFY the Battery Junction Box (BJB) fuse 48 (30A) or fuse 53 (10A) is OK. If OK, REPAIR the circuit in question. If not OK, REFER to the Wiring Diagrams to identify the possible causes of the circuit short. CLEAR the DTCs. REPEAT the network test with the scan tool.
-------------------------------------------------
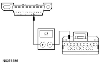
F2 CHECK THE VDM GROUND CIRCUITS FOR AN OPEN
- Ignition OFF.
- Disconnect: Negative Battery Cable.
- Measure the resistance between the VDM, harness side and ground as follows:
- Are the resistances less than 5 ohms?
Yes
GO to F3.
No
REPAIR the circuit. CONNECT the negative battery cable. CLEAR the DTCs. REPEAT the network test with the scan tool.
-------------------------------------------------
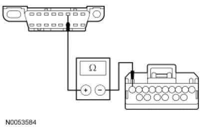
F3 CHECK THE CAN CIRCUITS BETWEEN THE DLC AND THE VDM FOR AN OPEN
- Measure the resistance between the Data Link Connector (DLC) C251-6, circuit VDB04 (WH/BU), harness side and the VDM C2131a-10, circuit VDB04 (WH/BU), harness side.
- Measure the resistance between the DLC C251-14, circuit VDB05 (WH) harness side and the VDM C2131a-9, circuit VDB05 (WH), harness side.
- Are the resistances less than 5 ohms?
Yes
CONNECT the negative battery cable. GO to F4.
No
REPAIR the circuit in question. CONNECT the negative battery cable. CLEAR the DTCs. REPEAT the network test with the scan tool.
-------------------------------------------------
F4 CHECK FOR CORRECT VDM OPERATION
- Disconnect all the VDM connectors.
- Check for:
- corrosion
- damaged pins
- pushed-out pins
- Connect all the VDM connectors and make sure they seat correctly.
- Operate the system and verify the concern is still present.
- Is the concern still present?
Yes
INSTALL a new VDM. CLEAR the DTCs. REPEAT the network test with the scan tool.
No
The system is operating correctly at this time. The concern may have been caused by a loose or corroded connector. CLEAR the DTCs. REPEAT the network test with the scan tool.
-------------------------------------------------