Curiosii for ever!: Car repair manuals for everyone.

Pinpoint Test H: DTC B1318




Driver Seat Module (DSM)

Pinpoint Tests

Pinpoint Test H: DTC B1318

Refer to Wiring Diagram Set 117, Remote Keyless Entry and Alarm for schematic and connector information. Diagrams By Number

Normal Operation

The Driver Seat Module (DSM) monitors the voltage from the battery to determine if it goes above or below specific thresholds and sets DTC B1318 in continuous memory if the DSM detects low battery voltage below 10 volts on circuit SBB45 (GY/RD).

- DTC B1318 (Battery Voltage Low) - a continuous memory DTC that sets when the DSM detects battery voltage below 10 volts on circuit SBB45 (GY/RD).

This pinpoint test is intended to diagnose the following:

- Wiring, terminals or connectors
- High circuit resistance
- DSM



PINPOINT TEST H: DTC B1318

NOTICE: Use the correct probe adapter(s) when making measurements. Failure to use the correct probe adapter(s) may damage the connector.

NOTE: Failure to disconnect the battery when instructed will result in false resistance readings. Refer to Battery.

-------------------------------------------------
H1 RECHECK THE DSM DTCs


- Ignition ON.
- Enter the following diagnostic mode on the scan tool: DSM Self-Test.
- Clear the DTCs. Repeat the DSM self-test.
- Is DTC B1318 still present?

Yes
GO to H2.

No
The system is operating normally at this time. The DTC may have been set previously during battery charging or while jump starting the vehicle.

-------------------------------------------------
H2 CHECK FOR CHARGING SYSTEM DTCs IN THE PCM


- Enter the following diagnostic mode on the scan tool: PCM Self-Test.
- Retrieve the continuous memory DTCs from the PCM.
- Is DTC P0620, P0625, P0626 or P065B set in the PCM?

Yes
REFER to Charging System.

No
GO to H3.

-------------------------------------------------
H3 CHECK THE BATTERY CONDITION AND STATE OF CHARGE


- Ignition OFF.
- Check the battery condition and verify the battery is fully charged. Refer to Battery, Battery Condition Test. Pinpoint Tests
- Is the battery OK and fully charged?

Yes
GO to H4.

No
REFER to Charging System.

-------------------------------------------------
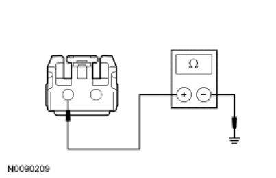
H4 CHECK THE DSM VOLTAGE SUPPLY


- Measure and record the voltage at the battery.
- Disconnect: DSM C341A.
- Ignition ON.
- Measure the voltage between the DSM C341A-1, circuit SBB45 (GY/RD), harness side and ground.




- Is the voltage within 0.2 volt of the recorded battery voltage?

Yes
GO to H5.

No
REPAIR the circuit for high resistance. CLEAR the DTC. REPEAT the self-test.

-------------------------------------------------
H5 CHECK THE DSM GROUND CIRCUIT


- Ignition OFF.
- Disconnect: Negative Battery Cable.
- Measure the resistance between the DSM C341A-2, circuit GD143 (BK/VT), harness side and ground.




- Is the resistance less than 5 ohms?

Yes
CONNECT the negative battery cable. GO to H6.

No
REPAIR the circuit for high resistance. CONNECT the negative battery cable. TEST the system for normal operation.

-------------------------------------------------
H6 CHECK FOR CORRECT DSM OPERATION


- Disconnect the DSM connectors.
- Check for:
- corrosion
- damaged pins
- pushed-out pins
- Connect the DSM connectors and make sure they seat correctly.
- Operate the system and verify the concern is still present.
- Is the concern still present?

Yes
INSTALL a new DSM. REFER to Driver Seat Module (DSM) Service and Repair. TEST the system for normal operation.

No
The system is operating correctly at this time. The concern may have been caused by a loose or corroded connector.

-------------------------------------------------